Выбран город Омск
Ваша корзина пуста

Серия 1.020-1-87 Конструкции каркаса межвидового применения для многоэтажных общественных зданий, производственных и вспомогательных зданий промышленных предприятий. Выпуск 1-1 Фундаменты сборные железобетонные для колонн

Описание

Рабочие чертежи

Содержание – 2 стр

974 × 666 пикс.     Открыть в новом окне  

Технические требования – 3 стр

1.Общая часть

1.1.Выпуск 1-1, серии 1.020-1/87 содержит чертежи железобетонных фундаментов стаканного типа, устанавливаемых под колонны сечением 400х400 мм каркаса межвидового применения для многоэтажных общественных зданий, производственных и вспомогательных зданий промышленных предприятий, возводимых в обычных условиях строительства на грунтах с неагрессивными, а также слабо и среднеагрессивными грунтовыми водами, а также рабочие чертежи упорной фундаментной плиты, устанавливаемой под стены подвала.
1.2. Указания по применению и номенклатура изделий приведены в вып. 0-1, 0-2 и 0-0.
1.3. Фундаменты разработаны в соответствии с требованиями СНиП 2.02.01-83 «основания зданий и сооружений»; СНиП 2.03.01-84* «Бетонные и железобетонные конструкции». Пособия по проектированию оснований зданий и сооружений» (к СНиП 2.02.01-83); «Руководство по проектированию фундаментов на естественном основании под колонны зданий и сооружений промышленных предприятий». ГОСТ 24476-80* «Фундаменты железобетонные сборные стаканного типа под колонны общественных зданий»
1.4. Арматурные изделия разработаны в соответствии с требованиями СНиП II-23-81 «Стальные конструкции», СНиП 3.03.01-87ГОСТ 14098-85, ГОСТ 10922-90.
1.5.Строповочные петли для подъема фундаментов приняты по серии 1.400-9 «Унифицированные строповочные петли для подъема сборных железобетонных конструкций зданий и сооружений промышленных предприятий»
1.6.При применении фундаментов в условиях воздействия агрессивной среды в проекте конкретного объекта должны быть указаны специальные мероприятия по их изготовлению в соответствии с требованиями главы СНиП 2.03.11-85 «Защита строительных конструкций от коррозии»

2. Технические характеристики фундаментов

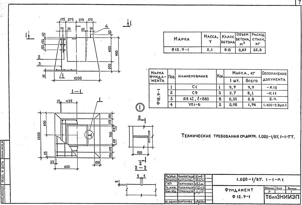
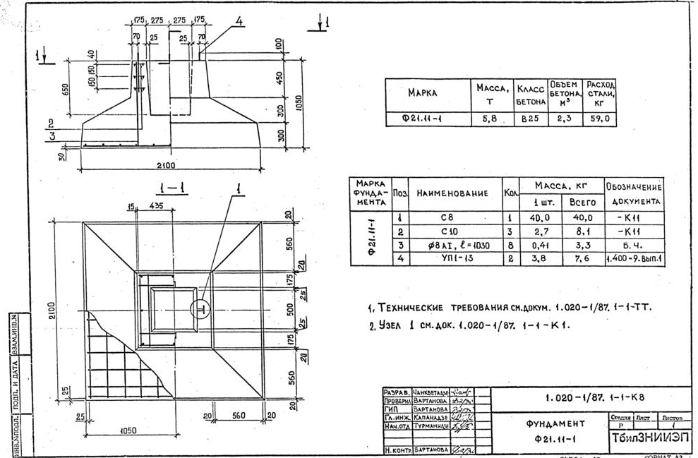
2.1. По конструктивному решению фундаменты приняты стаканного типа, квадратные, с размерами подошвы от 1200х1200 до 2100х2100 мм о градацией 300 мм.
Фундаменты приняты высотой 900 и 1050 мм при глубине стакана 650 мм. Стенки стаканов рассчитаны на усилия от заделанных концов колонн.
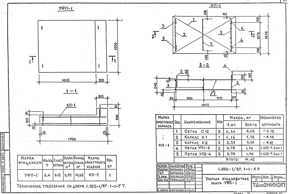
Упорная плита принята толщиной 300 мм с размерами подошвы 1900х1500 мм.
2.2.Фундаменты запроектированы из тяжелого бетона класса В15 и В25.
2.3.Фактическая прочность бетона должна соответствовать требуемой, назначаемой по ГОСТ 18105-86 в зависимости от нормируемой прочности бетона, указанной в проектной документации.
2.4.Значение нормируемой отпускной прочности бетона следует принимать равным 70% от класса бетона по прочности на сжатие в теплый период года и 90 % в холодный период года в соответствии с требованиями ГОСТ 24476-80* и ГОСТ 13015.0-83
2.5.Морозостойкость бетона фундаментов принимается в соответствии с требованиями СНиП 2.03.01-84* и ГОСТ 10060-87.
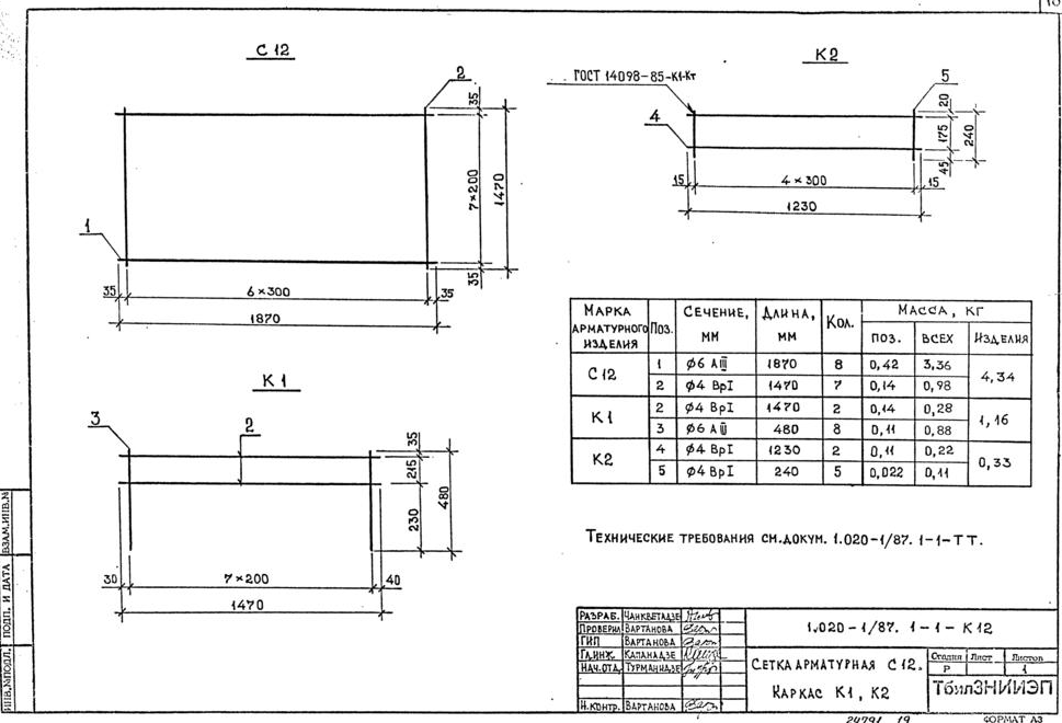
2.6.Армирование изделий выполнено сетками и каркасами из арматурной стали класса А-I марок Ст3пс2 и СТ3сп2.
2.7.Арматурные сетки и каркасы изготовляются при помощи контактной точечной сварки в соответствии с ГОСТ 10922-90, ГОСТ 14098-85 и СНиП 3.03.01-87.
2.8.В фундаментах стаканного типа объединение арматурных изделий в пространственный каркас рекомендуется производить контактной точечной сваркой с помощью сварочных клещей или вязкой всех пересечений вязальной проволокой, а упорной фундаментной плиты – вязкой пересечений каркасов и сеток вязальной проволокой.

3. Изготовление фундаментов

3.1.Фундаменты следует изготовлять по рабочим чертежам настоящего выпуска в соответствии с требованиями ГОСТ 24476-80* в остальных формах фундаментов серии 1.0201/83, выпуск 1-1, удовлетворяющих требования ГОСТ 25781-83*. (Рабочие чертежи форм разработаны ТбилЗНИИЭП и распространяются ЦИТП г. Москва)
3.2.Точность изготовления и качество поверхностей фундаментов должно соответствовать требованиям ГОСТ 24476-80*, ГОСТ 13015.0-83, ГОСТ 13015.3-81
Приемку, транспортирование и хранение изделий следует осуществлять в соответствии с требованиями ГОСТ 13015.1-81*, ГОСТ 13015.4-84, СНиП 3.03.01-87 и ГОСТ 24476-80*.

4. Маркировка изделий

4.1.Маркировка изделий принята в соответствии с ГОСТ 23009-78.
4.2.В маркировке изделий приняты следующие группы обозначений:
Первая группа содержит обозначение типа фундамента, длину (ширину) подошвы и высоту фундамента в дециметрах.
Вторая группа содержит обозначение несущей способности фундамента.
Третья группа содержит дополнительный показателя проницаемости бетона для фундаментов, предназначенных для эксплуатации в агрессивной среде.
Н-нормальной проницаемости
П-пониженной проницаемости
286 × 105 пикс.     Открыть в новом окне  
381 × 200 пикс.     Открыть в новом окне  

5. Указания по подбору фундаментов

5.1.Подбор фундаментов производится по графикам несущих способностей, приведенным на рисунках 1…5 док. 1-1-TT л.3.4. по предварительно определенным размерам подошвы фундаментов в соответствии со СНиП 2.02.01-83 «Основания зданий и сооружений» и «Руководство по проектированию оснований зданий и сооружений» в зависимости от расчетных усилий на фундаменты и характеристик грунта основания.
5.2.Фундаметная плита УФП-1 под стены подвала рассчитана на сдвигающую силу Q=6,5 тс, при глубине подвала до 3 м с характеристиками грунта засыпки:  и равномерно распределенной нагрузкой q1, расположенной на поверхности призмы обрушения интенсивностью I тс\м2.
280 × 160 пикс.     Открыть в новом окне  
969 × 667 пикс.     Открыть в новом окне  
976 × 663 пикс.     Открыть в новом окне  

Фундамент Ф12.9-1 – 7 стр

968 × 658 пикс.     Открыть в новом окне  

Фундамент Ф12.9-2 – 8 стр

964 × 656 пикс.     Открыть в новом окне  

Фундамент Ф15.9-1, Ф15.9-2 – 9 стр

983 × 667 пикс.     Открыть в новом окне  

Фундамент Ф 18.9-1, Ф 18.9-2 – 10 стр

972 × 653 пикс.     Открыть в новом окне  

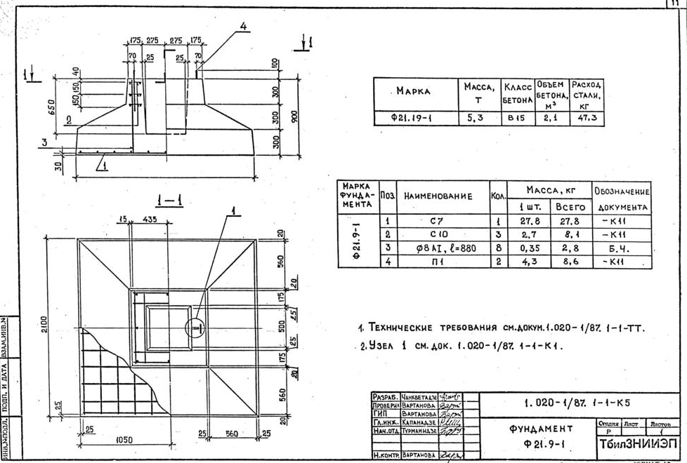
Фундамент Ф 21.9-1 – 11 стр

978 × 660 пикс.     Открыть в новом окне  

Фундамент Ф 18.9-3, Ф 18.11-1 – 12 стр

980 × 663 пикс.     Открыть в новом окне  

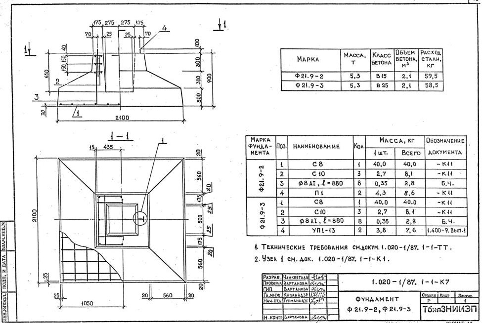
Фундамент Ф 21.9-2, Ф 21.9-3 – 13 стр

975 × 654 пикс.     Открыть в новом окне  

Фундамент Ф 21.11-1 – 14 стр

989 × 649 пикс.     Открыть в новом окне  

Упорная фундаментная плита УФП-1 – 15 стр

980 × 658 пикс.     Открыть в новом окне  

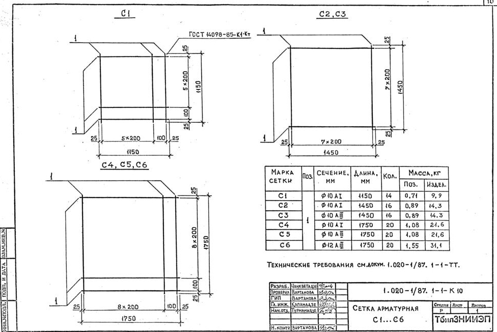
Сетка арматурная С1…С6 – 16 стр

976 × 652 пикс.     Открыть в новом окне  

Сетка арматурная С7…С11. Петля П1 – 17 стр

984 × 670 пикс.     Открыть в новом окне  

Сетка арматурная С12. Каркас К1, К2 – 18 стр

969 × 660 пикс.     Открыть в новом окне  

Ведомость расхода стали, кг – 19 стр

968 × 649 пикс.     Открыть в новом окне 

Классы

Выбранные классы объекта Строительные материалы

Продукция

Подождите идет загрузка ....

Присоединяйтесь к рассылке!

Оформляя подписку, вы принимаете политику конфиденциальности ЖБИ-СНГ.ру