Выбран город Омск
Ваша корзина пуста

Серия 1.020-1/87 Конструкции каркаса межвидового применения для многоэтажных общественных зданий, производственных и вспомогательных зданий промышленных предприятий. Выпуск 2-15 Колонны из бетона класса В30 для зданий с высотой этажа 3,6 м. Пространственн

Описание

Рабочие чертежи

Содержание – 2 стр

939 × 685 пикс.     Открыть в новом окне  
938 × 687 пикс.     Открыть в новом окне  
931 × 681 пикс.     Открыть в новом окне  

Технические требования – 5 стр

Настоящий выпуск содержит рабочие чертежи пространственных каркасов колонн сечением 400х400 мм выпуска 2-14
Пространственные каркасы собираются из отдельных стержней замкнутых хомутов, веток косвенного армирования и закладных деталей при помощи контактной сварки.
Сварка стержней выполняется в соответствии с требованиями ГОСТ 14098-85 для соединений с нормируемой прочностью.
В зависимости от расчетных усилий предусмотрено изменение армирования пространственного каркаса по его длине обрывом продольной арматуры в вышерасположенных этажах колонны.
Диагональные связи должны привариваться к стержням продольной арматуры протяженными швами, длина швов не менее 5-ти диаметров арматурной связи.
Закладные детали МН-5…Мн-12 должны быть зафиксированы в проектном положении в форме.
Закладные детали МН-2 привариваются к продольным стержням пространственного каркаса дуговой сваркой односторонним швом.
Сборку пространственных каркасом рекомендуется проводить на автоматизированных линиях согласно указаниям выпуска 0-7 «Указания по заводской технологии изготовления изделий».
Перечень выпусков, входящих в состав сварки серии 1.020-1/87 приведен в выпуске 0-0 (дополнение 1).

Каркас пространственный КП-1, КП-2. Сборочный чертеж – 6 стр

942 × 688 пикс.     Открыть в новом окне  

Каркас пространственный КП-3, КП-4. Сборочный чертеж – 7 стр

941 × 689 пикс.     Открыть в новом окне  

Каркас пространственный КП-5. Сборочный чертеж – 8 стр

939 × 686 пикс.     Открыть в новом окне  

Каркас пространственный КП-6. Сборочный чертеж – 9 стр

942 × 691 пикс.     Открыть в новом окне  

Каркас пространственный КП-7, КП-8. Сборочный чертеж – 10 стр

941 × 687 пикс.     Открыть в новом окне  

Каркас пространственный КП-9, КП-10. Сборочный чертеж – 11 стр

936 × 680 пикс.     Открыть в новом окне  

Каркас пространственный КП-11. Сборочный чертеж – 12 стр

940 × 696 пикс.     Открыть в новом окне  

Каркас пространственный КП-12. Сборочный чертеж – 13 стр

935 × 687 пикс.     Открыть в новом окне  

Каркас пространственный КП-13. Сборочный чертеж – 14 стр

932 × 680 пикс.     Открыть в новом окне  

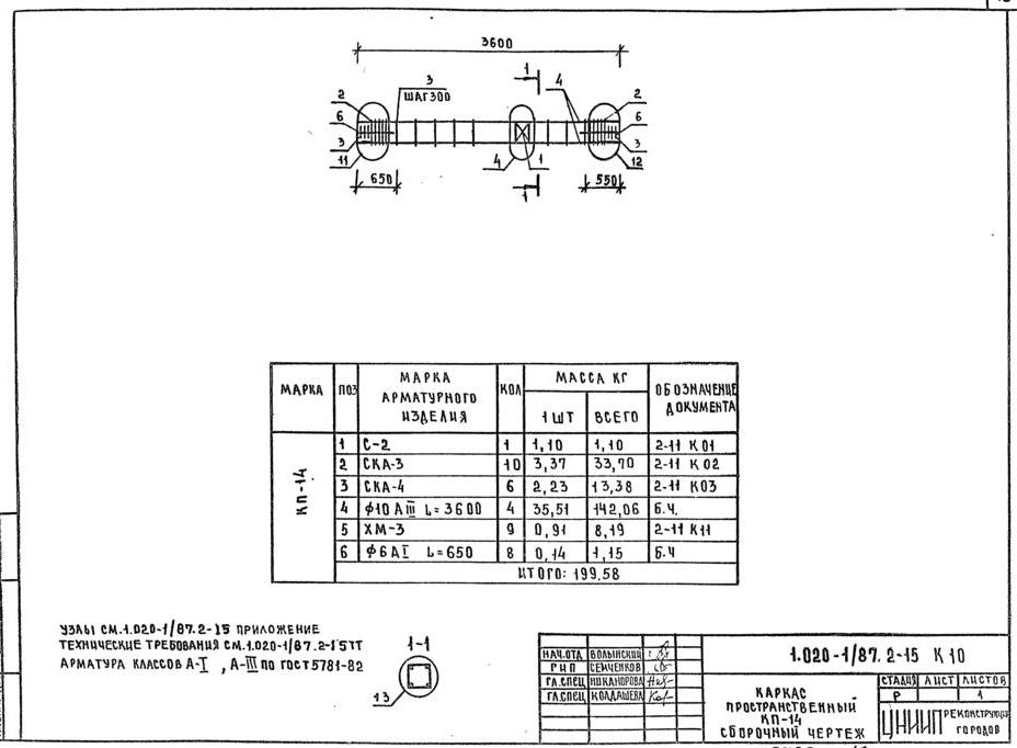
Каркас пространственный КП-14. Сборочный чертеж – 15 стр

928 × 682 пикс.     Открыть в новом окне  

Каркас пространственный КП-15, КП-16, КП-17. Сборочный чертеж – 16 стр

934 × 685 пикс.     Открыть в новом окне  

Каркас пространственный КП-15, КП-16, КП-17. Сборочный чертеж – 16 стр

934 × 685 пикс.     Открыть в новом окне  

Каркас пространственный КП-18, КП-19. Сборочный чертеж – 17 стр

944 × 687 пикс.     Открыть в новом окне  

Каркас пространственный КП-20. Сборочный чертеж – 18 стр

927 × 689 пикс.     Открыть в новом окне  

Каркас пространственный КП-21. Сборочный чертеж – 19 стр

948 × 674 пикс.     Открыть в новом окне  

Каркас пространственный КП-22. Сборочный чертеж – 20 стр

941 × 690 пикс.     Открыть в новом окне  

Каркас пространственный КП-23. Сборочный чертеж – 21 стр

942 × 685 пикс.     Открыть в новом окне  

Каркас пространственный КП-24. Сборочный чертеж – 22 стр

939 × 691 пикс.     Открыть в новом окне  

Каркас пространственный КП-25, КП-26. Сборочный чертеж – 23 стр

935 × 692 пикс.     Открыть в новом окне  

Каркас пространственный КП-27. Сборочный чертеж – 24 стр

928 × 679 пикс.     Открыть в новом окне  

Каркас пространственный КП-28, КП-29. Сборочный чертеж – 25 стр

937 × 686 пикс.     Открыть в новом окне  

Каркас пространственный КП-30, КП-31. Сборочный чертеж – 26 стр

932 × 683 пикс.     Открыть в новом окне  

Каркас пространственный КП-32, КП-33. Сборочный чертеж – 27 стр

938 × 686 пикс.     Открыть в новом окне  

Каркас пространственный КП-34. Сборочный чертеж – 28 стр

944 × 678 пикс.     Открыть в новом окне  

Каркас пространственный КП-35. Сборочный чертеж – 29 стр

940 × 681 пикс.     Открыть в новом окне  

Каркас пространственный КП-36. Сборочный чертеж – 30 стр

926 × 692 пикс.     Открыть в новом окне  

Каркас пространственный КП-37, КП-38. Сборочный чертеж – 31 стр

930 × 673 пикс.     Открыть в новом окне  

Каркас пространственный КП-39, КП-40. Сборочный чертеж – 32 стр

932 × 688 пикс.     Открыть в новом окне  

Каркас пространственный КП-41, КП-42. Сборочный чертеж – 33 стр

928 × 671 пикс.     Открыть в новом окне  

Каркас пространственный КП-43. Сборочный чертеж – 34 стр

927 × 685 пикс.     Открыть в новом окне  

Каркас пространственный КП-44. Сборочный чертеж – 35 стр

942 × 683 пикс.     Открыть в новом окне  

Каркас пространственный КП-45. Сборочный чертеж – 36 стр

943 × 687 пикс.     Открыть в новом окне  

Каркас пространственный КП-46. Сборочный чертеж – 37 стр

928 × 689 пикс.     Открыть в новом окне  

Каркас пространственный КП-47. Сборочный чертеж – 38 стр

929 × 690 пикс.     Открыть в новом окне  

Каркас пространственный КП-48. Сборочный чертеж – 39 стр

938 × 677 пикс.     Открыть в новом окне  

Каркас пространственный КП-49, КП-50. Сборочный чертеж – 40 стр

933 × 675 пикс.     Открыть в новом окне  

Каркас пространственный КП-51, КП-52. Сборочный чертеж – 41 стр

933 × 684 пикс.     Открыть в новом окне  

Каркас пространственный КП-53, КП-54, КП-55. Сборочный чертеж – 42 стр

930 × 685 пикс.     Открыть в новом окне  

Каркас пространственный КП-56, КП-57. Сборочный чертеж – 43 стр

941 × 677 пикс.     Открыть в новом окне  

Каркас пространственный КП-58. Сборочный чертеж – 44 стр

934 × 684 пикс.     Открыть в новом окне  

Каркас пространственный КП-59. Сборочный чертеж – 45 стр

939 × 684 пикс.     Открыть в новом окне  

Каркас пространственный КП-60. Сборочный чертеж – 46 стр

936 × 688 пикс.     Открыть в новом окне  

Каркас пространственный КП-61, КП-62. Сборочный чертеж – 47 стр

929 × 659 пикс.     Открыть в новом окне  

Каркас пространственный КП-63, КП-64. Сборочный чертеж – 48 стр

927 × 681 пикс.     Открыть в новом окне  

Каркас пространственный КП-65, КП-66. Сборочный чертеж – 49 стр

933 × 678 пикс.     Открыть в новом окне  

Каркас пространственный КП-67, КП-74. Сборочный чертеж –50 стр

928 × 685 пикс.     Открыть в новом окне  

Каркас пространственный КП-68. Сборочный чертеж –51 стр

931 × 688 пикс.     Открыть в новом окне  

Каркас пространственный КП-69. Сборочный чертеж –52 стр

936 × 686 пикс.     Открыть в новом окне  

Каркас пространственный КП-70. Сборочный чертеж –53 стр

932 × 683 пикс.     Открыть в новом окне  

Каркас пространственный КП-71. Сборочный чертеж –54 стр

939 × 690 пикс.     Открыть в новом окне  

Каркас пространственный КП-72. Сборочный чертеж –55 стр

938 × 686 пикс.     Открыть в новом окне  

Каркас пространственный КП-73. Сборочный чертеж –56 стр

931 × 686 пикс.     Открыть в новом окне  

Каркас пространственный КП-75. Сборочный чертеж –57 стр

928 × 680 пикс.     Открыть в новом окне  

Приложение. Узлы 1…17 –59 стр

946 × 680 пикс.     Открыть в новом окне  
954 × 684 пикс.     Открыть в новом окне  
947 × 669 пикс.     Открыть в новом окне (

Классы

Выбранные классы объекта Строительные материалы

Продукция

Подождите идет загрузка ....

Присоединяйтесь к рассылке!

Оформляя подписку, вы принимаете политику конфиденциальности ЖБИ-СНГ.ру