Выбран город Омск
Ваша корзина пуста

Серия 1.020-1/87 Конструкции каркаса межвидового применения для многоэтажных общественных зданий, производственных и вспомогательных зданий промышленных предприятий. Выпуск 2-2 Колонны для зданий с высотой этажа 3,3 м. Пространственные каркасы.

Описание

Серия 1.020-1/87 Конструкции каркаса межвидового применения для многоэтажных общественных зданий, производственных и вспомогательных зданий промышленных предприятий. Выпуск 2-2 Колонны для зданий с высотой этажа 3,3 м. Пространственные каркасы.

Рабочие чертежи

Содержание – 2 стр

936 × 636 пикс.     Открыть в новом окне  
936 × 632 пикс.     Открыть в новом окне  
939 × 642 пикс.     Открыть в новом окне  
932 × 635 пикс.     Открыть в новом окне  
937 × 633 пикс.     Открыть в новом окне  
465 × 634 пикс.     Открыть в новом окне  

Технические требования – 7 стр

Настоящий выпуск содержит рабочие чертежи пространственных каркасов колонн сечением 400х400 мм выпуска 2-1.
Пространственные каркасы собираются из отдельных стержней, замкнутых хомутов, сеток косвенного армирования и закладных изделий при помощи контактной сварки.
Сварка стержней выполняется в соответствии с требованиями ГОСТ 14098-85 для соединений с нормируемой прочностью.
В зависимости от расчетных усилий предусмотрено изменение армирования пространственного каркаса по его длине обрывом продольной арматуры в вышерасположенных этажах колонны.
Диагональные связи должны привариваться к стержням продольной арматуры протяженными швами, длина швов не менее 5-ти диаметров арматуры связи.
Закладные изделия МН-5…МН-12 должны быть зафиксированы в проектном положении в форме
Закладные изделия МН-2 привариваются к продольным стержням пространственного каркаса дуговой сваркой односторонним швом.
Сборку пространственных каркасов рекомендуется производить на автоматизированных линиях технологии изготовления изделий.
Перечень выпусков, входящих в серию 1.020-1/87 приведен в выпуске 0-0.

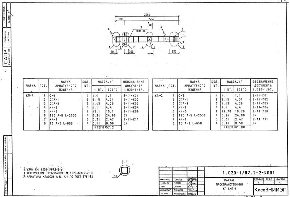
Каркас пространственный КП-1, КП-2 – 8 стр

938 × 636 пикс.     Открыть в новом окне  

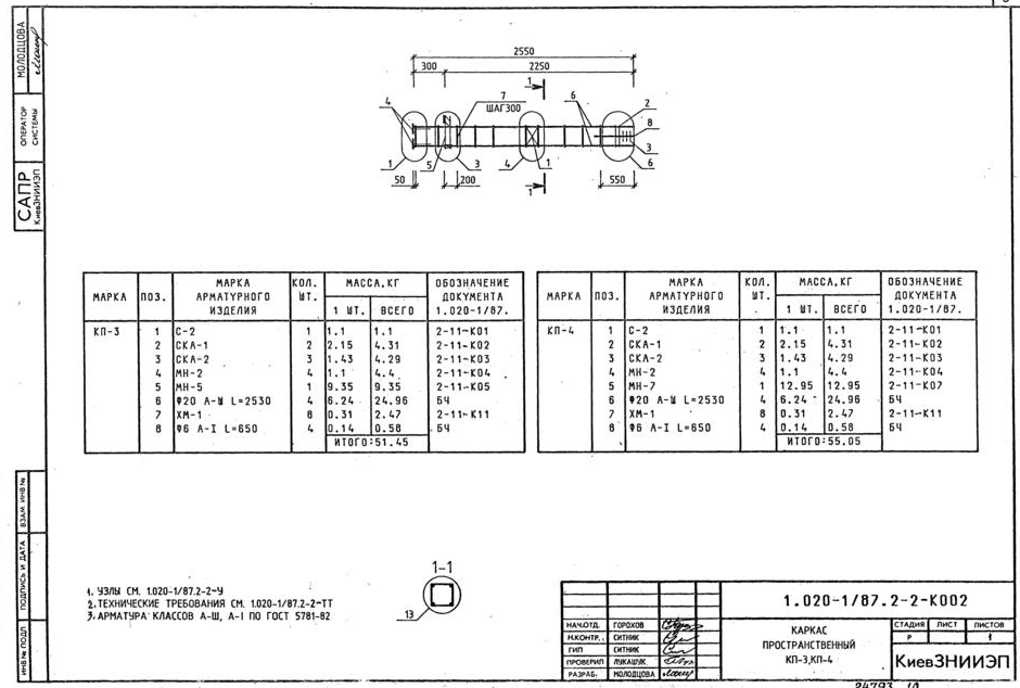
Каркас пространственный КП-3, КП-4 – 9 стр

940 × 634 пикс.     Открыть в новом окне  

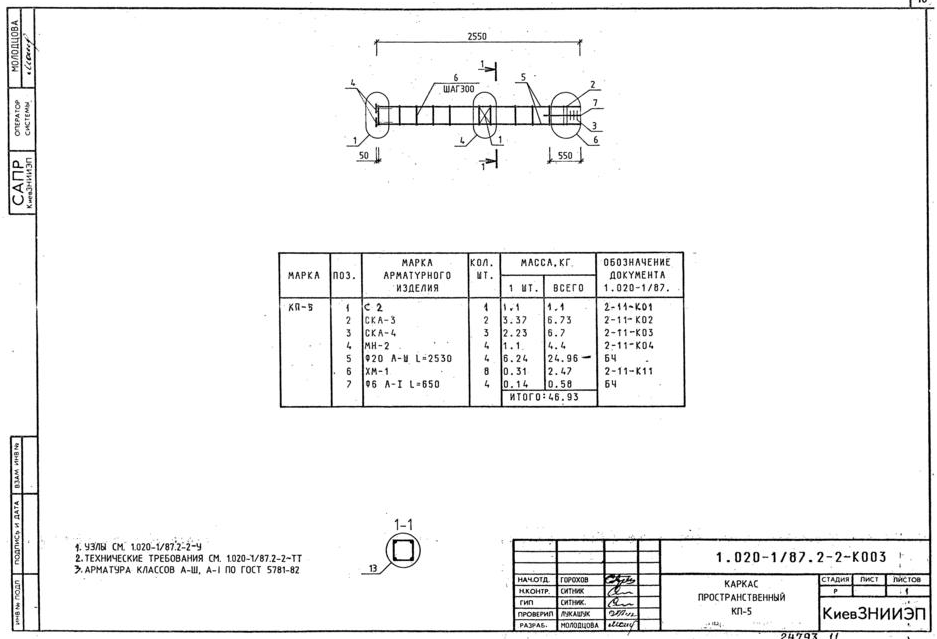
Каркас пространственный КП-5 – 10 стр

937 × 639 пикс.     Открыть в новом окне  

Каркас пространственный КП-6, КП-7 – 11 стр

946 × 642 пикс.     Открыть в новом окне  

Каркас пространственный КП-8, КП-9 – 12 стр

936 × 633 пикс.     Открыть в новом окне  

Каркас пространственный КП-10 – 13 стр

937 × 636 пикс.     Открыть в новом окне  

Каркас пространственный КП-11, КП-12 – 14 стр

937 × 635 пикс.     Открыть в новом окне  

Каркас пространственный КП-13, КП-14 – 15 стр

931 × 628 пикс.     Открыть в новом окне  

Каркас пространственный КП-15 – 16 стр

936 × 644 пикс.     Открыть в новом окне  

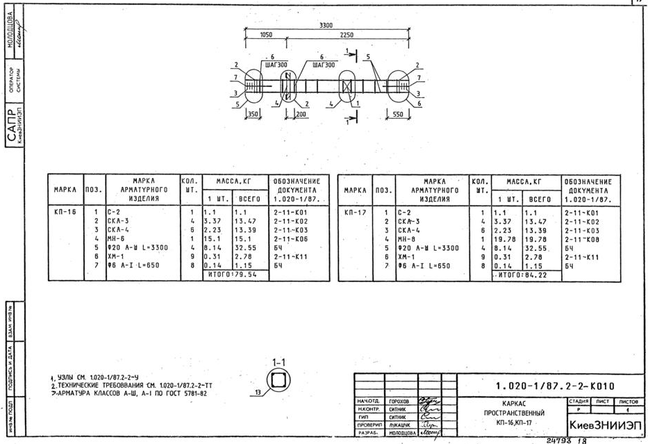
Каркас пространственный КП-16, КП-17 – 17 стр

933 × 639 пикс.     Открыть в новом окне  

Каркас пространственный КП-18, КП-19 – 18 стр

930 × 638 пикс.     Открыть в новом окне  

Каркас пространственный КП-20, КП-21 – 19 стр

937 × 631 пикс.     Открыть в новом окне  

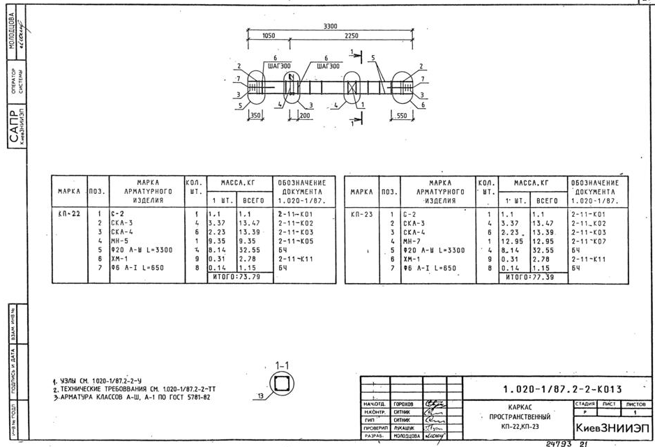
Каркас пространственный КП-22, КП-23 – 20 стр

939 × 641 пикс.     Открыть в новом окне  

Каркас пространственный КП-24, КП-25 – 21 стр

943 × 635 пикс.     Открыть в новом окне  

Каркас пространственный КП-26, КП-27 – 22 стр

940 × 639 пикс.     Открыть в новом окне  

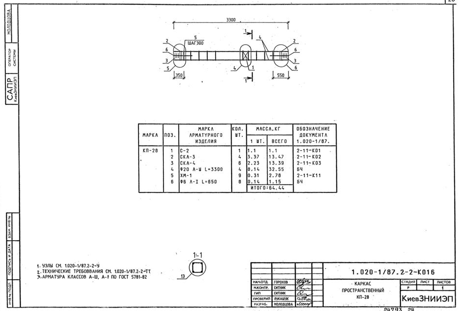
Каркас пространственный КП-28 – 23 стр

939 × 637 пикс.     Открыть в новом окне  

Каркас пространственный КП-29 – 24 стр

935 × 633 пикс.     Открыть в новом окне  

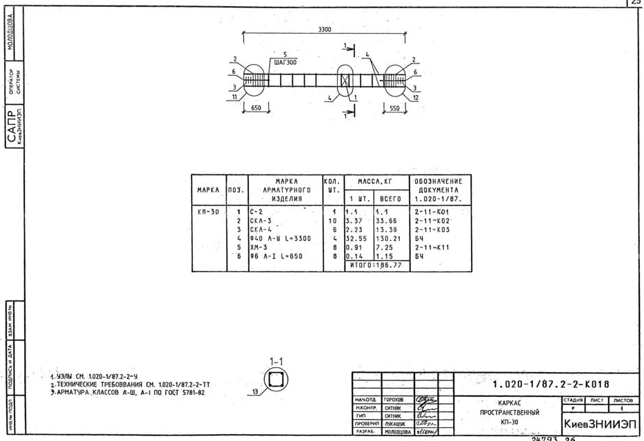
Каркас пространственный КП-30 – 25 стр

934 × 640 пикс.     Открыть в новом окне  

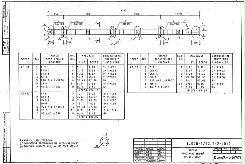
Каркас пространственный КП-31 - КП-33 – 26 стр

943 × 633 пикс.     Открыть в новом окне  

Каркас пространственный КП-34, КП-35 – 27 стр

936 × 634 пикс.     Открыть в новом окне  

Каркас пространственный КП-36 – 28 стр

939 × 645 пикс.     Открыть в новом окне  

Каркас пространственный КП-37, КП-38 – 29 стр

930 × 638 пикс.     Открыть в новом окне  

Каркас пространственный КП-37 – КП-42 – 30 стр

938 × 635 пикс.     Открыть в новом окне  

Каркас пространственный КП-43 – КП-45 – 31 стр

941 × 632 пикс.     Открыть в новом окне  

Каркас пространственный КП-46, КП-47 – 32 стр

936 × 628 пикс.     Открыть в новом окне  

Каркас пространственный КП-48, КП-49 – 33 стр

934 × 639 пикс.     Открыть в новом окне  

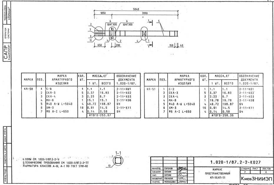
Каркас пространственный КП-50, КП-51 – 34 стр

930 × 628 пикс.     Открыть в новом окне  

Каркас пространственный КП-52 - КП-54 – 35 стр

929 × 634 пикс.     Открыть в новом окне  

Каркас пространственный КП-55, КП-56 – 36 стр

934 × 635 пикс.     Открыть в новом окне  

Каркас пространственный КП-57, КП-58 – 37 стр

932 × 640 пикс.     Открыть в новом окне  

Каркас пространственный КП-59, КП-60 – 38 стр

938 × 634 пикс.     Открыть в новом окне  

Каркас пространственный КП-61 - КП-63 – 39 стр

937 × 633 пикс.     Открыть в новом окне  

Каркас пространственный КП-64 – 40 стр

935 × 640 пикс.     Открыть в новом окне  

Каркас пространственный КП-65 – 41 стр

935 × 637 пикс.     Открыть в новом окне  

Каркас пространственный КП-66 – 42 стр

940 × 637 пикс.     Открыть в новом окне  

Каркас пространственный КП-67 – 43 стр

940 × 640 пикс.     Открыть в новом окне  

Каркас пространственный КП-68 – КП-70 – 44 стр

943 × 635 пикс.     Открыть в новом окне  

Каркас пространственный КП-71 – 45 стр

940 × 637 пикс.     Открыть в новом окне  

Каркас пространственный КП-72, КП-73 – 46 стр

936 × 634 пикс.     Открыть в новом окне  

Каркас пространственный КП-74, КП-75 – 47 стр

939 × 634 пикс.     Открыть в новом окне  

Каркас пространственный КП-76 - КП-78 – 48 стр

941 × 639 пикс.     Открыть в новом окне  

Каркас пространственный КП-79 – 49 стр

935 × 631 пикс.     Открыть в новом окне  

Каркас пространственный КП-80, КП-81 – 50 стр

938 × 627 пикс.     Открыть в новом окне  

Каркас пространственный КП-82 – 51 стр

937 × 644 пикс.     Открыть в новом окне  

Каркас пространственный КП-83 – 52 стр

946 × 637 пикс.     Открыть в новом окне  

Каркас пространственный КП-84 – 53 стр

938 × 634 пикс.     Открыть в новом окне  

Каркас пространственный КП-86 – 54 стр

942 × 641 пикс.     Открыть в новом окне  

Каркас пространственный КП-87 – 55 стр

931 × 636 пикс.     Открыть в новом окне  

Каркас пространственный КП-88 – 56 стр

926 × 634 пикс.     Открыть в новом окне  

Каркас пространственный КП-89 - КП-91 – 57 стр

940 × 633 пикс.     Открыть в новом окне  

Каркас пространственный КП-92 - КП-93 – 58 стр

936 × 636 пикс.     Открыть в новом окне  

Каркас пространственный КП-92 - КП-93 – 58 стр

936 × 636 пикс.     Открыть в новом окне  

Каркас пространственный КП-94 – 59 стр

934 × 634 пикс.     Открыть в новом окне  

Каркас пространственный КП-95 – 60 стр

935 × 635 пикс.     Открыть в новом окне  

Каркас пространственный КП-96 – 61 стр

933 × 635 пикс.     Открыть в новом окне  

Каркас пространственный КП-97 – 62 стр

939 × 632 пикс.     Открыть в новом окне  

Каркас пространственный КП-98 – 63 стр

936 × 636 пикс.     Открыть в новом окне  

Каркас пространственный КП-99, КП 100 – 64 стр

938 × 636 пикс.     Открыть в новом окне  

Каркас пространственный КП-101, КП 102 – 65 стр

937 × 639 пикс.     Открыть в новом окне  

Каркас пространственный КП-103 – 66 стр

942 × 643 пикс.     Открыть в новом окне  

Каркас пространственный КП-104 – 67 стр

940 × 645 пикс.     Открыть в новом окне  

Каркас пространственный КП-105 – 68 стр

938 × 640 пикс.     Открыть в новом окне  

Каркас пространственный КП-106 – 69 стр

935 × 640 пикс.     Открыть в новом окне  

Каркас пространственный КП-107 – 70 стр

941 × 642 пикс.     Открыть в новом окне  

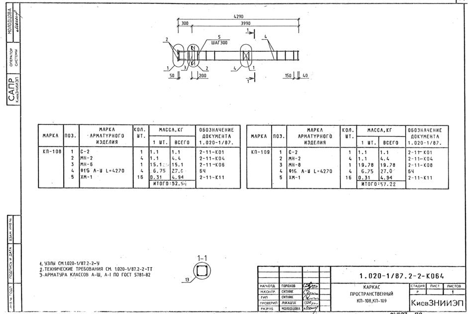
Каркас пространственный КП-108, КП-109 – 71 стр

939 × 631 пикс.     Открыть в новом окне  

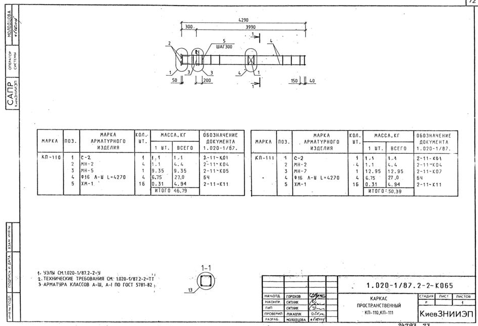
Каркас пространственный КП-110, КП-111 – 72 стр

940 × 642 пикс.     Открыть в новом окне  

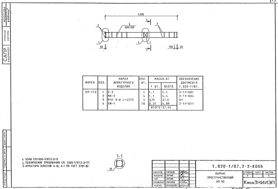
Каркас пространственный КП-112 – 73 стр

935 × 636 пикс.     Открыть в новом окне  

Каркас пространственный КП-113, КП-114 – 74 стр

943 × 632 пикс.     Открыть в новом окне  

Каркас пространственный КП-115, КП-116 – 75 стр

930 × 633 пикс.     Открыть в новом окне  

Каркас пространственный КП-117 – 76 стр

933 × 635 пикс.     Открыть в новом окне  

Каркас пространственный КП-118, КП-119 – 77 стр

938 × 638 пикс.     Открыть в новом окне  

Каркас пространственный КП-120, КП-121. Сборочный чертеж – 78 стр

943 × 636 пикс.     Открыть в новом окне  

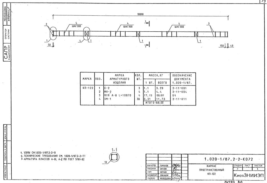
Каркас пространственный КП-122 – 79 стр

938 × 642 пикс.     Открыть в новом окне  

Каркас пространственный КП-122 – 80 стр

938 × 642 пикс.     Открыть в новом окне  

Каркас пространственный КП-123, КП-124 – 80 стр

935 × 629 пикс.     Открыть в новом окне  

Каркас пространственный КП-125, КП-126 – 81 стр

934 × 634 пикс.     Открыть в новом окне  

Каркас пространственный КП-127 – 82 стр

935 × 643 пикс.     Открыть в новом окне  

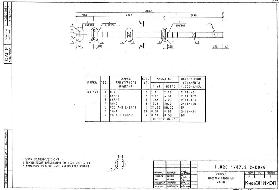
Каркас пространственный КП-128 – 83 стр

941 × 639 пикс.     Открыть в новом окне  

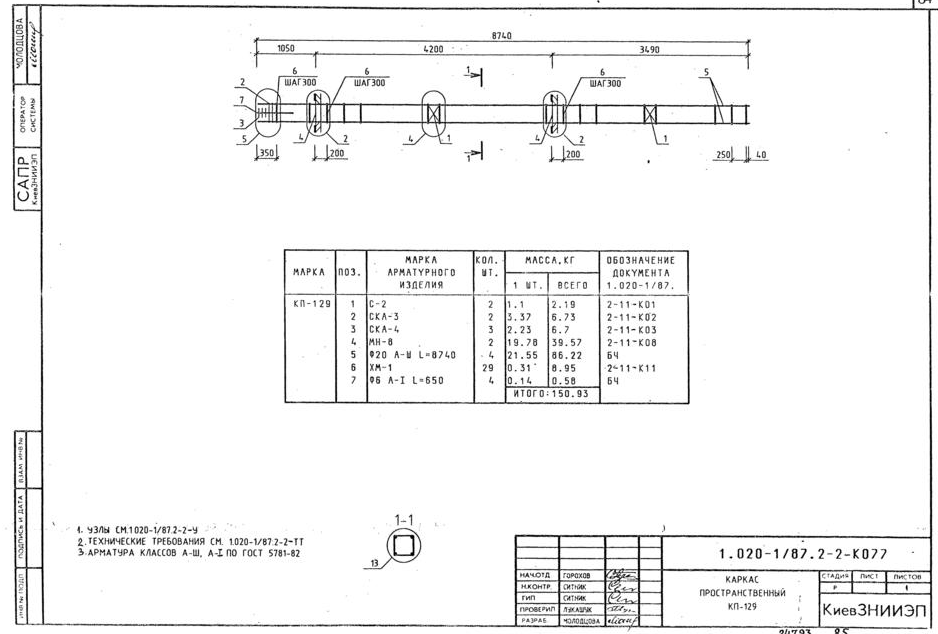
Каркас пространственный КП-129 – 84 стр

938 × 634 пикс.     Открыть в новом окне  

Каркас пространственный КП-130 – 85 стр

934 × 630 пикс.     Открыть в новом окне  

Каркас пространственный КП-131, КП-132 – 86 стр

939 × 638 пикс.     Открыть в новом окне  

Каркас пространственный КП-133, КП-134 – 87 стр

938 × 634 пикс.     Открыть в новом окне  

Каркас пространственный КП-135 - КП-137 – 88 стр

942 × 638 пикс.     Открыть в новом окне  

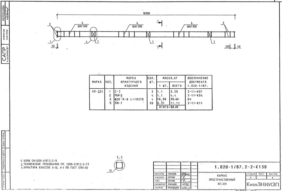
Каркас пространственный КП-138 - КП-141 – 89 стр

936 × 633 пикс.     Открыть в новом окне  

Каркас пространственный КП-142 - КП-143 – 90 стр

937 × 640 пикс.     Открыть в новом окне  

Каркас пространственный КП-144 – 91 стр

927 × 636 пикс.     Открыть в новом окне  

Каркас пространственный КП-145 – 92 стр

936 × 632 пикс.     Открыть в новом окне  

Каркас пространственный КП-146 – КП148 – 93 стр

932 × 638 пикс.     Открыть в новом окне  

Каркас пространственный КП-149 – КП152 – 94 стр

941 × 633 пикс.     Открыть в новом окне  

Каркас пространственный КП-153 – 95 стр

934 × 629 пикс.     Открыть в новом окне  

Каркас пространственный КП-154, КП-155 – 96 стр

937 × 636 пикс.     Открыть в новом окне  

Каркас пространственный КП-156 - КП-159 – 97 стр

934 × 636 пикс.     Открыть в новом окне  

Каркас пространственный КП-160 – 98 стр

937 × 635 пикс.     Открыть в новом окне  

Каркас пространственный КП-161 – КП-163 – 99 стр

935 × 636 пикс.     Открыть в новом окне  

Каркас пространственный КП-164 – 100 стр

943 × 637 пикс.     Открыть в новом окне  

Каркас пространственный КП-165 – КП-166 – 101 стр

936 × 641 пикс.     Открыть в новом окне  

Каркас пространственный КП-167, КП-168 – 102 стр

933 × 632 пикс.     Открыть в новом окне  

Каркас пространственный КП-169 – 103 стр

931 × 635 пикс.     Открыть в новом окне  

Каркас пространственный КП-170 – 104 стр

939 × 640 пикс.     Открыть в новом окне  

Каркас пространственный КП-171 – 105 стр

930 × 630 пикс.     Открыть в новом окне  

Каркас пространственный КП-172 – 106 стр

940 × 646 пикс.     Открыть в новом окне  

Каркас пространственный КП-173 – КП-175 – 107 стр

936 × 635 пикс.     Открыть в новом окне  

Каркас пространственный КП-176, КП-177 – 108 стр

934 × 632 пикс.     Открыть в новом окне  

Каркас пространственный КП-178, КП-179 – 109 стр

933 × 642 пикс.     Открыть в новом окне  

Каркас пространственный КП-180 – 110 стр

930 × 636 пикс.     Открыть в новом окне  

Каркас пространственный КП-181 – 111 стр

935 × 632 пикс.     Открыть в новом окне  

Каркас пространственный КП-182, КП-183 – 112 стр

934 × 628 пикс.     Открыть в новом окне  

Каркас пространственный КП-184, КП-185 – 113 стр

935 × 637 пикс.     Открыть в новом окне  

Каркас пространственный КП-186 – 114 стр

932 × 631 пикс.     Открыть в новом окне  

Каркас пространственный КП-187, КП-188 – 115 стр

933 × 636 пикс.     Открыть в новом окне  

Каркас пространственный КП-189 – 116 стр

936 × 640 пикс.     Открыть в новом окне  

Каркас пространственный КП-190 – КП-192 – 117 стр

935 × 631 пикс.     Открыть в новом окне  

Каркас пространственный КП-193 – 118 стр

931 × 635 пикс.     Открыть в новом окне  

Каркас пространственный КП-194, КП-195 – 119 стр

944 × 641 пикс.     Открыть в новом окне  

Каркас пространственный КП-196 – 120 стр

928 × 636 пикс.     Открыть в новом окне  

Каркас пространственный КП-197 – 121 стр

927 × 634 пикс.     Открыть в новом окне  

Каркас пространственный КП-198 – 122 стр

938 × 638 пикс.     Открыть в новом окне  

Каркас пространственный КП-199, КП-200 – 123 стр

933 × 636 пикс.     Открыть в новом окне  

Каркас пространственный КП-201 – 124 стр

940 × 646 пикс.     Открыть в новом окне  

Каркас пространственный КП-202 – 125 стр

941 × 635 пикс.     Открыть в новом окне  

Каркас пространственный КП-203 – КП-205 – 126 стр

936 × 636 пикс.     Открыть в новом окне  

Каркас пространственный КП-206, КП-207 – 127 стр

935 × 642 пикс.     Открыть в новом окне  

Каркас пространственный КП-208 – 128 стр

938 × 633 пикс.     Открыть в новом окне  

Каркас пространственный КП-209 – 129 стр

937 × 636 пикс.     Открыть в новом окне  

Каркас пространственный КП-210 – 130 стр

940 × 634 пикс.     Открыть в новом окне  

Каркас пространственный КП-211 – 131 стр

935 × 633 пикс.     Открыть в новом окне  

Каркас пространственный КП-212 – 132 стр

940 × 639 пикс.     Открыть в новом окне  

Каркас пространственный КП-213, КП-214 – 133 стр

938 × 641 пикс.     Открыть в новом окне  

Каркас пространственный КП-213, КП-214 – 133 стр

938 × 641 пикс.     Открыть в новом окне  

Каркас пространственный КП-215, КП-216 – 134 стр

938 × 644 пикс.     Открыть в новом окне  

Каркас пространственный КП-217 – 135 стр

932 × 632 пикс.     Открыть в новом окне  

Каркас пространственный КП-218 – 136 стр

934 × 640 пикс.     Открыть в новом окне  

Каркас пространственный КП-219 – 137 стр

937 × 645 пикс.     Открыть в новом окне  

Каркас пространственный КП-220 – 138 стр

938 × 634 пикс.     Открыть в новом окне  

Каркас пространственный КП-221 – 139 стр

939 × 639 пикс.     Открыть в новом окне  

Каркас пространственный КП-222, КП-223 – 140 стр

935 × 639 пикс.     Открыть в новом окне  

Каркас пространственный КП-224, КП-225 – 141 стр

931 × 634 пикс.     Открыть в новом окне  

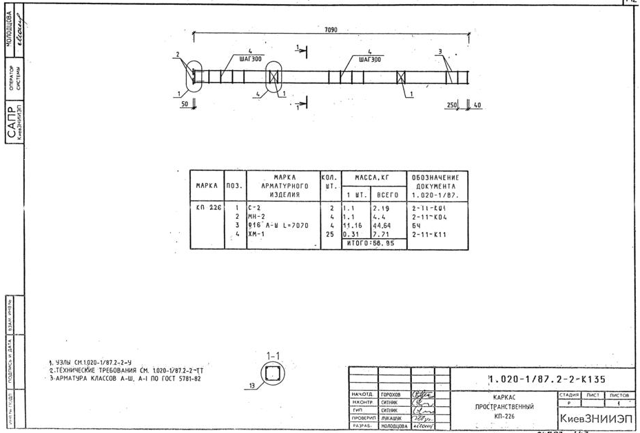
Каркас пространственный КП-226 – 142 стр

929 × 629 пикс.     Открыть в новом окне  

Каркас пространственный КП-227, КП-228 – 143 стр

937 × 642 пикс.     Открыть в новом окне  

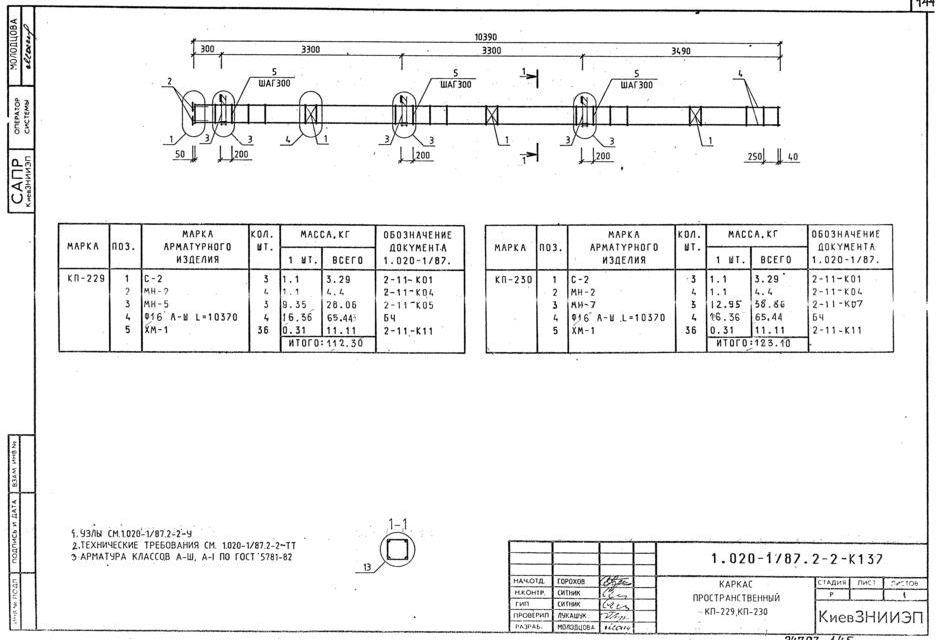
Каркас пространственный КП-229, КП-230 – 144 стр

936 × 640 пикс.     Открыть в новом окне  

Каркас пространственный КП-231 – 145 стр

929 × 629 пикс.     Открыть в новом окне  

Каркас пространственный КП-232 – 146 стр

947 × 644 пикс.     Открыть в новом окне  

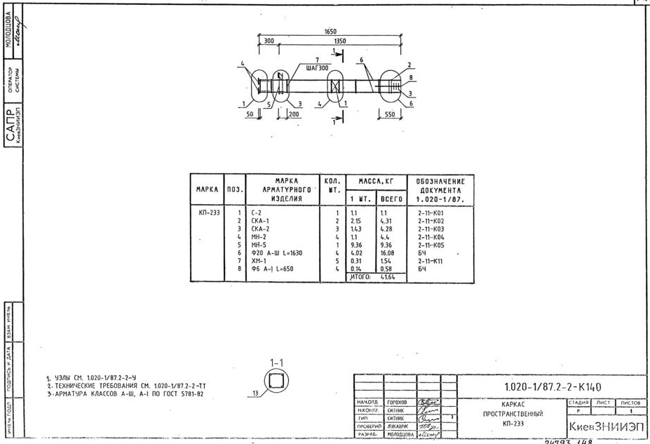
Каркас пространственный КП-233 – 147 стр

927 × 633 пикс.     Открыть в новом окне  

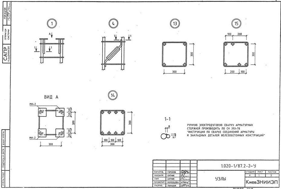
Узлы – 148 стр

929 × 628 пикс.     Открыть в новом окне  
924 × 628 пикс.     Открыть в новом окне  
925 × 632 пикс.     Открыть в новом окне

Классы

Выбранные классы объекта Строительные материалы

Продукция

Подождите идет загрузка ....

Присоединяйтесь к рассылке!

Оформляя подписку, вы принимаете политику конфиденциальности ЖБИ-СНГ.ру