Выбран город Омск
Ваша корзина пуста

Серия 1.020-1/87 Конструкции каркаса межвидового применения для многоэтажных общественных зданий, производственных и вспомогательных зданий промышленных предприятий. Выпуск 2-8 Колонны для зданий с высотой этажей 4,8; 4,8 (6,0) и 3,6 (4,8) м. Пространстве

Описание

Рабочие чертежи

Содержание – 2 стр

994 × 679 пикс.     Открыть в новом окне  
989 × 672 пикс.     Открыть в новом окне  
991 × 666 пикс.     Открыть в новом окне  
995 × 678 пикс.     Открыть в новом окне  
992 × 673 пикс.     Открыть в новом окне  

Технические требования – 7 стр

Настоящий выпуск содержит рабочие чертежи пространственных каркасов колонн сечением 400х400 мм выпуска 2-7.
Пространственные каркасы собираются из отдельных стержней, замкнутых хомутов, сеток косвенного армирования и закладных изделий при помощи контактной сварки.
Сварка стержней выполняется в соответствии с требованиями ГОСТ 14098-85 для соединений с нормируемой прочностью.
В зависимости от расчетных усилий предусмотрено изменение армирования пространственного каркаса по его длине обрывом продольной арматуры в вышерасположенных этажах колонны.
Диагональные связи должны привариваться к стержням продольной арматуры протяженными швами, длина швов не менее 5-ти диаметров арматуры связи.
Закладные изделия МН-5…МН-12 должны быть зафиксированы в проектном положении в форме
Закладные изделия МН-2 привариваются к продольным стержням пространственного каркаса дуговой сваркой односторонним швом.
Сборку пространственных каркасов рекомендуется производить на автоматизированных линиях согласно указаниям выпуска 0-7 «Указания по заводской технологии изготовления изделий».
Перечень выпусков, входящих в серию 1.020-1/87 приведен в выпуске 0-0.

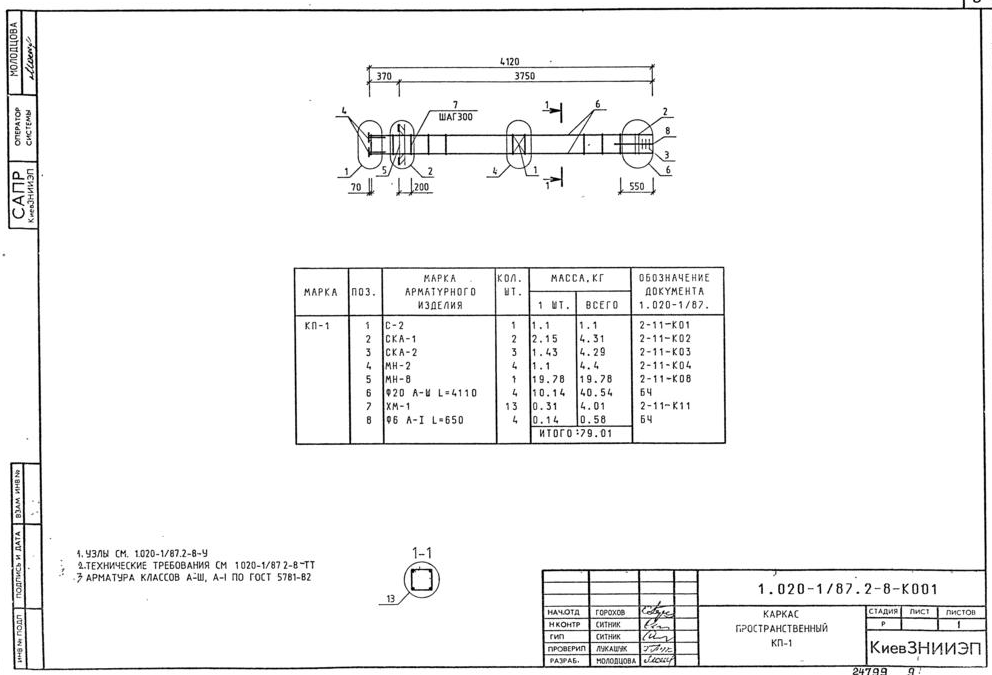
Каркас пространственный КП-1 – 8 стр

992 × 675 пикс.     Открыть в новом окне  

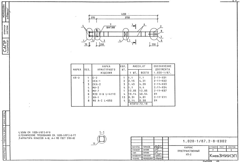
Каркас пространственный КП-2 – 9 стр

993 × 672 пикс.     Открыть в новом окне  

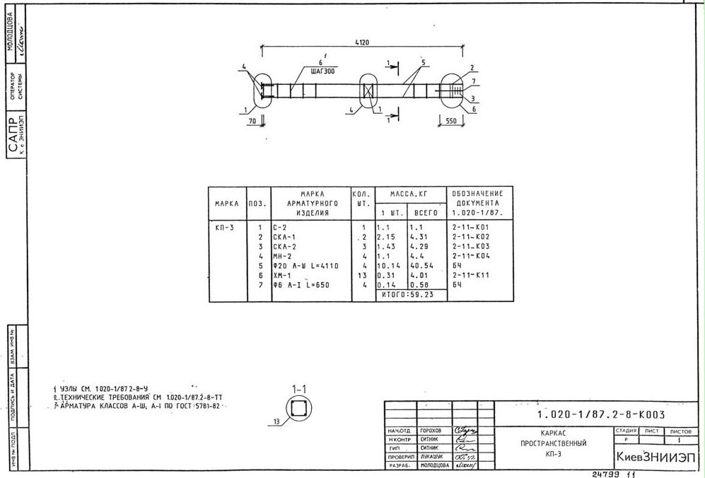
Каркас пространственный КП-3 – 10 стр

997 × 676 пикс.     Открыть в новом окне  

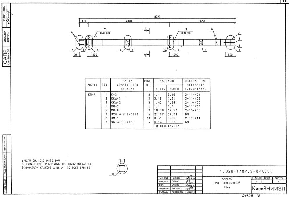
Каркас пространственный КП-4 – 11 стр

988 × 675 пикс.     Открыть в новом окне  

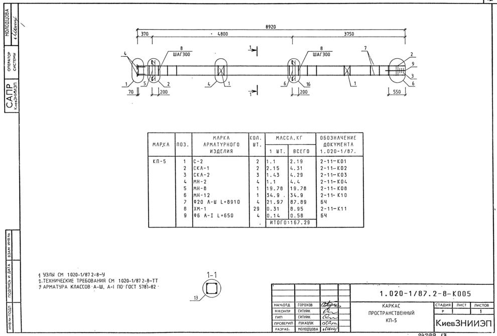
Каркас пространственный КП-5 – 12 стр

990 × 669 пикс.     Открыть в новом окне  

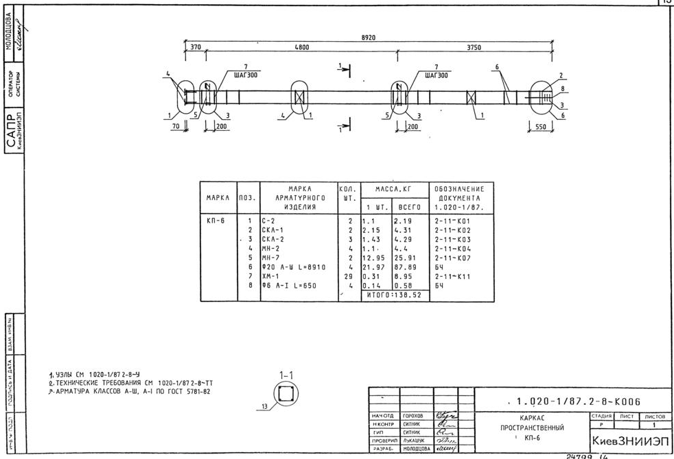
Каркас пространственный КП-6 – 13 стр

982 × 670 пикс.     Открыть в новом окне  

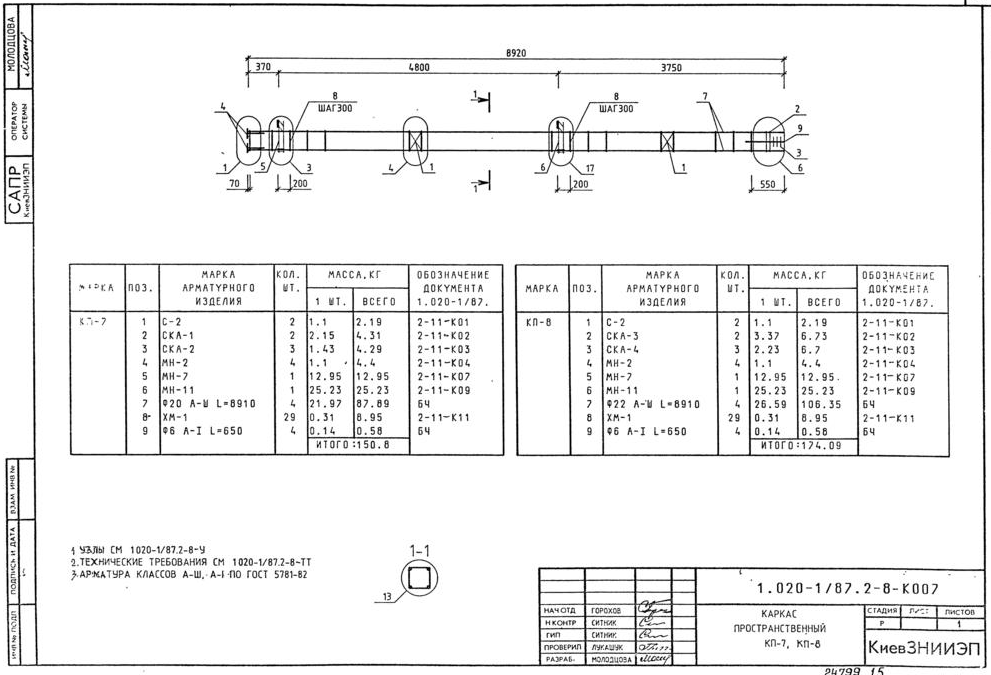
Каркас пространственный КП-7, КП-8 – 14 стр

991 × 675 пикс.     Открыть в новом окне  

Каркас пространственный КП-9, КП-10 – 15 стр

982 × 682 пикс.     Открыть в новом окне  

Каркас пространственный КП-11 – 16 стр

984 × 679 пикс.     Открыть в новом окне  

Каркас пространственный КП-12, КП-13 – 17 стр

988 × 665 пикс.     Открыть в новом окне  

Каркас пространственный КП-14 – 18 стр

984 × 673 пикс.     Открыть в новом окне  

Каркас пространственный КП-15, КП-16 – 19 стр

991 × 661 пикс.     Открыть в новом окне  

Каркас пространственный КП-17 – 20 стр

994 × 675 пикс.     Открыть в новом окне  

Каркас пространственный КП-18, КП-19 – 21 стр

990 × 672 пикс.     Открыть в новом окне  

Каркас пространственный КП-20 – 22 стр

987 × 682 пикс.     Открыть в новом окне  

Каркас пространственный КП-21 – 23 стр

985 × 671 пикс.     Открыть в новом окне  

Каркас пространственный КП-22 – 24 стр

986 × 662 пикс.     Открыть в новом окне  

Каркас пространственный КП-23 – 25 стр

993 × 672 пикс.     Открыть в новом окне  

Каркас пространственный КП-24 – 26 стр

986 × 681 пикс.     Открыть в новом окне  

Каркас пространственный КП-25 – 27 стр

995 × 674 пикс.     Открыть в новом окне  

Каркас пространственный КП-26 – 28 стр

983 × 679 пикс.     Открыть в новом окне  

Каркас пространственный КП-27 – 29 стр

986 × 673 пикс.     Открыть в новом окне  

Каркас пространственный КП-28 – 30 стр

991 × 674 пикс.     Открыть в новом окне  

Каркас пространственный КП-29 – 31 стр

990 × 668 пикс.     Открыть в новом окне  

Каркас пространственный КП-30 – 32 стр

993 × 668 пикс.     Открыть в новом окне  

Каркас пространственный КП-31 – 33 стр

988 × 668 пикс.     Открыть в новом окне  

Каркас пространственный КП-32 – 34 стр

978 × 659 пикс.     Открыть в новом окне  

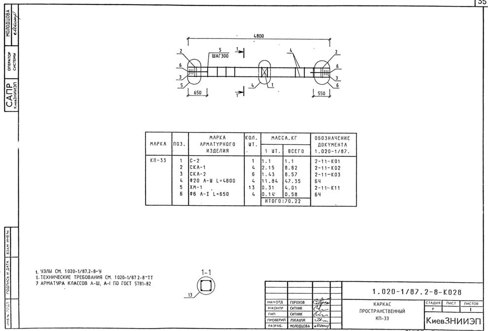
Каркас пространственный КП-33 – 35 стр

989 × 672 пикс.     Открыть в новом окне  

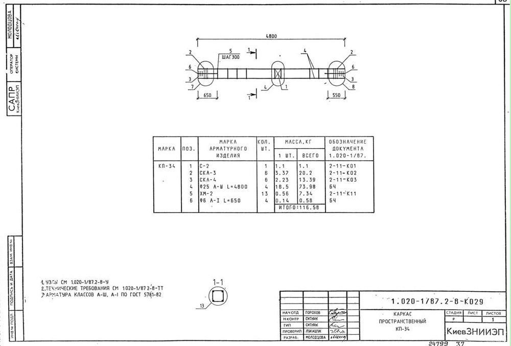
Каркас пространственный КП-34 – 36 стр

1000 × 677 пикс.     Открыть в новом окне  

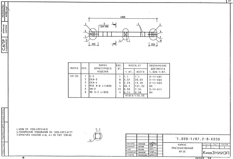
Каркас пространственный КП-35 – 37 стр

991 × 676 пикс.     Открыть в новом окне  

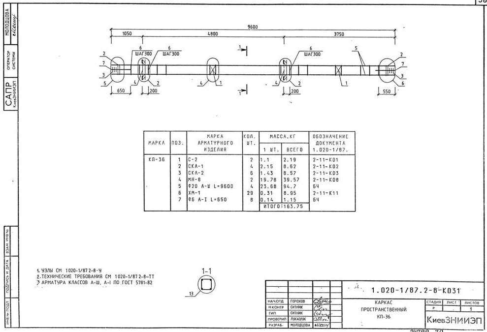
Каркас пространственный КП-36 – 38 стр

989 × 675 пикс.     Открыть в новом окне  

Каркас пространственный КП-37 – 39 стр

991 × 680 пикс.     Открыть в новом окне  

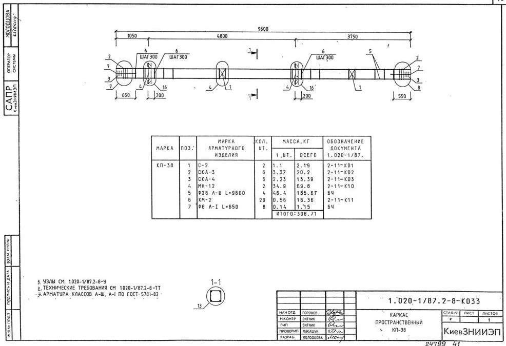
Каркас пространственный КП-38 – 40 стр

986 × 675 пикс.     Открыть в новом окне  

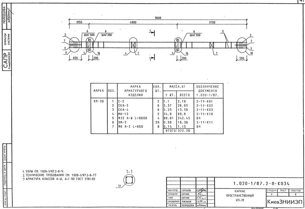
Каркас пространственный КП-39 – 41 стр

988 × 675 пикс.     Открыть в новом окне  

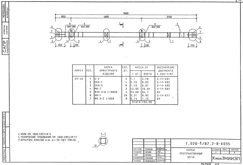
Каркас пространственный КП-40 – 42 стр

990 × 675 пикс.     Открыть в новом окне  

Каркас пространственный КП-41 – 43 стр

994 × 679 пикс.     Открыть в новом окне  

Каркас пространственный КП-42, КП-43 – 44 стр

983 × 665 пикс.     Открыть в новом окне  

Каркас пространственный КП-44, КП-45 – 45 стр

984 × 673 пикс.     Открыть в новом окне  

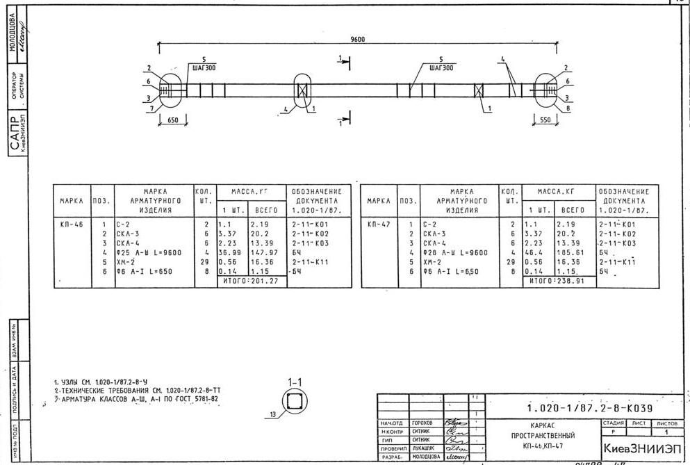
Каркас пространственный КП-46, КП-47 – 46 стр

993 × 669 пикс.     Открыть в новом окне  

Каркас пространственный КП-48 – 47 стр

987 × 678 пикс.     Открыть в новом окне  

Каркас пространственный КП-49 – 48 стр

989 × 676 пикс.     Открыть в новом окне  

Каркас пространственный КП-50, КП-51 – 49 стр

987 × 663 пикс.     Открыть в новом окне  

Каркас пространственный КП-52 – 50 стр

994 × 678 пикс.     Открыть в новом окне  

Каркас пространственный КП-53, КП-54 – 51 стр

988 × 670 пикс.     Открыть в новом окне  

Каркас пространственный КП-55 – 52 стр

991 × 681 пикс.     Открыть в новом окне  

Каркас пространственный КП-56, КП-57 – 53 стр

995 × 664 пикс.     Открыть в новом окне  

Каркас пространственный КП-58 – 54 стр

993 × 679 пикс.     Открыть в новом окне  

Каркас пространственный КП-59 – 55 стр

993 × 667 пикс.     Открыть в новом окне  

Каркас пространственный КП-60, КП-61 – 56 стр

995 × 677 пикс.     Открыть в новом окне  

Каркас пространственный КП-62 – 57 стр

985 × 676 пикс.     Открыть в новом окне  

Каркас пространственный КП-63, КП-64 – 58 стр

993 × 673 пикс.     Открыть в новом окне  

Каркас пространственный КП-65 – 59 стр

989 × 672 пикс.     Открыть в новом окне  

Каркас пространственный КП-66 – 60 стр

995 × 683 пикс.     Открыть в новом окне  

Каркас пространственный КП-67 – 61 стр

986 × 670 пикс.     Открыть в новом окне  

Каркас пространственный КП-68 – 62 стр

986 × 672 пикс.     Открыть в новом окне  

Каркас пространственный КП-69, КП-70 – 63 стр

994 × 670 пикс.     Открыть в новом окне  

Каркас пространственный КП-71 – 64 стр

991 × 671 пикс.     Открыть в новом окне  

Каркас пространственный КП-72 – 65 стр

994 × 665 пикс.     Открыть в новом окне  

Каркас пространственный КП-73 – 66 стр

990 × 668 пикс.     Открыть в новом окне  

Каркас пространственный КП-74, КП-75 – 67 стр

995 × 672 пикс.     Открыть в новом окне  

Каркас пространственный КП-76 – 68 стр

992 × 671 пикс.     Открыть в новом окне  

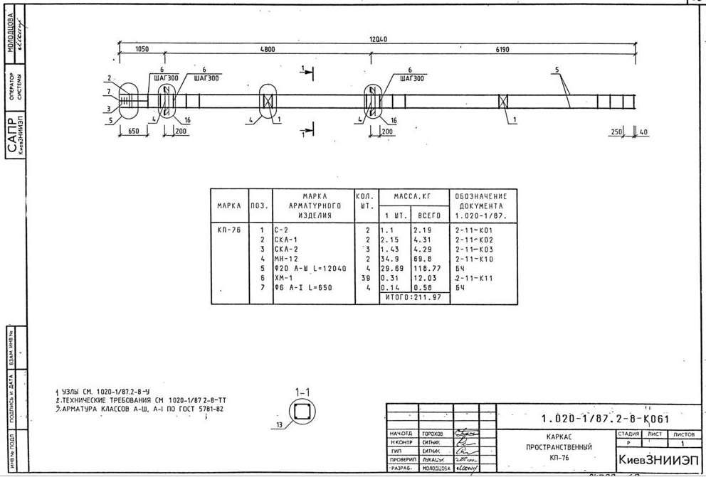
Каркас пространственный КП-77 – 69 стр

990 × 677 пикс.     Открыть в новом окне  

Каркас пространственный КП-78, КП-79 – 70 стр

988 × 677 пикс.     Открыть в новом окне  

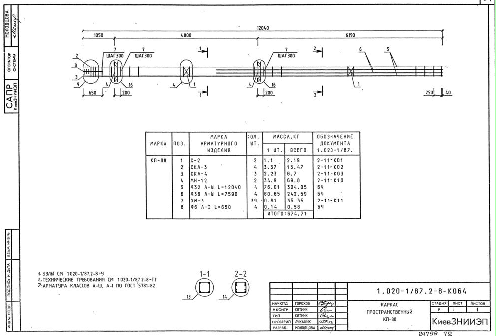
Каркас пространственный КП-80 – 71 стр

998 × 677 пикс.     Открыть в новом окне  

Каркас пространственный КП-81 – 72 стр

992 × 674 пикс.     Открыть в новом окне  

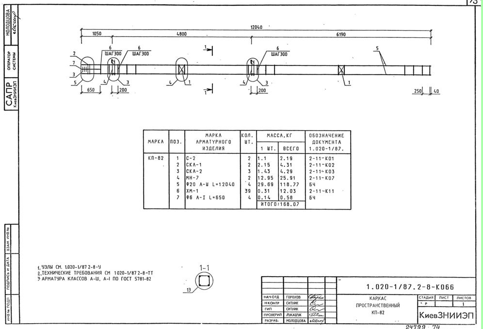
Каркас пространственный КП-82 – 73 стр

996 × 678 пикс.     Открыть в новом окне  

Каркас пространственный КП-83 – 74 стр

988 × 679 пикс.     Открыть в новом окне  

Каркас пространственный КП-84, КП-85 – 75 стр

988 × 661 пикс.     Открыть в новом окне  

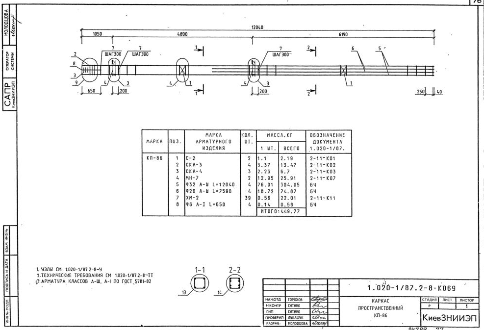
Каркас пространственный КП-86 – 76 стр

987 × 673 пикс.     Открыть в новом окне  

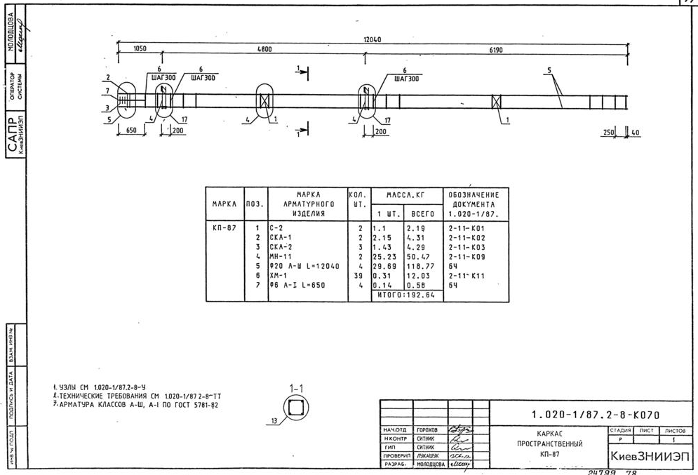
Каркас пространственный КП-87 – 77 стр

995 × 677 пикс.     Открыть в новом окне  

Каркас пространственный КП-88 – 78 стр

999 × 684 пикс.     Открыть в новом окне  

Каркас пространственный КП-88 – 78 стр

999 × 684 пикс.     Открыть в новом окне  

Каркас пространственный КП-89, КП-90 – 79 стр

995 × 677 пикс.     Открыть в новом окне  

Каркас пространственный КП-91, КП-92 – 80 стр

993 × 671 пикс.     Открыть в новом окне  

Каркас пространственный КП-93 – 81 стр

994 × 676 пикс.     Открыть в новом окне  

Каркас пространственный КП-94 – 82 стр

990 × 676 пикс.     Открыть в новом окне  

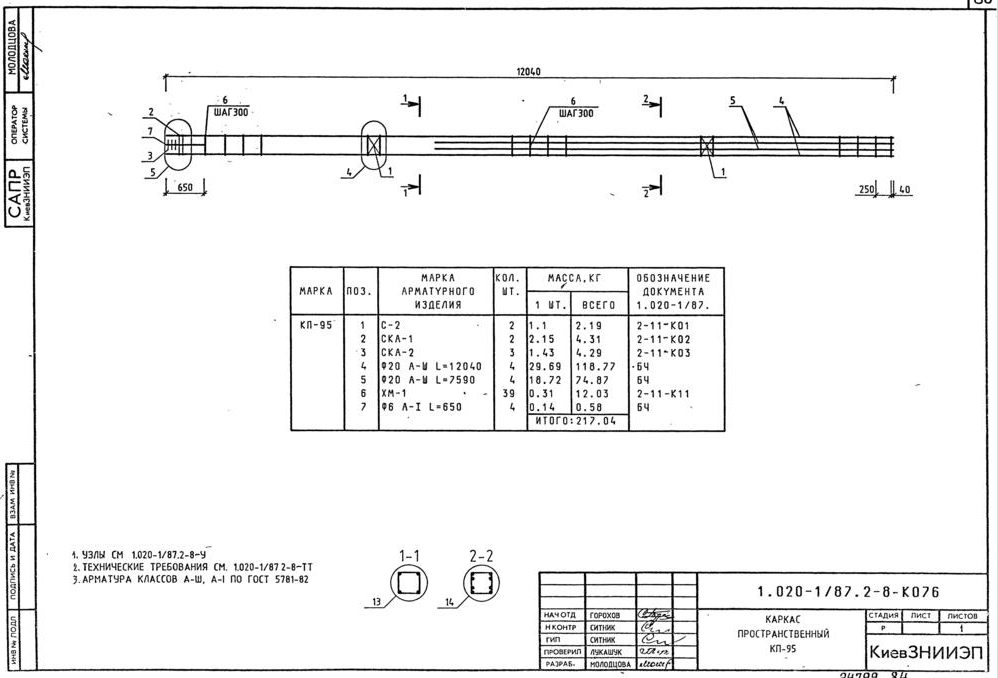
Каркас пространственный КП-95 – 83 стр

998 × 678 пикс.     Открыть в новом окне  

Каркас пространственный КП-96, КП-97 – 84 стр

994 × 676 пикс.     Открыть в новом окне  

Каркас пространственный КП-98, КП-99 – 85 стр

996 × 676 пикс.     Открыть в новом окне  

Каркас пространственный КП-100 – 86 стр

999 × 685 пикс.     Открыть в новом окне  

Каркас пространственный КП-101 – 87 стр

994 × 675 пикс.     Открыть в новом окне  

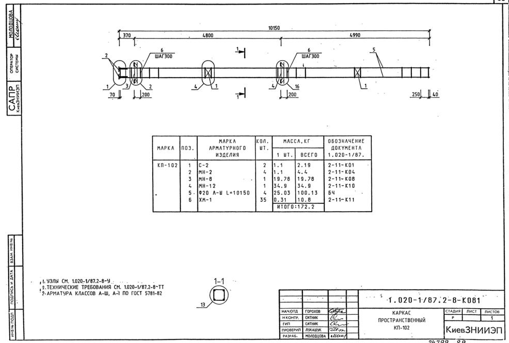
Каркас пространственный КП-102 – 88 стр

990 × 668 пикс.     Открыть в новом окне  

Каркас пространственный КП-103 – 89 стр

996 × 677 пикс.     Открыть в новом окне  

Каркас пространственный КП-104 – 90 стр

996 × 673 пикс.     Открыть в новом окне  

Каркас пространственный КП-105 – 91 стр

989 × 675 пикс.     Открыть в новом окне  

Каркас пространственный КП-106, КП- 107 – 92 стр

986 × 687 пикс.     Открыть в новом окне  

Каркас пространственный КП-108 – 93 стр

995 × 679 пикс.     Открыть в новом окне  

Каркас пространственный КП-109, КП-110 – 94 стр

985 × 681 пикс.     Открыть в новом окне  

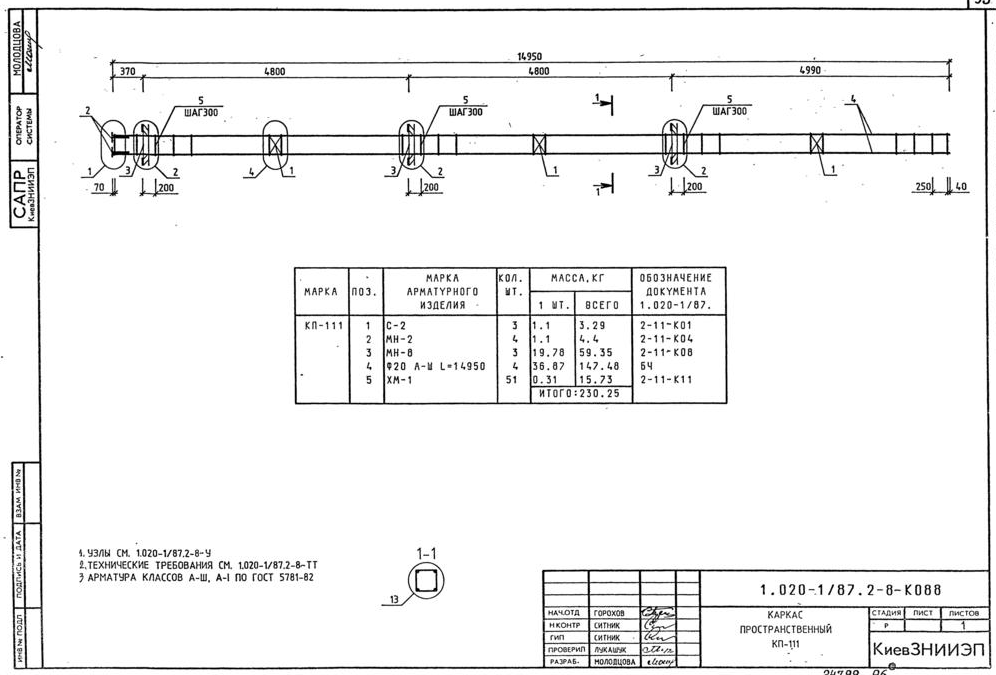
Каркас пространственный КП-111– 95 стр

996 × 675 пикс.     Открыть в новом окне  

Каркас пространственный КП-112– 96 стр

1000 × 679 пикс.     Открыть в новом окне  

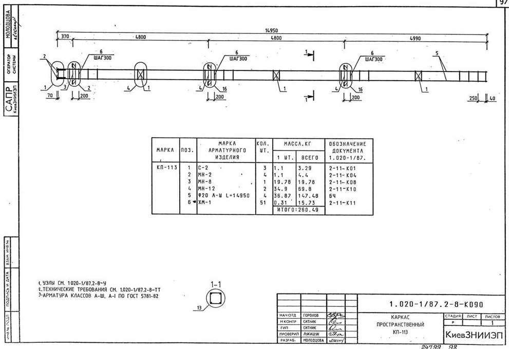
Каркас пространственный КП-113 – 97 стр

991 × 679 пикс.     Открыть в новом окне  

Каркас пространственный КП-114, КП-115 – 98 стр

985 × 679 пикс.     Открыть в новом окне  

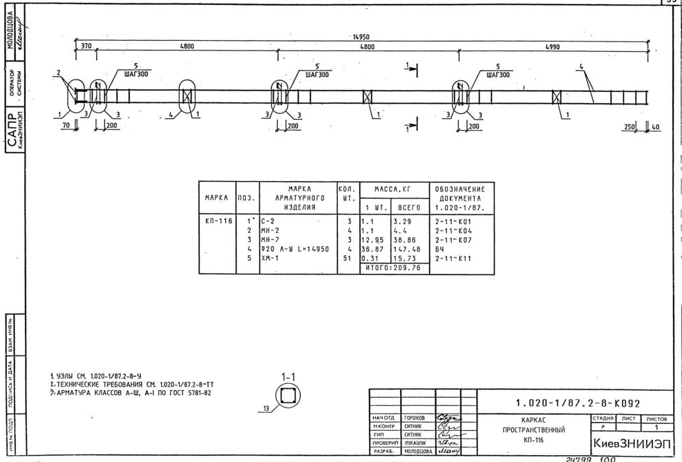
Каркас пространственный КП-116 – 99 стр

987 × 668 пикс.     Открыть в новом окне  

Каркас пространственный КП-117 – 100 стр

994 × 679 пикс.     Открыть в новом окне  

Каркас пространственный КП-118, КП-119 – 101 стр

985 × 670 пикс.     Открыть в новом окне  

Каркас пространственный КП-120 – 102 стр

992 × 675 пикс.     Открыть в новом окне  

Каркас пространственный КП-121, КП-122 – 103 стр

986 × 672 пикс.     Открыть в новом окне  

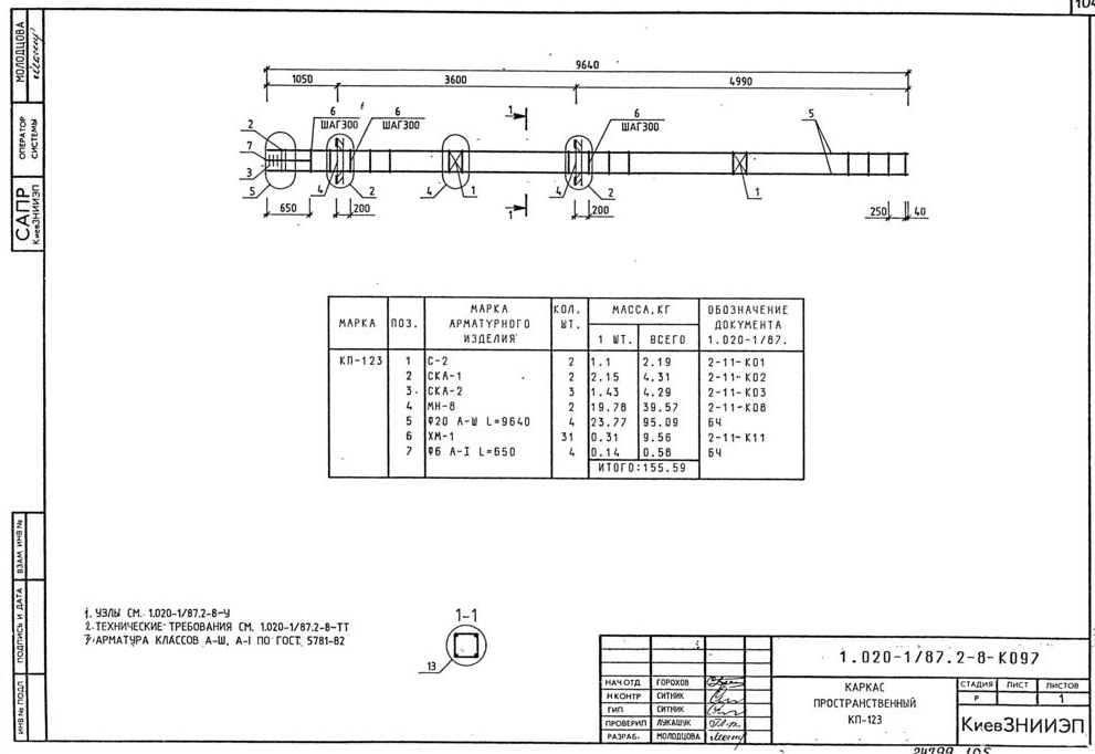
Каркас пространственный КП-123 – 104 стр

991 × 682 пикс.     Открыть в новом окне  

Каркас пространственный КП-124 – 105 стр

997 × 673 пикс.     Открыть в новом окне  

Каркас пространственный КП-125, КП-126 – 106 стр

992 × 673 пикс.     Открыть в новом окне  

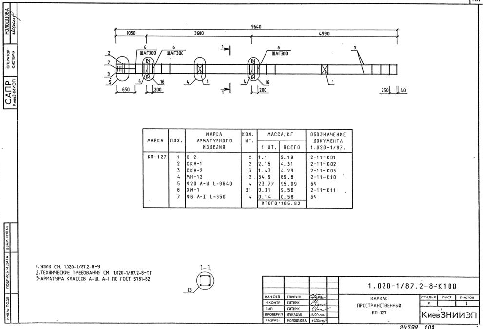
Каркас пространственный КП-127 – 107 стр

995 × 679 пикс.     Открыть в новом окне  

Каркас пространственный КП-128 – 108 стр

993 × 677 пикс.     Открыть в новом окне  

Каркас пространственный КП-129, КП-131 – 109 стр

996 × 666 пикс.     Открыть в новом окне  

Каркас пространственный КП-132 – 110 стр

988 × 669 пикс.     Открыть в новом окне  

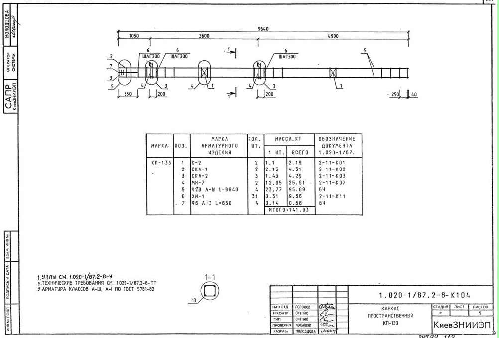
Каркас пространственный КП-133 – 111 стр

1002 × 678 пикс.     Открыть в новом окне  

Каркас пространственный КП-134 – 112 стр

995 × 684 пикс.     Открыть в новом окне  

Каркас пространственный КП-135 – 113 стр

995 × 662 пикс.     Открыть в новом окне  

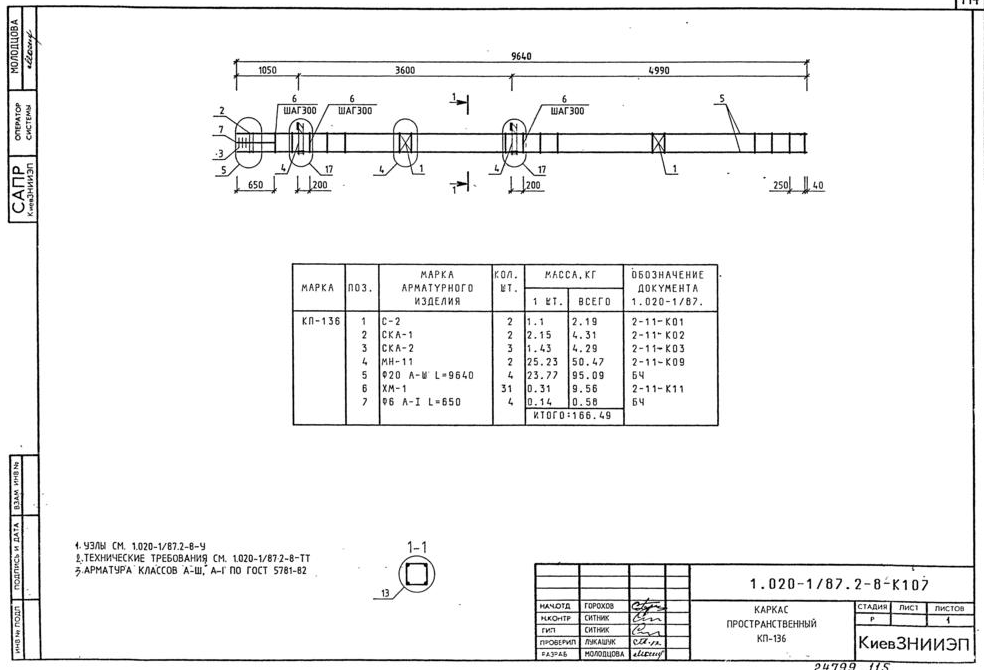
Каркас пространственный КП-136 – 114 стр

984 × 670 пикс.     Открыть в новом окне  

Каркас пространственный КП-137 – 115 стр

989 × 672 пикс.     Открыть в новом окне  

Каркас пространственный КП-138, КП-139 – 116 стр

978 × 675 пикс.     Открыть в новом окне  

Каркас пространственный КП-140 – 117 стр

980 × 667 пикс.     Открыть в новом окне  

Каркас пространственный КП-141 – 118 стр

985 × 674 пикс.     Открыть в новом окне  

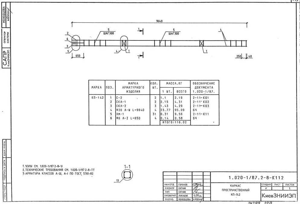
Каркас пространственный КП-142 – 119 стр

994 × 675 пикс.     Открыть в новом окне  

Каркас пространственный КП-143 – 120 стр

986 × 680 пикс.     Открыть в новом окне  

Каркас пространственный КП-144, КП-145 – 121 стр

995 × 681 пикс.     Открыть в новом окне  

Каркас пространственный КП-146 – 122 стр

988 × 678 пикс.     Открыть в новом окне  

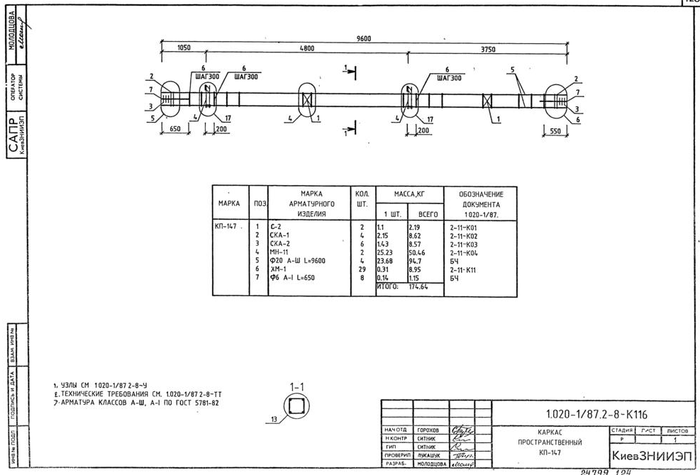
Каркас пространственный КП-147 – 123 стр

987 × 670 пикс.     Открыть в новом окне  

Каркас пространственный КП-148 – 124 стр

976 × 665 пикс.     Открыть в новом окне  

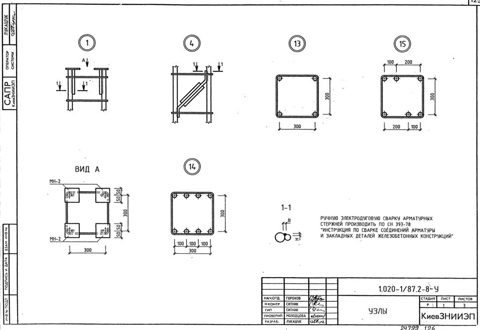
Узлы – 125 стр

979 × 674 пикс.     Открыть в новом окне  
992 × 679 пикс.     Открыть в новом окне  
969 × 668 пикс.     Открыть в новом окне

Классы

Выбранные классы объекта Строительные материалы

Продукция

Подождите идет загрузка ....

Присоединяйтесь к рассылке!

Оформляя подписку, вы принимаете политику конфиденциальности ЖБИ-СНГ.ру