Выбран город Омск
Ваша корзина пуста

Серия 1.020-1/87 Конструкции каркаса межвидового применения для многоэтажных общественных зданий, производственных и вспомогательных зданий промышленных предприятий. Выпуск 3-10 Ригели высотой 600 мм из бетона класса В30 для опирания ребристых плит перекр

Описание

Рабочие чертежи

Содержание – 2 стр

440 × 688 пикс.     Открыть в новом окне  

Технические требования – 3 стр

Общие данные
Выпуск 3-10 серии 1.020-1/87 «Конструкции каркаса межвидового применения для многоэтажных общественных зданий, производственных предприятий» содержит проектную документацию ригелей перекрытия с высотой 600 мм пролетом 9,0; 6,0 для опирания многопустотных плит перекрытия.
Ригели изготавливаются в опалубочных формах ригелей серии 1.020-1/83
Указания по изготовлению ригелей приведены в выпуске 0-7
Указания по подбору ригелей приведены в выпуске 0-2
Технические условия, а также условия хранения и транспортирования приведены в ГОСТ 18980-89 «Ригели железобетонные каркаса межвидового применения для многоэтажных зданий. Технические условия»
Выпуск содержит рабочие чертежи ригелей с применением смешанного армирования, предварительно напряженных и ненапряженных ригелей каркаса, для перекрытий и покрытий из ребристых (серия 1.042.1-4) плит и плит типа «ТТ» (серия 1.042.1-2)
Номинальный пролет ригелей – 9,0м и 6,0 м
Высота сечения ригелей 600 мм. Ригели со смешанным армированием или предварительно напряженные.
Разработаны ригели двухполочные-рядовые: однополочные со срезанной полкой, устанавливаемые у торца здания и в деформационном шве, ригели со срезанной полкой и гребнем – установленным в лестничной клетке. Торцевые ригели пролетом 9,0 м разработаны:
а) для применения стеновых панелей длиной 9,0 м;
б) для возможности крепления стоек фахверка при применении стеновых панелей длиной 6,0 м.
Ригели пролетом 9,0 м запроектированы под нагрузки: 88,26 кН/М (9,0 тс/пм) и 107,87 кН/м (11,0 тс/пм)
Ригели пролетом 6,0 м запроектированы под нагрузку: 176,58 кН/м (18,0 тс/пм)
Ригели предназначены для применения в зданиях с неагрессивной средой. В отапливаемых и неотапливаемых зданиях (при температуре выше – минус 40 МЉС)
Ригели рассчитаны как элементы поперечных рам с шарнирными узлами. Расчет ригелей произведен в соответствии с требованиямиСНиП 2.03.01-84.
Ригели рассчитаны как конструкции III категории трещиностойкости. Ширина длительного раскрытия трещин не превышает 0,2 мм (при арматуре класса АтV)
Расчет по второй группе предельных состояний в стадии эксплуатации проводился с учетом совместной работы ригеля с плитами.
При расчете ригелей учитывалось возникающее при работе диска перекрытия горизонтальное растягивающее усилие, равное 76,0 кН
Все ригели рядовых рам рассчитаны на действие равномерно-распределенных нагрузок (без учета кручения), величины которых в прилегающих к ригелю шагах рам отличаются менее, чем в 2 раза.
Все однополочные ригели рассчитаны на кручение.
Полки ригелей рассчитаны на нагрузку от плит, принимаемую на ступень выше, чем нагрузка, на которую рассчитан сам ригель (за исключением ригелей под нагрузку 176, 58 кН/м (18,0 тс/пм)
(например: несущая способность полок составляет соответственно 88,26 кН/м (9,0 тс/пм) равномерно распределенной нагрузки без учета собственного веса ригеля, а несущая способность полок составляет соответственно 107,87 кН/м (11,0 тс/пм) полезной равномерно распределенной нагрузки, передаваемой на полки ригелей от плит)
При передаче на полки ригеля сосредоточенных усилий (от 14,5 кН до 78,0 кН) в полках ригелей в местах передачи усилий необходимо предусмотреть установку специальных закладных изделий. Пример такого закладного изделия приведен на стр. 14.
В случае применения ригелей для нагрузок, отличающихся от равномерно распределенных принятых при расчете ригелей настоящего выпуска, назначение марок ригелей следует производить на основании специального расчета и в соответствии с несущей способностью ригелей.
Эпюры несущих способностей даны в таблицах 4 и 5.
Ригели допускается применять в условиях постоянного воздействия температуры до + 50 МЉС и нормативного влажностного режима, а также в неотапливаемых закрытых помещениях при температурах выше минус 40 МЉС.
При применении ригелей в условиях воздействия температуры выше + 50 МЉС назначение их марок должно производиться на основе расчета с соблюдением требований СН 482-76
В ведомости расхода стали и в спецификациях к рабочим чертежам указан только класс без указания марки стали, которая принимается по указаниям проекта конкретного объекта.
Предел огнестойкости ригелей составляет 2 часа.
Маркировка ригелей
Маркировка ригелей принята по ГОСТ 29009-78
Марка ригелей состоит из двух частей, например:
РДР6.86-110АтV(4); РОР6.86-60.АтV-ф(4); РДР6.56-180АтV(4);
РОР6.56-100Ат (4); РДР6.26-110(4); РЛР6.56-60 АтV(4).
Первая часть марки РДП; РОП- обозначает типоразмер ригеля:
РДР-ригель(Р) двухполочный (Д) под ребристые плиты; РОР-ригель однополочный (о) под ребристые плиты; РЛР- ригель лестничной клетки.
Цифры, стоящие после буквенного индекса, характеризуют условный размер ригеля:
«6»- высота сечения ригеля 600 мм
«56»-длина ригеля 5560 мм
«86» - длина ригеля 8560 мм
Вторая часть марки характеризует величину расчетной нагрузки в сотнях килограммов на погонный метр ригеля и класс стали напрягаемой арматуры и класс (марку) бетона ригеля (180АтV(4); 90АтV(4) и т.п)
Индекс «ф» добавляемый к основной марке, обозначает ригель для установки фахверка
Индекс «I» обозначает ригель под плиты «I»
Цифра (4) обозначает, что ригель изготавливается из бетона класса В30
Конструктивные данные
Ригели изготавливаются из тяжелого бетона класса В30
Ригели армируются пространственными каркасами, сетками, отдельными стержнями.
В качестве предварительно напрягаемой рабочей арматуры принята: сталь стержневая термически упрочненная периодического профиля класса АтV по ГОСТ 10884-81
Примечание: в случае отсутствия указанной стали допускается в ригелях применять сталь класса А-III по ГОСТ 5781-82)
Для армирования ригелей в качестве предварительного напряженной рабочей арматуры может применяться арматурная термически упрочненная сталь класса Ат-УСК.
В качестве ненапрягаемой арматуры может быть применяться термически упрочненная сталь класса Ат-IIIс.
Замена рабочей арматуры ригелей, разработанных в проекте, на рабочую арматуру упомянутых выше термически упрочненных арматурных сталей осуществляется без изменения количества и диаметров стержней согласно таблице 1
Таблица 1
391 × 163 пикс.     Открыть в новом окне  
Предварительное напряжение стержневой арматуры предусмотрено электрическим или механическим способами
Величины предварительного напряжения и усилия натяжения рабочей арматуры приведены в таблице 2.
Поперечная и продольная ненапрягаемая арматура ригелей и арматурные сетки приняты из горячекатаной арматурной стали периодического профиля класса А-III по ГОСТ 5781-82 и Ат-V по ГОСТ 19884-81.
В сетках применяется также обыкновенная арматурная проволока периодического профиля Вр-I по ГОСТ 6727-80.
В закладных изделиях применяется сортовой прокат из стали по ГОСТ 380-88.
Для подъема ригелей предусмотрены два отверстия диаметром 50 мм.
В случае необходимости для подъема ригелей могут применяться петли из гладкой стали класса А-I марок Ст3сп и Ст3пс по ГОСТ 5781-82. Подбор петель и пример их размещения дан в технических требованиях. В случае, если возможен монтаж ригелей при расчетной зимней температуре минус 40 МЉС для монтажных петель не допускается применять сталь марки Ст3пс2.
Назначение марок ригелей производится в проекте конкретного объекта в соответствии с указаниями выпуска 0-1 и 0-2.
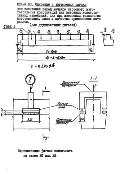
Указания по проведению испытаний
Испытание ригелей и оценки их прочности жесткости и трещиностойкости следует производить в соответствии с ГОСТ 8829-85.
Значения контрольных нагрузок, контрольных прогибов и относительных прогибов приведены в таблице 4.
321 × 347 пикс.     Открыть в новом окне  
387 × 557 пикс.     Открыть в новом окне  
914 × 679 пикс.     Открыть в новом окне  
920 × 675 пикс.     Открыть в новом окне  
924 × 670 пикс.     Открыть в новом окне  
922 × 679 пикс.     Открыть в новом окне  
919 × 676 пикс.     Открыть в новом окне  

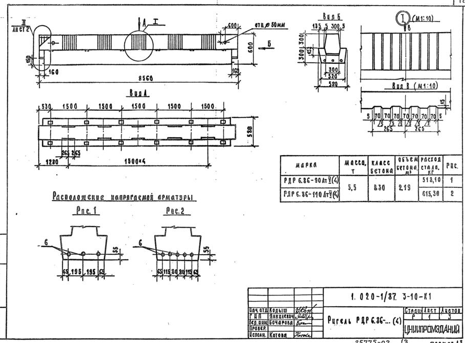
Ригель РДР 6.36-…(4) – 12 стр

910 × 672 пикс.     Открыть в новом окне  
913 × 672 пикс.     Открыть в новом окне  
916 × 666 пикс.     Открыть в новом окне  

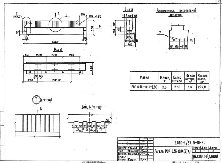
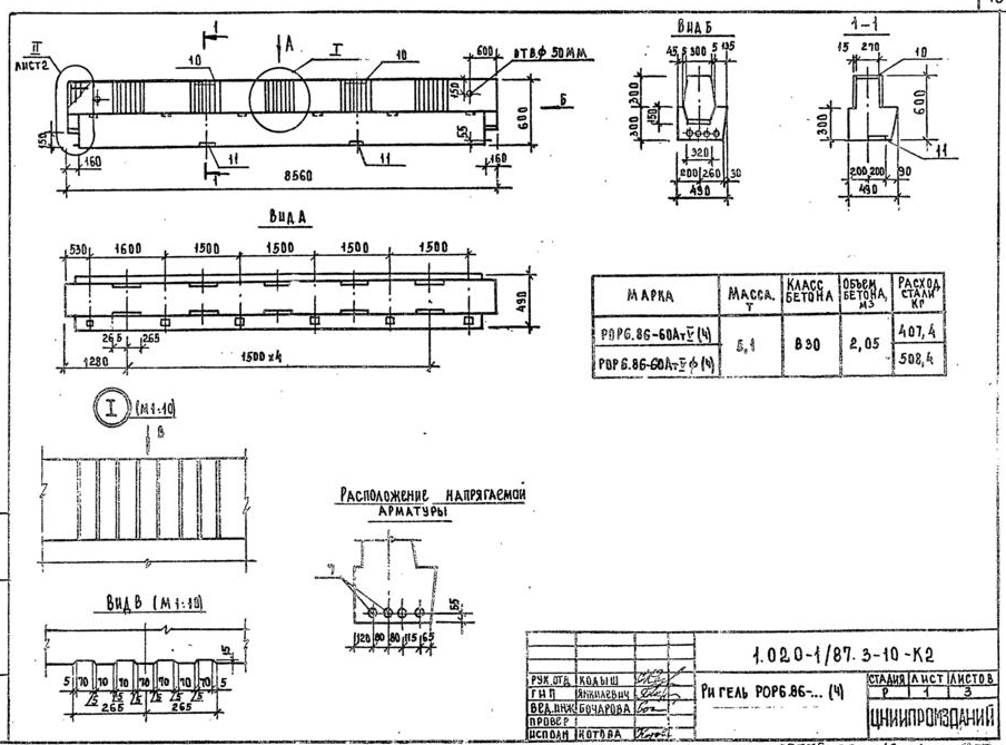
Ригель РОР 6.86-…(4) – 15 стр

904 × 669 пикс.     Открыть в новом окне  
909 × 668 пикс.     Открыть в новом окне  
916 × 668 пикс.     Открыть в новом окне  

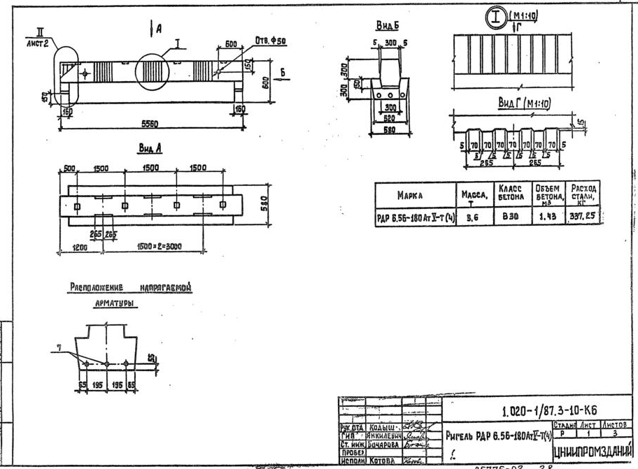
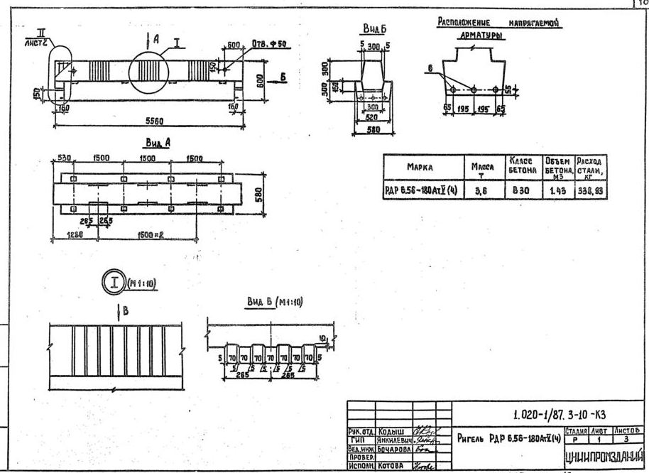
Ригель РДР 6.58- 180АтV(4) – 18 стр

914 × 666 пикс.     Открыть в новом окне  
905 × 669 пикс.     Открыть в новом окне  
914 × 672 пикс.     Открыть в новом окне  

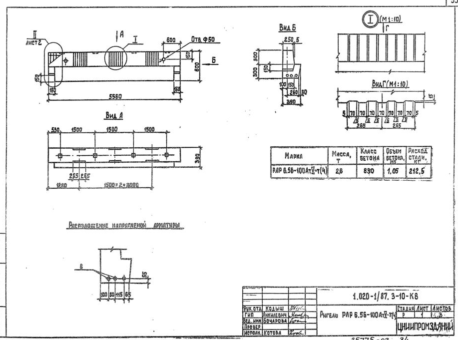
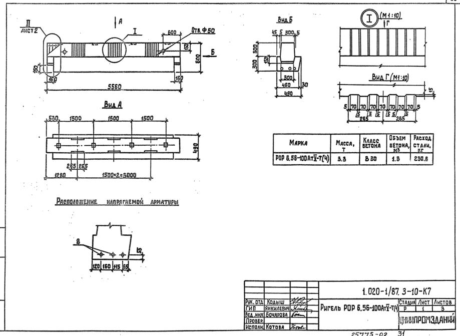
Ригель РОР 6.56- 100АтV(4) – 21 стр

918 × 677 пикс.     Открыть в новом окне  
914 × 673 пикс.     Открыть в новом окне  
916 × 673 пикс.     Открыть в новом окне  

Ригель РЛР 6.58- 100АтV(4) – 24 стр

907 × 664 пикс.     Открыть в новом окне  
906 × 671 пикс.     Открыть в новом окне  
929 × 673 пикс.     Открыть в новом окне  

Ригель РДР 6.58- 180АтV-Т(4) – 27 стр

912 × 671 пикс.     Открыть в новом окне  
915 × 667 пикс.     Открыть в новом окне  
901 × 665 пикс.     Открыть в новом окне  

Ригель РДР 6.56- 100АтV-Т(4) – 30 стр

919 × 671 пикс.     Открыть в новом окне  
912 × 679 пикс.     Открыть в новом окне  
920 × 676 пикс.     Открыть в новом окне  

Ригель РЛР 6.56- 100АтV-Т(4) – 33 стр

917 × 681 пикс.     Открыть в новом окне  
916 × 677 пикс.     Открыть в новом окне  
909 × 679 пикс.     Открыть в новом окне  

Пространственный каркас КП-1, КП-2 – 36 стр

918 × 669 пикс.     Открыть в новом окне  
910 × 674 пикс.     Открыть в новом окне  

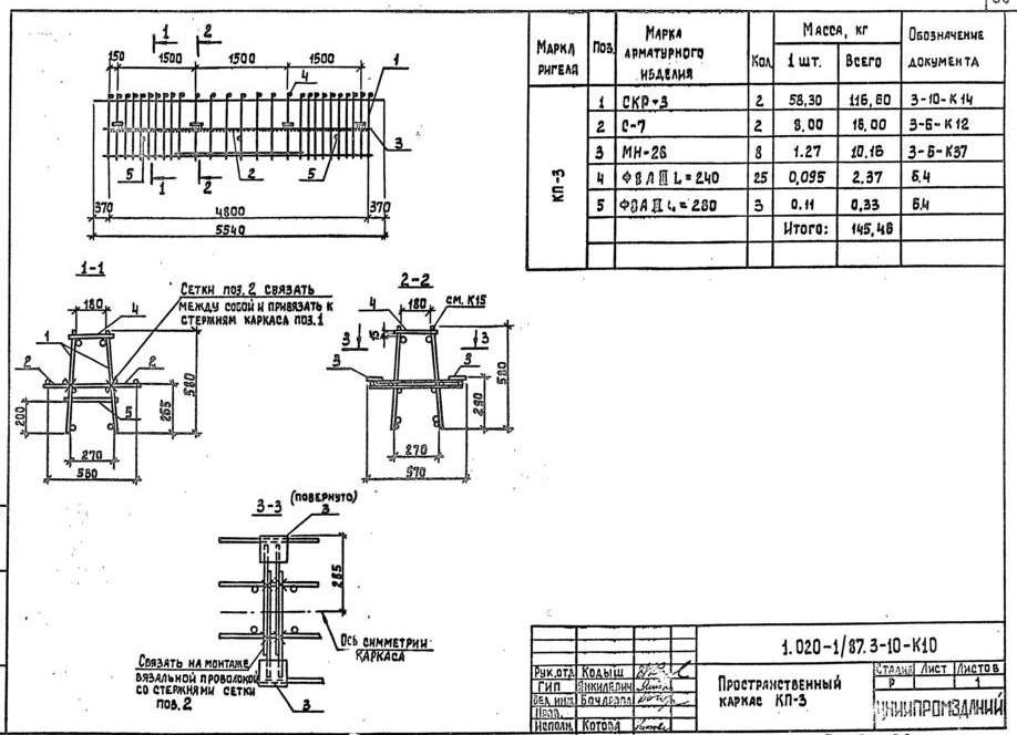
Пространственный каркас КП-3 – 38 стр

918 × 664 пикс.     Открыть в новом окне  

Пространственный каркас КП-4 – 39 стр

916 × 672 пикс.     Открыть в новом окне  

Каркас укрупнительной сборки СКР-1 – 40 стр

916 × 686 пикс.     Открыть в новом окне  

Каркас укрупнительной сборки СКР-2; Каркас укрупнительной сборки СКР-3 – 41 стр

923 × 680 пикс.     Открыть в новом окне  

Каркас плоский КР-1 – 42 стр

920 × 673 пикс.     Открыть в новом окне  

Ведомость расхода стали, кг – 43 стр

909 × 672 пикс.     Открыть в новом окне  
911 × 679 пикс.     Открыть в новом окне 

Классы

Выбранные классы объекта Строительные материалы

Продукция

Подождите идет загрузка ....

Присоединяйтесь к рассылке!

Оформляя подписку, вы принимаете политику конфиденциальности ЖБИ-СНГ.ру