Выбран город Омск
Ваша корзина пуста

Серия 1.020-1/87 Конструкции каркаса межвидового применения для многоэтажных общественных зданий, производственных и вспомогательных зданий промышленных предприятий. Выпуск 3-12 Ригели высотой 450 мм с ненапрягаемой арматурой класса А-IIIв и Aт-IVC для оп

Описание

Рабочие чертежи

Содержание – 2 стр

918 × 673 пикс.     Открыть в новом окне  

Технические требования – 3 стр

Настоящий выпуск содержит рабочие чертежи плоских арматурных изделий и закладных изделий ригелей с высотой сечения 450 мм по серии 1.020-1/87 выпуск 3-11 рассчитанных на серийное изготовление на типовом и нестандартном оборудовании заводов железобетонных конструкций, и специальных механических заводах.
В состав арматурных изделий входят: каркасы, сетки, отдельные гнутые стержни, а также каркасы укрупнительной сборки.
Сварные и закладные изделия должны удовлетворять требования ГОСТ 10922-90.
Все сварные соединения следует выполнять в соответствии с ГОСТ 14098-91.
Марка стали для пластин закладных изделий должна назначаться в конкретном проекте в соответствии с приложением 2 (п. Iа) СНиП 2.03.01-84 * в зависимости от температуры наружного воздуха.
В спецификациях и выборках не учтен расход стали на осадку анкеров закладных изделий в процессе сварки в тавр, который составляет до 2 % расхода стали на эти анкера.

Каркас укрупнительной сборки СКР-1, СКР-2; Каркас укрупнительной сборки СКР-3 – 4 стр

980 × 701 пикс.     Открыть в новом окне  

Каркас укрупнительной сборки СКР-4, СКР-5, СКР-6 – 5 стр

975 × 662 пикс.     Открыть в новом окне  

Каркас укрупнительной сборки СКР-7, СКР-8; Каркас укрупнительной сборки СКР-9, СКР-10, СКР-11 – 6 стр

974 × 659 пикс.     Открыть в новом окне  

Каркас укрупнительной сборки СКР-12; Каркас укрупнительной сборки СКР-13, СКР-14 – 7 стр

965 × 658 пикс.     Открыть в новом окне  

Каркас укрупнительной сборки СКР-15, СКР-16, СКР-17; Каркас укрупнительной сборки СКР-18, СКР-19, СКР-20 – 8 стр

968 × 654 пикс.     Открыть в новом окне  

Каркас КР-1, КР-2; Каркас КР3, КР-4, КР-5 – 9 стр

969 × 657 пикс.     Открыть в новом окне  

Каркас КР-6, КР-7; Каркас КР-8 – 10 стр

964 × 657 пикс.     Открыть в новом окне  

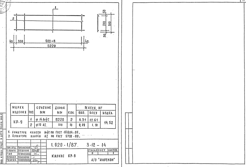
Каркас КР-9 – 11 стр

969 × 659 пикс.     Открыть в новом окне  

Каркас КР-10; Каркас КР-11, КР-12 – 12 стр

974 × 662 пикс.     Открыть в новом окне  

Каркас КР-13; Каркас КР-14 – 13 стр

963 × 659 пикс.     Открыть в новом окне  

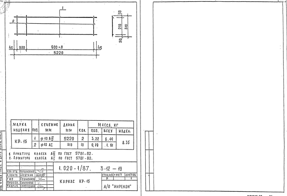
Каркас КР-15 – 14 стр

966 × 659 пикс.     Открыть в новом окне  

Сетка С-1; Сетка С-2 – 15 стр

959 × 666 пикс.     Открыть в новом окне  

Сетка С-3, С-4; Сетка С-5 – 16 стр

972 × 661 пикс.     Открыть в новом окне  

Сетка С-6, С-7, С-8; Сетка С-9 – 17 стр

977 × 660 пикс.     Открыть в новом окне  

Стержень гнутый СГ-1, СГ-2; Стержень гнутый СГ-3, СГ-4 – 18 стр

970 × 656 пикс.     Открыть в новом окне  

Стержень гнутый СГ-5, СГ-6, СГ-7, СГ-8; Стержень гнутый СГ-9, СГ-10 – 19 стр

966 × 655 пикс.     Открыть в новом окне  

Пластина ПЛ-1, ПЛ-2, ПЛ-3; Изделие закладное МН-1, МН-2 – 20 стр

963 × 653 пикс.     Открыть в новом окне  

Изделие закладное МН-3, МН-4; Изделие закладное МН-5, МН-6 – 21 стр

967 × 657 пикс.     Открыть в новом окне 

Классы

Выбранные классы объекта Строительные материалы

Продукция

Подождите идет загрузка ....

Присоединяйтесь к рассылке!

Оформляя подписку, вы принимаете политику конфиденциальности ЖБИ-СНГ.ру