Выбран город Омск
Ваша корзина пуста

Серия 1.020-1/87 Конструкции каркаса межвидового применения для многоэтажных общественных зданий, производственных и вспомогательных зданий промышленных предприятий. Выпуск 3-3 Ригели высотой 600 мм для опирания многопустотных плит перекрытия.

Описание

Рабочие чертежи

Содержание – 2 стр

442 × 685 пикс.     Открыть в новом окне  

Технические требования – 3 стр

Общие данные
Выпуск 3-3 серии 1.020-1/87 «Конструкции каркаса межвидового применения для многоэтажных общественных зданий, производственных предприятий» содержит проектную документацию ригелей перекрытия с высотой 600 мм пролетом 9,0; 6,0 и 3,0 м для опирания пустотных плит перекрытия.
Ригели изготавливаются в опалубочных формах ригелей серии 1.020-1/83
Указания по изготовлению ригелей приведены в выпуске 0-1
Указания по подбору ригелей приведены в выпуске 0-2
Технические условия, а также условия хранения и транспортирования приведены в ГОСТе 18980-89 «Ригели железобетонные каркаса межвидового применения для многоэтажных зданий. Технические условия»
Выпуск содержит рабочие чертежи ригелей с применением смешанного армирования, предварительно напряженных и ненапряженных ригелей каркаса для перекрытий и покрытий из пустотных плит (серия 1.041.1-2)
Номинальный пролет ригелей – 9,0м; 6,0 м и 3,0 м
Высота сечения ригелей 600 мм. Ригели пролетом 9,0 и 6,0 м со смешанным армированием или предварительно напряженные. Ригели пролетом 3,0-без предварительного напряжения
Разработаны ригели двухполочные-рядовые: однополочные со срезанной полкой, устанавливаемые у торца здания и в деформационном шве, ригели со срезанной полкой и гребнем – установленным в лестничной клетке. Торцевые ригели пролетом 9,0 м разработаны:
а) для применения стеновых панелей длиной 9,0 м;
б) для возможности крепления стоек фахверка при применении стеновых панелей длиной 6,0 м.
Ригели пролетом 9,0 м запроектированы по нагрузки: 49,03 кН/М (5,0 тс/пм); 68,65 кН/м (7,0 тс/пм); 88,26 кН/м (9,0тс/пм); 107,87 кН/м (11,0 тс/пм)
Ригели пролетом 6,0 м запроектированы под нагрузки: 49,03 кН/м (5,0 тс/пм); 68,65 кН/м (7,0 тс/пм); 60,26 кН/м (9,0 тс/пм); 107,07 кН/м (11,0 тс/пм).
В покрытиях устанавливаются ригели перекрытия.
Ригели предназначены для применения в зданиях с неагрессивной средой. В отапливаемых и неотапливаемых зданиях (при температуре не ниже-40 МЉС)
Ригели рассчитаны на элементы поперечных рам с шарнирными узлами. Расчет ригелей произведен в соответствии с требованиямиСНиП 2.03.01-84.
Ригели рассчитаны как конструкции III категории трещиностойкости. Ширина длительного раскрытия трещин не превышает 0,2 мм (при арматуре класса АтV)
Расчет по второму предельному состоянию в стадии эксплуатации проводился с учетом совместной работы ригеля с плитами.
При расчете ригелей учитывалось возникающее усилие, равное 76,0 кН
Все ригели рядовых рам рассчитаны на действие равномерно-распределенных нагрузок (без учета кручения), величины которых в прилегающих к ригелю шагах рам отличаются менее, чем в 2 раза.
Все однополочные ригели рассчитаны на кручение.
Полки ригелей рассчитаны на нагрузку от плит, принимаемую на ступень выше, чем нагрузка, на которую рассчитан сам ригель (например: несущая способность ригеля составляет 88,26 кН/м (9,0 тс/пм) равномерно-распределенной нагрузки без учета собственного веса ригеля, а несущая способность полок составляет соответственно 107,67 кН/м (11,0 тс/пм) полезной равномерно распределенной нагрузки, передаваемой на полки ригелей от плит)
При передаче на полки ригеля сосредоточенных усилий (от 14,5 кН до 78,0 кН) в полках ригелей в местах передачи усилий необходимо предусмотреть установку специальных закладных изделий. Пример такого закладного изделия приведен на стр. 13.
В случае применения ригелей для нагрузок, отличающихся от равномерно распределенных принятых при расчете ригелей настоящего выпуска, назначение марок ригелей следует производить на основании специального расчета и в соответствии с несущей способностью ригелей.
Эпюры несущих способностей даны в таблицах 4 и 5.
Ригели допускается применять в условиях постоянного воздействия температуры до + 50 МЉС и нормативного влажностного режима, а также в неотапливаемых закрытых помещениях при температурах выше-40 МЉС.
При применении ригелей в условиях воздействия температуры выше + 50 МЉС назначение их марок должно производиться на основе расчета с соблюдением требований СН 482-76
В ведомости расхода стали и в спецификациях к рабочим чертежам указан только класс без указания марки стали, которая принимается по указаниям проекта конкретного объекта. Предел огнестойкости ригелей составляет 2 часа.
Маркировка ригелей
Маркировка ригелей принята по ГОСТ 29009-78
Марка ригелей состоит из двух частей, например:
РДП.6.86-110АтV; РОП6.56-40.АтV; РОП.6.86-60АтV-ф; РДП6.56-90АтV; РОП6.56-60АтV; РДП6.26-110; РПП6.56-60АтV.
Первая часть марки РДП; РОП; РПП обозначает типоразмер ригеля:
РД-ригель(Р) двухполочный (Д) под пустотные плиты; РЛП-ригель лестничной клетки.
Цифры, стоящие после буквенного индекса, характеризуют условный размер ригеля:
«6»-высота сечения ригеля 600 мм
«56»- длина ригеля 5560 мм
«86» - длина ригеля 8560 мм
«26» - длина ригеля 2560 мм
Вторая часть марки характеризует величину расчетной нагрузки в сотнях килограммов на погонный метр ригеля и класс стали напрягаемой арматуры (110АтV; 90АтV и т.п) У ригелей, армированных напрягаемой арматурой, индекс, обозначающий класс стали, отсутствует.
Индекс «ф» добавляемый к основной марке, обозначает ригель для установки фахверка («ф»)
В связи с тем, что ригели изготавливаются из тяжелого бетона, обозначение вида бетона в марке ригеля опущено.
Конструктивные данные
Ригели изготавливаются из тяжелого бетона классов В30 (марка бетона-400), В40 (марка бетона 500) и 622,5 (марка Н300)
Ригели армируются пространственными каркасами, сетками, отдельными стержнями.
В качестве предварительно напрягаемой рабочей арматуры принята: сталь стержневая термически упрочненная периодического профиля класса АтV по ГОСТ 10884-81
Примечание: в случае отсутствия указанной стали допускается в ригелях применять сталь класса А-III по ГОСТ 5781-82)
При контроле величины предельного удлинения при  (4500 кгс/м2)-диаметры продольной арматуры и  принимаются согласно таблице 2.
Для армирования ригелей в качестве предварительного напряженной рабочей арматуры может применяться арматурная термически упрочненная сталь класса АтVск
В качестве ненапрягаемой арматуры может быть применяться термически упрочненная сталь класса Ат-IIIс.
Замена рабочей арматуры ригелей, разработанных в проекте, на рабочую арматуру упомянутых выше термически упрочненных арматурных сталей осушевляется без изменения количества и диаметров стержней согласно таблице 1
Таблица 1
418 × 166 пикс.     Открыть в новом окне  
Предварительное напряжение стережневой арматуры предусмотрено электрическим или механическим способами величины предварительного напряжения и усилия натяжения рабочей арматуры приведены в таблице 3.
Поперечная и продольная ненапрягаемая арматура ригелей и арматурные сетки приняты из горячекатаной арматурной стали периодического профиля класса А-III по ГОСТ 5781-82 и Ат-V по ГОСТ 19884-81.
В сетках применяется также обыкновенная арматурная проволока периодического профиля Вр-I по ГОСТ 6727-80.
В закладных изделиях применяется сортовой прокат из стали по ГОСТ 380-88.
Для подъема ригелей предусмотрены два отверстия диаметром 50 мм.
В случае необходимости для подъема ригелей могут применяться петли из гладкой стали класса А-I марок Ст3сп и Ст3пс по ГОСТ 5781-82. Подбор петель и пример из размещения дан в технических требованиях. В случае, если возможен монтаж ригелей при расчетной зимней температуре минус 40 МЉС для монтажных петель не допускается применять сталь марки Ст3пс.
Назначение марок ригелей производится в проекте конкретного объекта в соответствии с указаниями выпуска 0-1.
Указания по проведению испытаний
Испытание ригелей и оценки их прочности жесткости и трещиностойкости следует производить в соответствии с ГОСТ 8829-85.
Значения контрольных нагрузок, контрольных прогибов и относительных прогибов приведены в таблице 6.
389 × 347 пикс.     Открыть в новом окне  
390 × 471 пикс.     Открыть в новом окне  
Однополочные ригели испытывать по схеме в„–1 или в„–2
Таблица 2
924 × 678 пикс.     Открыть в новом окне  
Таблица 3
937 × 685 пикс.     Открыть в новом окне  
Таблица 4
923 × 691 пикс.     Открыть в новом окне  
927 × 694 пикс.     Открыть в новом окне  
930 × 684 пикс.     Открыть в новом окне  
910 × 679 пикс.     Открыть в новом окне  
925 × 690 пикс.     Открыть в новом окне  

Ригель РДП6.86 – 14 стр

919 × 682 пикс.     Открыть в новом окне  
924 × 684 пикс.     Открыть в новом окне  
927 × 677 пикс.     Открыть в новом окне  

Ригель РОП6.86 – 17 стр

931 × 687 пикс.     Открыть в новом окне  
932 × 692 пикс.     Открыть в новом окне  
931 × 684 пикс.     Открыть в новом окне  

Ригель РДП6.56 – 20 стр

941 × 684 пикс.     Открыть в новом окне  
922 × 677 пикс.     Открыть в новом окне  

Ригель РОП6.56 – 22 стр

931 × 682 пикс.     Открыть в новом окне  

Ригель РЛП6.56 – 23 стр

921 × 669 пикс.     Открыть в новом окне  
921 × 674 пикс.     Открыть в новом окне  

Ригель РДП6.26 – 25 стр

935 × 683 пикс.     Открыть в новом окне  

Ригель РОП6.26-60 – 26 стр

925 × 675 пикс.     Открыть в новом окне  

Ригель РЛПБ6.26 – 27 стр

930 × 679 пикс.     Открыть в новом окне  

Каркас пространственный КП-1…КП-4 – 28 стр

929 × 683 пикс.     Открыть в новом окне  

Каркас пространственный КП-5…КП-7 – 29 стр

922 × 677 пикс.     Открыть в новом окне  

Каркас пространственный КП-5…КП-7 – 30 стр

926 × 683 пикс.     Открыть в новом окне  

Каркас пространственный КП-8, КП-9 – 31 стр

923 × 682 пикс.     Открыть в новом окне  

Каркас пространственный КП-10 – 32 стр

925 × 678 пикс.     Открыть в новом окне  

Каркас пространственный КП-11, КП-12 – 33 стр

926 × 672 пикс.     Открыть в новом окне  

Каркас пространственный КП-13, КП-14 – 34 стр

915 × 686 пикс.     Открыть в новом окне  

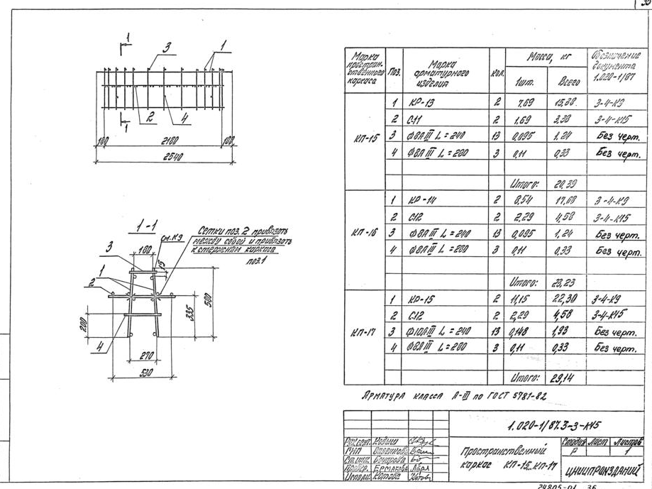
Каркас пространственный КП-15…КП-17 – 35 стр

919 × 689 пикс.     Открыть в новом окне  

Каркас пространственный КП-18, КП-19 – 36 стр

912 × 677 пикс.     Открыть в новом окне  

Ведомость расхода стали – 37 стр

924 × 684 пикс.     Открыть в новом окне  
912 × 676 пикс.     Открыть в новом окне  
916 × 682 пикс.     Открыть в новом окне

Классы

Выбранные классы объекта Строительные материалы

Продукция

Подождите идет загрузка ....

Присоединяйтесь к рассылке!

Оформляя подписку, вы принимаете политику конфиденциальности ЖБИ-СНГ.ру