Выбран город Омск
Ваша корзина пуста

Серия 1.020-1/87 Конструкции каркаса межвидового применения для многоэтажных общественных зданий, производственных и вспомогательных зданий промышленных предприятий. Выпуск 3-5 Ригели для опирания ребристых плит перекрытия и плит типа ТТ.

Описание

Рабочие чертежи

Содержание – 2 стр

927 × 676 пикс.     Открыть в новом окне  

Технические требования – 3 стр

Общие данные
Выпуск 3-5 серии 1.020-1/87 «Конструкции каркаса межвидового применения для многоэтажных общественных зданий, производственных предприятий» содержит проектную документацию ригелей перекрытия с высотой 600 мм пролетом 9,0; 6,0 и 3,0 м для опирания ребристых плит и плит типа ТТ».
Ригели изготавливаются в опалубочных формах ригелей серии 1.020-1/83
Указания по изготовлению ригелей приведены в выпуске 0-7
Указания по подбору ригелей приведены в выпуске 0-2
Технические требования, а также условия хранения и транспортирования приведены в ГОСТе 18980-89 «Ригели железобетонные каркаса межвидового применения для многоэтажных зданий. Технические условия»
Выпуск содержит рабочие чертежи ригелей с применением смешанного армирования, предварительно напряженных и ненапряженных ригелей каркаса для перекрытий и покрытий из ребристых плит (серия 1.041.1-2) плит и плит типа «ТТ» (серия 1.042.1-2)
Номинальный пролет ригелей – 9,0м; 6,0 м и 3,0 м
Высота сечения ригелей 600 мм. Ригели пролетом 9,0 и 6,0 м со смешанным армированием или предварительно напряженные. Ригели пролетом 3,0-без предварительного напряжения
Разработаны ригели двухполочные-рядовые: однополочные со срезанной полкой, устанавливаемые у торца здания и в деформационном шве, ригели со срезанной полкой и гребнем – установленным в лестничной клетке. Торцевые ригели пролетом 9,0 м разработаны:
а) для применения стеновых панелей длиной 9,0 м;
б) для возможности крепления стоек фахверка при применении стеновых панелей длиной 6,0 м.
Ригели пролетом 9,0 м запроектированы по нагрузки: 49,03 кН/М (5,0 тс/пм); 68,65 кН/м (7,0 тс/пм); 88,26 кН/м (9,0тс/пм); 107,87 кН/м (11,0 тс/пм)
Ригели пролетом 6,0 м запроектированы под нагрузки: 49,03 кН/м (5,0 тс/пм); 68,65 кН/м (7,0 тс/пм); 88,26 кН/м (9,0 тс/пм); 107,87 кН/м (11,0 тс/пм); 142,24 кН/м(145,5 тс/пм), 176, 58 кН/м(18,0 тс/пм)
В покрытиях устанавливаются ригели перекрытия.
Ригели предназначены для применения в зданиях с неагрессивной средой. В отапливаемых и неотапливаемых зданиях (при температуре выше -40 МЉС)
Ригели рассчитаны на элементы поперечных рам с шарнирными узлами. Расчет ригелей произведен в соответствии с требованиямиСНиП 2.03.01-84.
Ригели рассчитаны как конструкции III категории трещиностойкости. Ширина длительного раскрытия трещин не превышает 0,2 мм (при арматуре класса АтV)
Расчет по второму предельному состоянию в стадии эксплуатации проводился с учетом совместной работы ригеля с плитами.
При расчете ригелей учитывалось возникающее усилие, равное 78,0 кН
Все ригели рядовых рам рассчитаны на действие равномерно-распределенных нагрузок (без учета кручения), величины которых в прилегающих к ригелю шагах рам отличаются менее, чем в 2 раза.
Все однополочные ригели рассчитаны на кручение.
Полки ригелей рассчитаны на нагрузку от плит, принимаемую на ступень выше, чем нагрузка, на которую рассчитан сам ригель(за исключением ригелей под нагрузку 176,58 кН/м (18,0 тс/пм) (например: несущая способность ригеля составляет 88,26 кН/м (10,0 тс/пм) равномерно-распределенной нагрузки без учета собственного веса ригеля, а несущая способность полок составляет соответственно 107,87 кН/м (11,0 тс/пм) полезной равномерно распределенной нагрузки, передаваемой на полки ригелей от плит)
При передаче на полки ригеля сосредоточенных усилий (от 14,5 кН до 78,0 кН) в полках ригелей в местах передачи усилий необходимо предусмотреть установку специальных закладных изделий. Пример такого закладного изделия приведен на стр. 14.
В случае применения ригелей для нагрузок, отличающихся от равномерно распределенных принятых при расчете ригелей настоящего выпуска, назначение марок ригелей следует производить на основании специального расчета и в соответствии с несущей способностью ригелей.
Эпюры несущих способностей даны в таблицах 4 и 5.
Ригели допускается применять в условиях постоянного воздействия температуры до + 50 МЉС и нормативного влажностного режима, а также в неотапливаемых закрытых помещениях при температурах выше-40 МЉС.
При применении ригелей в условиях воздействия температуры выше + 50 МЉС назначение их марок должно производиться на основе расчета с соблюдением требований СНиП 2.03.04-84.
В ведомости расхода стали и в спецификациях к рабочим чертежам указан только класс без указания марки стали, которая принимается по указаниям проекта конкретного объекта. Предел огнестойкости ригелей составляет 2 часа.
Маркировка ригелей
Маркировка ригелей принята по ГОСТ 29009-78
Марка ригелей состоит из двух частей, например:
РДР6.86-110АтV; РОР6.56-40.АтV; РОР.6.86-60АтV-ф; РДР6.56-180АтV; РОР6.56-100АтV; РДР6.26-110; РЛР6.56-60АтV.
Первая часть марки РДР; РОР- обозначает типоразмер ригеля:
РД-ригель(Р) двухполочный (Д) под пустотные плиты; РЛП-ригель лестничной клетки.
Цифры, стоящие после буквенного индекса, характеризуют условный размер ригеля:
«6»-высота сечения ригеля 600 мм
«56»- длина ригеля 5560 мм
«86» - длина ригеля 8560 мм
«26» - длина ригеля 2560 мм
Вторая часть марки характеризует величину расчетной нагрузки в сотнях килограммов на погонный метр ригеля и класс стали напрягаемой арматуры (180АтV; 90АтV и т.п) У ригелей, армированных напрягаемой арматурой, индекс, обозначающий класс стали, отсутствует.
Индекс «ф» добавляемый к основной марке, обозначает ригель для установки фахверка («ф»)
Индекс «Т» - обозначает ригель под плиты «ТТ»
В связи с тем, что ригели изготавливаются из тяжелого бетона, обозначение вида бетона в марке ригеля опущено.
Конструктивные данные
Ригели изготавливаются из тяжелого бетона классов В30 (марка бетона-400), В40 (марка бетона 500) и В22,5 (марка М300)
Ригели армируются пространственными каркасами, сетками, отдельными стержнями.
В качестве предварительно напрягаемой рабочей арматуры принята: сталь стержневая термически упрочненная периодического профиля класса АтV по ГОСТ 10884-81
Примечание: в случае отсутствия указанной стали допускается в ригелях применять сталь класса А-III по ГОСТ 5781-82)
При контроле величины предельного удлинения при  (4500 кгс/м2)-диаметры продольной арматуры и  принимаются согласно таблице 2.
Для армирования ригелей в качестве предварительного напряженной рабочей арматуры может применяться арматурная термически упрочненная сталь класса АтVск
В качестве ненапрягаемой арматуры может быть применяться термически упрочненная сталь класса Ат-IIIс.
Замена рабочей арматуры ригелей, разработанных в проекте, на рабочую арматуру упомянутых выше термически упрочненных арматурных сталей осуществляется без изменения количества и диаметров стержней согласно таблице 1
Таблица 1
400 × 160 пикс.     Открыть в новом окне  
Предварительное напряжение стержневой арматуры предусмотрено электрическим или механическим способами величины предварительного напряжения и усилия натяжения рабочей арматуры приведены в таблице 3.
Поперечная и продольная ненапрягаемая арматура ригелей и арматурные сетки приняты из горячекатаной арматурной стали периодического профиля класса А-III по ГОСТ 5781-82 и Ат-V по ГОСТ 19884-81.
В сетках применяется также обыкновенная арматурная проволока периодического профиля Вр-I по ГОСТ 6727-80.
В закладных изделиях применяется сортовой прокат из стали по ГОСТ 380-88.
Для подъема ригелей предусмотрены два отверстия диаметром 50 мм.
В случае необходимости для подъема ригелей могут применяться петли из гладкой стали класса А-I марок Ст3сп и Ст3пс по ГОСТ 5781-82. Подбор петель и пример из размещения дан в технических требованиях. В случае, если возможен монтаж ригелей при расчетной зимней температуре минус 40 МЉС для монтажных петель не допускается применять сталь марки Ст3пс.
Назначение марок ригелей производится в проекте конкретного объекта в соответствии с указаниями выпуска 0-1, 0-2.
Указания по проведению испытаний
Испытание ригелей и оценки их прочности жесткости и трещиностойкости следует производить в соответствии с ГОСТ 8829-85.
Значения контрольных нагрузок, контрольных прогибов и относительных прогибов приведены в таблице 6.
Ригели пролетом 3,0 м – испытывать неразрушающими методами
377 × 323 пикс.     Открыть в новом окне  
391 × 467 пикс.     Открыть в новом окне  
Однополочные ригели испытывать по схеме в„–1 или в„–2
Таблица 2
910 × 671 пикс.     Открыть в новом окне  
Таблица 3
911 × 675 пикс.     Открыть в новом окне  
Таблица 4
919 × 669 пикс.     Открыть в новом окне  
Таблица 5
930 × 670 пикс.     Открыть в новом окне  
933 × 673 пикс.     Открыть в новом окне  
922 × 673 пикс.     Открыть в новом окне  
920 × 676 пикс.     Открыть в новом окне  
931 × 677 пикс.     Открыть в новом окне  

Ригель РДР6.86 – 15 стр

925 × 676 пикс.     Открыть в новом окне  
926 × 670 пикс.     Открыть в новом окне  

Ригель РОР6.86 – 18 стр

934 × 679 пикс.     Открыть в новом окне  
925 × 670 пикс.     Открыть в новом окне  
930 × 674 пикс.     Открыть в новом окне  

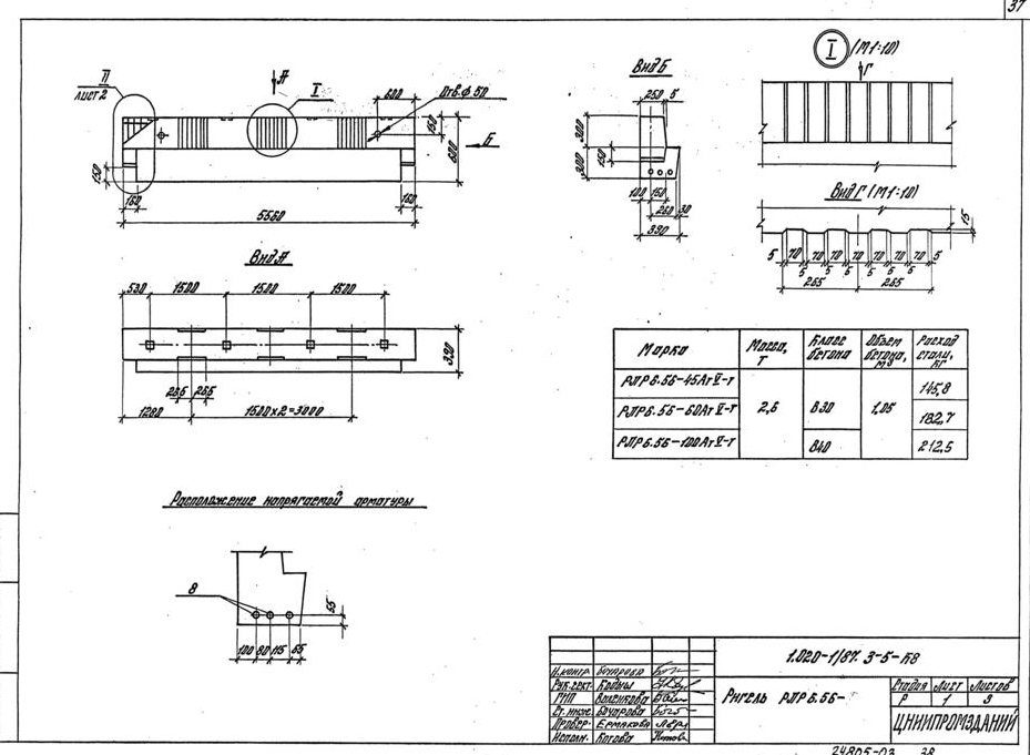
Ригель РДР6.56 – 21 стр

925 × 671 пикс.     Открыть в новом окне  
927 × 676 пикс.     Открыть в новом окне  
929 × 670 пикс.     Открыть в новом окне  
922 × 669 пикс.     Открыть в новом окне  

Ригель РОР6.56 – 25 стр

929 × 674 пикс.     Открыть в новом окне  
937 × 670 пикс.     Открыть в новом окне  
932 × 677 пикс.     Открыть в новом окне  

Ригель РЛР6.56 – 28 стр

925 × 680 пикс.     Открыть в новом окне  
916 × 667 пикс.     Открыть в новом окне  
928 × 677 пикс.     Открыть в новом окне  

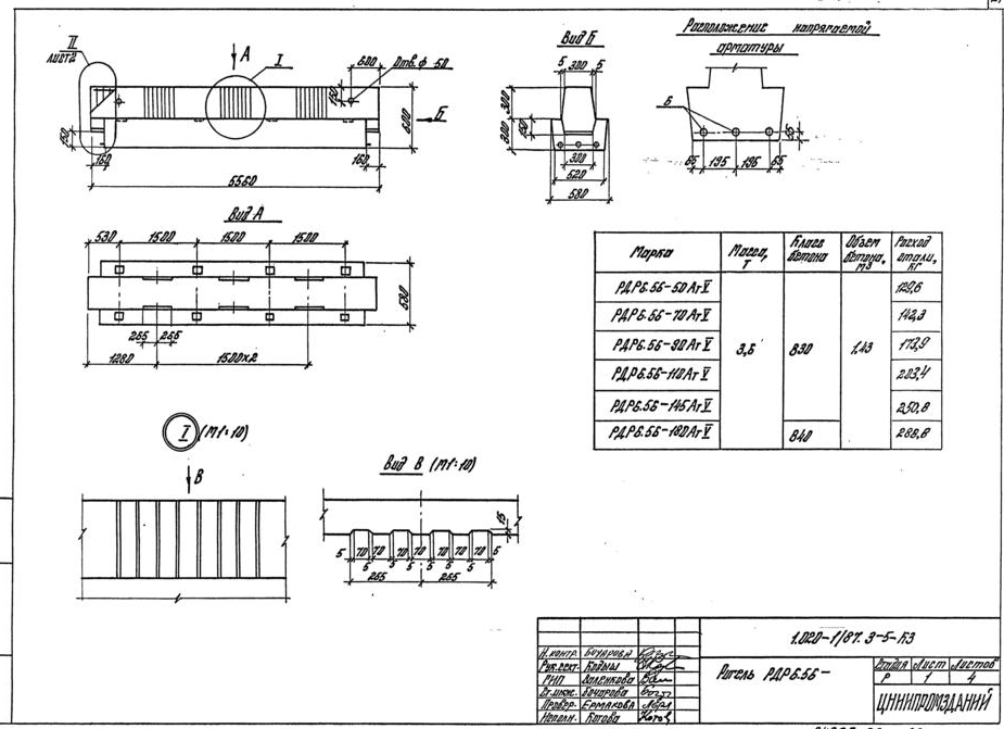
Ригель РДР6.56 – 31 стр

919 × 679 пикс.     Открыть в новом окне  
932 × 686 пикс.     Открыть в новом окне  
922 × 668 пикс.     Открыть в новом окне  

Ригель РОР6.56 – 34 стр

923 × 668 пикс.     Открыть в новом окне  
915 × 674 пикс.     Открыть в новом окне  
919 × 673 пикс.     Открыть в новом окне  
Ригель РЛР6.56 – 37 стрр
929 × 681 пикс.     Открыть в новом окне  
926 × 678 пикс.     Открыть в новом окне  
926 × 675 пикс.     Открыть в новом окне  

Ригель РДР 6.26 – 40 стр

928 × 670 пикс.     Открыть в новом окне  

Ригель РОР6.26-60 – 41 стр

925 × 678 пикс.     Открыть в новом окне  

Ригель РЛР6.26-60 – 42 стр

926 × 676 пикс.     Открыть в новом окне  

Ригель РДР6.26 – 43 стр

933 × 672 пикс.     Открыть в новом окне  

Ригель РОР6.26 – 44 стр

921 × 674 пикс.     Открыть в новом окне  

Ригель РЛР6.26 – 45 стр

917 × 674 пикс.     Открыть в новом окне  

Пространственный каркас КП-1…КП-4 – 46 стр

917 × 678 пикс.     Открыть в новом окне  
917 × 678 пикс.     Открыть в новом окне  

Пространственный каркас КП-5…КП-7 – 48 стр

915 × 678 пикс.     Открыть в новом окне  

Пространственный каркас КП-8…КП-9 – 49 стр

918 × 676 пикс.     Открыть в новом окне  

Пространственный каркас КП-10…КП-12 – 50 стр

925 × 678 пикс.     Открыть в новом окне  

Пространственный каркас КП-13…КП-15 – 51 стр

924 × 675 пикс.     Открыть в новом окне  
919 × 672 пикс.     Открыть в новом окне  

Пространственный каркас КП-16, КП-17 – 53 стр

927 × 669 пикс.     Открыть в новом окне  

Пространственный каркас КП-18, КП-19 – 54 стр

934 × 674 пикс.     Открыть в новом окне  

Пространственный каркас КП-20…КП-22 – 55 стр

919 × 672 пикс.     Открыть в новом окне  

Пространственный каркас КП-23, КП-24 – 56 стр

929 × 670 пикс.     Открыть в новом окне  

Пространственный каркас КП-23, КП-24 – 56 стр

929 × 670 пикс.     Открыть в новом окне  

Пространственный каркас КП-25…КП-27 – 57 стр

928 × 677 пикс.     Открыть в новом окне  

Пространственный каркас КП-28, КП-29 – 58 стр

920 × 683 пикс.     Открыть в новом окне  

Пространственный каркас КП-30 – 59 стр

918 × 680 пикс.     Открыть в новом окне  

Пространственный каркас КП-31 – 60 стр

933 × 667 пикс.     Открыть в новом окне  

Пространственный каркас КП-32, КП-33 – 61 стр

936 × 673 пикс.     Открыть в новом окне  

Пространственный каркас КП-34, КП-35 – 62 стр

924 × 666 пикс.     Открыть в новом окне  

Пространственный каркас КП-36, КП-37 – 63 стр

921 × 669 пикс.     Открыть в новом окне  

Ведомость расхода стали – 64 стр

924 × 669 пикс.     Открыть в новом окне  
923 × 676 пикс.     Открыть в новом окне  
919 × 676 пикс.     Открыть в новом окне  
934 × 676 пикс.     Открыть в новом окне  
939 × 670 пикс.     Открыть в новом окне  
923 × 672 пикс.     Открыть в новом окне

Классы

Выбранные классы объекта Строительные материалы

Продукция

Подождите идет загрузка ....

Присоединяйтесь к рассылке!

Оформляя подписку, вы принимаете политику конфиденциальности ЖБИ-СНГ.ру