Выбран город Омск
Ваша корзина пуста

Серия 1.020-1/87 Конструкции каркаса межвидового применения для многоэтажных общественных зданий, производственных и вспомогательных зданий промышленных предприятий. Выпуск 4-2 Диафрагмы жесткости. Арматурные и закладные изделия.

Описание

Рабочие чертежи

Содержание – 2 стр

932 × 689 пикс.     Открыть в новом окне  
470 × 677 пикс.     Открыть в новом окне  

Технические требования – 3 стр

Настоящий выпуск содержит рабочие чертежи плоских арматурных изделий и закладных изделий для диафрагм жесткости по серии 1.020-1/87 выпуск 4.1, рассчитанных на серийное изготовление на типовом и не стандартном оборудовании заводов железобетонных конструкций, и специализированных механических заводах.
В состав плоских арматурных изделий входят сетки, каркасы, строповочные петли, отдельные стержни, а также каркасы укрупнительной сборки типа СКР- и СМИ-, которые собираются из плоских каркасов и закладных изделий, соединяемых между собой рельефной контактно-точечной сваркой. Последние буквы Т или Н в марке изделий отражают их зеркальное отличие.
Все сварные соединения следует выполнять в соответствии с ГОСТ 14098-85 «Соединения сварные арматуры и закладных изделий железобетонных конструкций.»
В спецификациях и выборах не учтен расход стали на осадку анкеров закладных изделий в процессе сварки в тавр, который составляет до 2 % расхода стали на эти анкера.
Сварные арматурные и закладные изделия должны удовлетворять требования ГОСТ 10922-75 «Арматурные изделия и закладные изделия сварные для железобетонных конструкций».
Для изготовления строповочных петель следует применять сталь класса A-I марок Ст3сп2 и Ст3пс2 и класса Ас-II марки 10ГТ. Сталь марки Ст3пс2 не допускается применять для монтажных петель, предназначенных для подъема и монтажа диафрагм при температуре ниже минус 40 МР‰С.
Марка стали для пластин закладных изделий должна назначаться в конкретном проекте в соответствии с приложением 2(п.1А) СНиП 2.03.01.84* в зависимости от температуры наружного воздуха.
Указания по технологии изготовления, сборке, сварке арматурных изделий и закладных изделий разработаны в выпуске 0-7.

Изделие закладное сборное СМН-1, СМН-2, СМН-3 – 4 стр

957 × 680 пикс.     Открыть в новом окне  

Изделие закладное сборное СМН-4, СМН-5 – 5 стр

952 × 672 пикс.     Открыть в новом окне  

Каркас укрупнительной сборки СКР-1, СКР-2, СКР-3, СКР-4; Каркас укрупнительной сборки СКР-5, СКР-6, СКР-7 – 6 стр

948 × 677 пикс.     Открыть в новом окне  

Сетка С-1, С-2; Сетка С-3, С-4 – 7 стр

949 × 676 пикс.     Открыть в новом окне  

Сетка С-5, С-6; Сетка С-7, С-8 – 8 стр

948 × 675 пикс.     Открыть в новом окне  

Сетка С-9, С-10; Сетка С-11, С-12 – 9 стр

952 × 677 пикс.     Открыть в новом окне  

Сетка С-13, С-14; Сетка С-15, С-16 – 10 стр

946 × 675 пикс.     Открыть в новом окне  

Сетка С-17Т, С-17Н, С-18Т, С-18Н; Сетка С-19Т, С-19Н, С-20Т, С-20Н – 11 стр

957 × 671 пикс.     Открыть в новом окне  

Сетка С-21Т, С-21Н, С-22Т, С-22Н; Сетка С-23Т, С-23Н, С-24Т, С-24Н – 12 стр

953 × 682 пикс.     Открыть в новом окне  

Сетка С-25, С-26; Сетка С-27, С-28– 13 стр

957 × 671 пикс.     Открыть в новом окне  

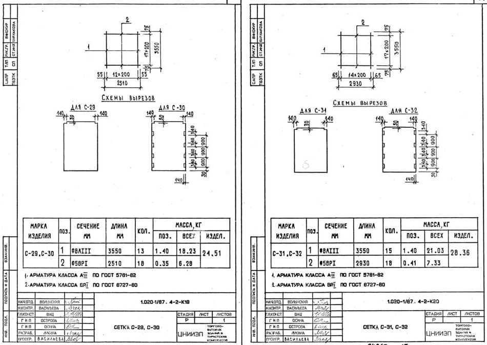
Сетка С-29,С-30; Сетка С-31, С-32– 14 стр

950 × 672 пикс.     Открыть в новом окне  

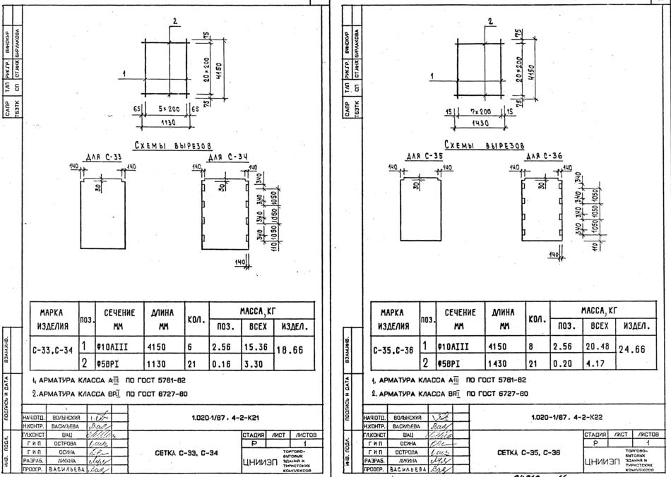
Сетка С-33,С-34; Сетка С-35, С-36– 15 стр

950 × 676 пикс.     Открыть в новом окне  

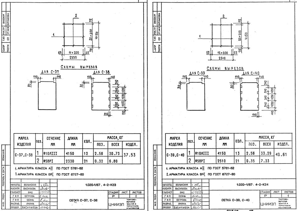
Сетка С-37,С-38; Сетка С-39, С-40– 16 стр

947 × 672 пикс.     Открыть в новом окне  

Сетка С-41,С-42; Сетка С-43, С-44– 17 стр

953 × 673 пикс.     Открыть в новом окне  

Сетка С-45,С-46; Сетка С-47, С-48– 18 стр

951 × 680 пикс.     Открыть в новом окне  

Сетка С-49Т,С-49Н, С-50Т, С-50Н; Сетка С-51Т, С-51Н, С-52Т, С-52Н– 19 стр

959 × 676 пикс.     Открыть в новом окне  

Сетка С-53Т,С-53Н, С-54Т, С-54Н; Сетка С-55Т, С-55Н, С-56Т, С-56Н– 20 стр

954 × 671 пикс.     Открыть в новом окне  

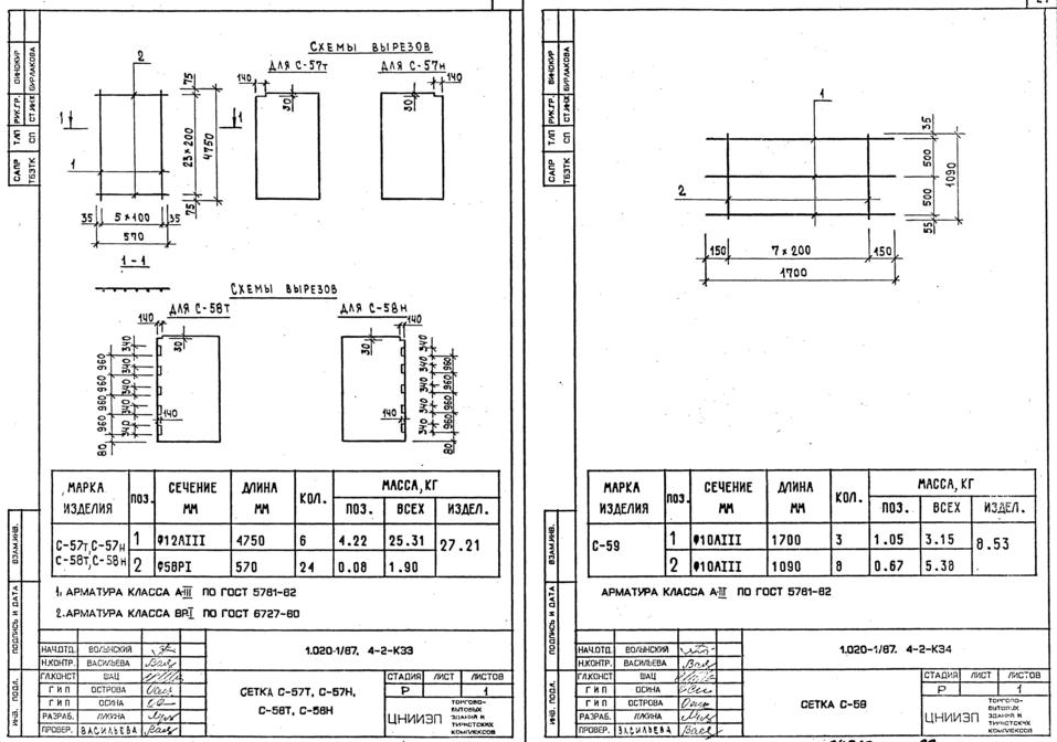
Сетка С-57Т,С-57Н, С-58Т, С-58Н; Сетка С-59– 21 стр

957 × 672 пикс.     Открыть в новом окне  

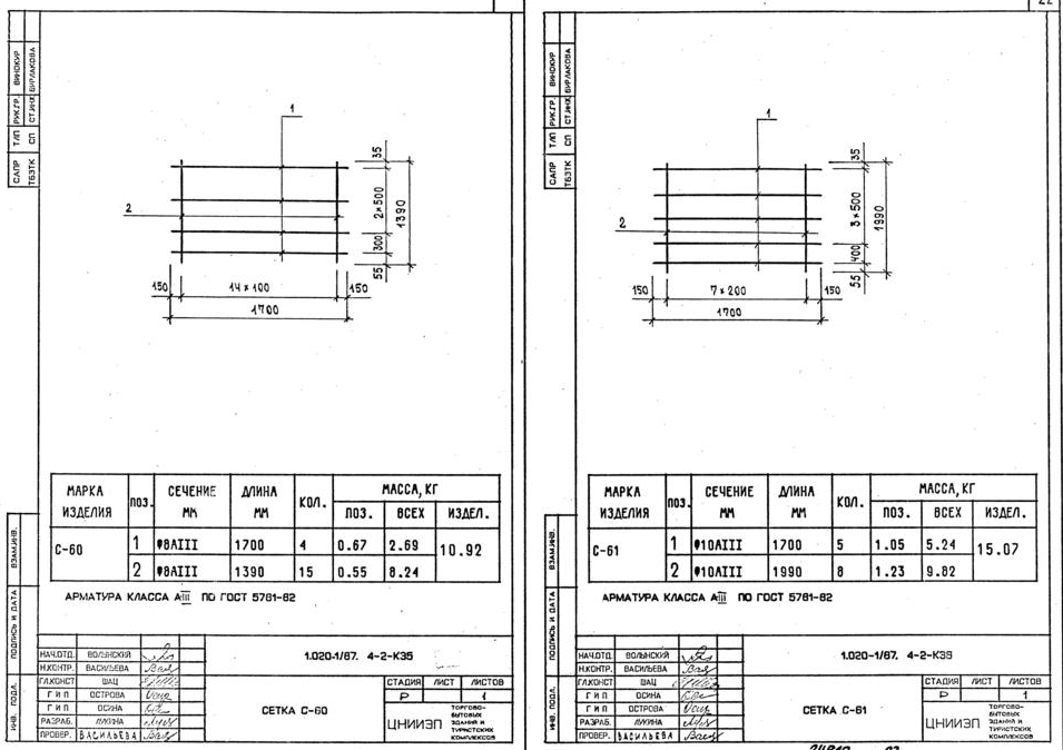
Сетка С-60; Сетка С-61 – 22 стр

955 × 674 пикс.     Открыть в новом окне  

Сетка С-62; Сетка С-63 –23 стр

955 × 678 пикс.     Открыть в новом окне  

Сетка С-64 –24 стр

466 × 680 пикс.     Открыть в новом окне  

Каркас плоский КР-1, КР-2; Каркас плоский КР-3, КР-4 –25 стр

955 × 676 пикс.     Открыть в новом окне  

Каркас плоский КР-5, КР-6, КР-7; Каркас плоский КР-8, КР-9 –26 стр

957 × 673 пикс.     Открыть в новом окне  

Каркас плоский КР-10, КР-11; Каркас плоский КР-12, КР-13, КР-15 –27 стр

948 × 675 пикс.     Открыть в новом окне  

Каркас плоский КР-15, КР-16; Каркас плоский КР-17, КР-18 –28 стр

947 × 668 пикс.     Открыть в новом окне  

Каркас плоский КР-19, КР-20; Каркас плоский КР-21 –29 стр

953 × 675 пикс.     Открыть в новом окне  

Каркас плоский КР-22, КР-23; Каркас плоский КР-24, КР-25 –30 стр

950 × 673 пикс.     Открыть в новом окне  

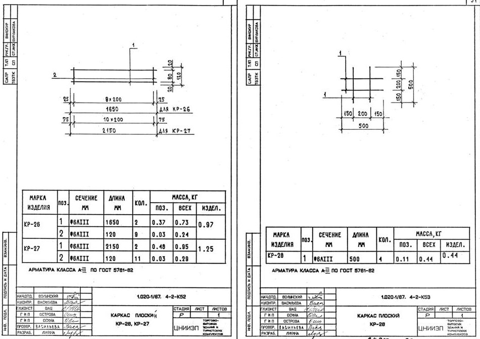
Каркас плоский КР-26, КР-27; Каркас плоский КР-28 –31 стр

950 × 671 пикс.     Открыть в новом окне  

Каркас плоский КР-29, КР-31; Каркас плоский КР-30, КР-32 –32 стр

954 × 669 пикс.     Открыть в новом окне  

Каркас плоский КР-33, КР-35; Каркас плоский КР-34, КР-36 –33 стр

946 × 671 пикс.     Открыть в новом окне  

Каркас плоский КР-37, КР-39, КР-41; Каркас плоский КР-38, КР-40, КП-42 – 34 стр

861 × 610 пикс.     Открыть в новом окне  

Каркас плоский КР-43, КР-44, КР-45; Каркас плоский КР-46, КР-47, КП-48 – 35 стр

855 × 601 пикс.     Открыть в новом окне  

Каркас плоский КР-43, КР-44, КР-45; Каркас плоский КР-46, КР-47, КП-48 – 35 стр

855 × 601 пикс.     Открыть в новом окне  

Каркас плоский КР-49, КР-50, КР-51; Каркас плоский КР-52, КР-53 – 36 стр

851 × 605 пикс.     Открыть в новом окне  

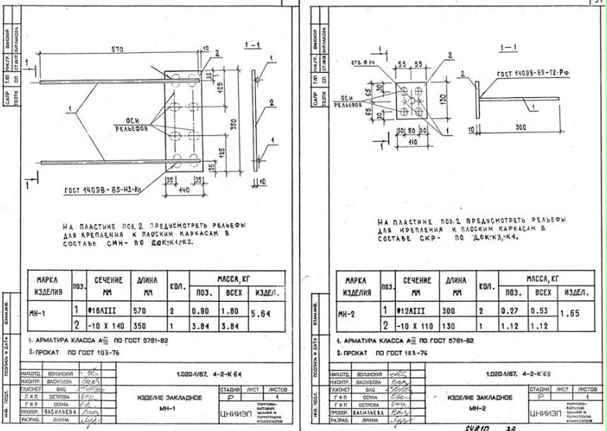
Закладное изделие МН-1; Закладное изделие МН-2 – 37 стр

859 × 611 пикс.     Открыть в новом окне  

Закладное изделие МН-3; Стержень гнутый СГ-1 – 38 стр

858 × 611 пикс.     Открыть в новом окне  

Петля строповочная СПВ-1; Петля строповочная СПВ-2– 39 стр

850 × 608 пикс.     Открыть в новом окне  

Петля строповочная СПВ-3; Петля строповочная СПВ-4– 40 стр

847 × 603 пикс.     Открыть в новом окне  

Петля строповочная СПВ-5; Петля строповочная СПВ-6– 41 стр

841 × 605 пикс.     Открыть в новом окне  

Петля строповочная СПВ-7; Петля строповочная СПВ-10– 42 стр

845 × 610 пикс.     Открыть в новом окне  

Петля строповочная СПВ-8; Петля строповочная СПВ-9 – 43 стр

841 × 614 пикс.     Открыть в новом окне  

Петля строповочная СПГ-1; Петля строповочная СПГ-2 – 44 стр

846 × 612 пикс.     Открыть в новом окне  

Петля строповочная СПГ-3; Петля строповочная СПГ-4 – 45 стр

844 × 605 пикс.     Открыть в новом окне 

Классы

Выбранные классы объекта Строительные материалы

Продукция

Подождите идет загрузка ....

Присоединяйтесь к рассылке!

Оформляя подписку, вы принимаете политику конфиденциальности ЖБИ-СНГ.ру