Выбран город Омск
Ваша корзина пуста

Серия 1.020-1/87 Конструкции каркаса межвидового применения для многоэтажных общественных зданий, производственных и вспомогательных зданий промышленных предприятий. Выпуск 4-3 Диафрагмы жесткости плоские.

Описание

Рабочие чертежи

Содержание – 2 стр

834 × 617 пикс.     Открыть в новом окне  

Технические требования – 3 стр

Настоящий выпуск содержит рабочие чертежи плоских диафрагм жесткости для зданий строящихся в каркасе серии 1.020-1/87 и серии 1.020-1.7 .
Изделия предназначены для применения в зданиях с неагрессивной, а также со слабой и среднеагрессивной газовой средой.
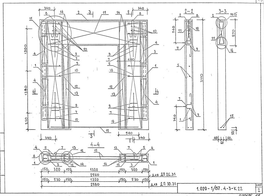
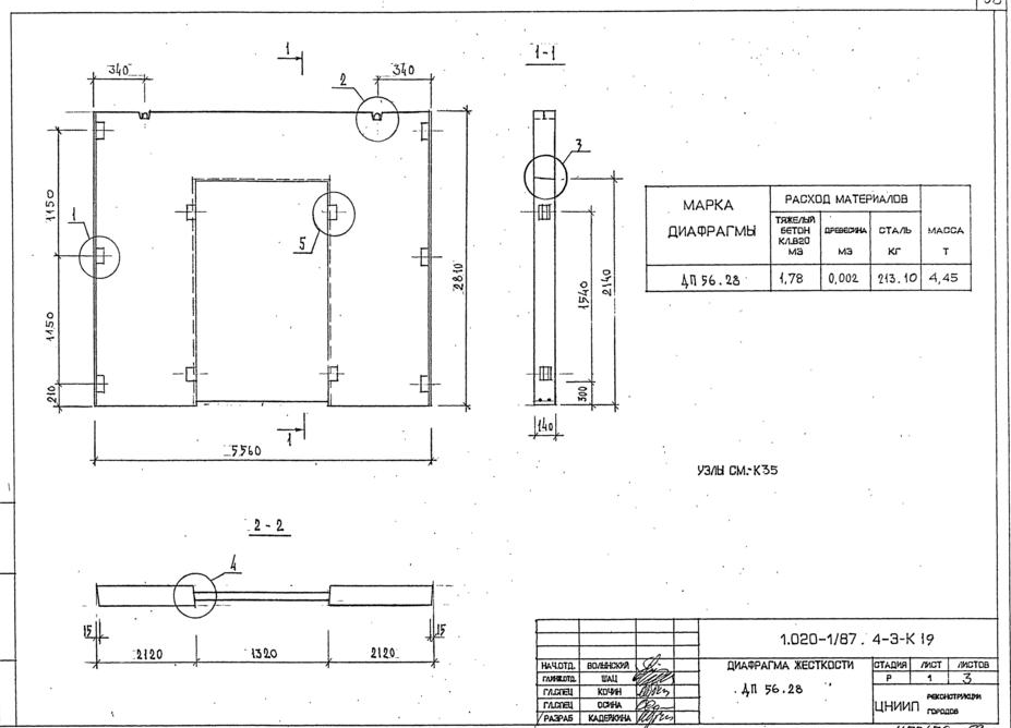
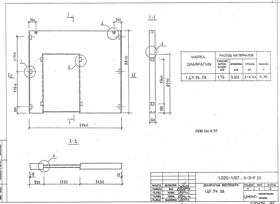
Армирование элементов диафрагм жесткости и расположение строповочных петель приняты применительно к изготовлению в горизонтальных формах; кроме диафрагм марок Д 56.28; ДП 56.28 и IДП 56.28, которые приняты применительно к изготовлению в кассетах.
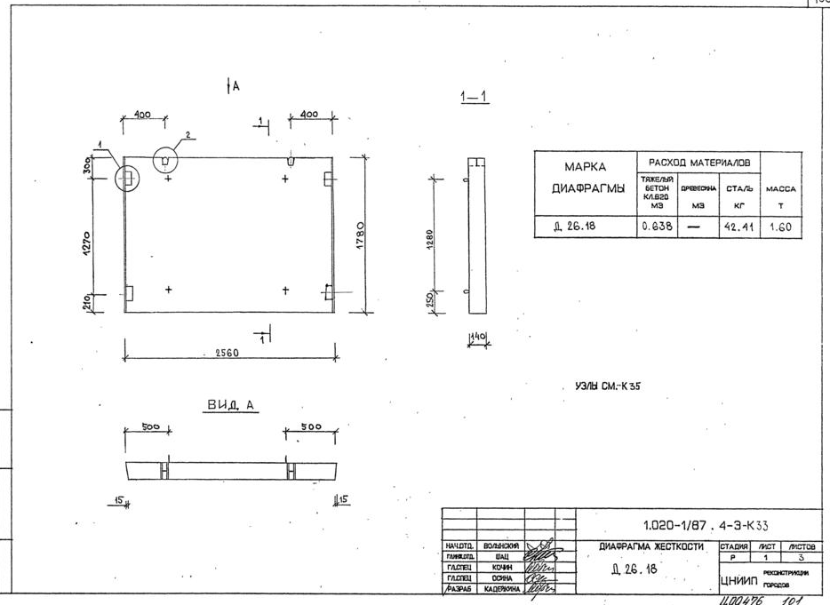
Элементы диафрагм жесткости запроектирован изделий толщиной 140 мм, сплошные и с проемами. Размеры проемов приняты 1320х2140(высота) мм для гражданских зданий и 1920х2540(высота) мм для зданий производственного назначения.
Указания по компоновке плоских диафрагм приведены в выпусках 0-1(дополнение 2) серии 1.020-1/87 «Указания по применению изделий для зданий с плоскими диафрагмами жесткости с перекрытиями из многопустотных плит, типа «ТТ» и ребристых плит.»
Указания по расчету приведены в выпуске 0-3 (дополнение 1) серии 1.020-1/87 «Указания по расчету прочности, устойчивости и деформативности зданий с плоскими диафрагмами жесткости».
Арматурные изделия для плоских диафрагм разработаны в выпуске 4-4 серии 1.020-1/87 «Диафрагмы жесткости плоские. Арматурные и закладные изделия. Рабочие чертежи»
Технические требования по изготовлению и приемке диафрагм жесткости приведены в выпуске 0-7 серии 1.020-1/87 «Указания по заводской технологии изготовления изделий»
Диафрагмы изготавливаются из тяжелого бетона класса В20. Отпускная прочность бетона должна быть не ниже 70 % проектного класса в теплый период года и 90% - в холодный период года.
Для плоских диафрагм жесткости, изготовляемых в горизонтальных формах, распалубка, погрузка и выгрузка при транспортировке производятся с использованием 4 петли типа СПГ. Распалубку диафрагм, изготовляемых в горизонтальных формах, производить за 4 петли (при этом окончательное положение петель может быть уточнено при пробном формовании). Кантование и монтаж этих диафрагм производится за петли типа СПВ-.
Для плоских диафрагм жесткости, изготавливаемых в кассетах, распалубка, погрузка и выгрузка при транспортировании и монтаж производятся с использованием двух петель типа СПВ-.
Подробные указания по транспортировке, складированию и кантованию диафрагм жесткости приведены в выпуске 0-7 серии 1.020-1/87 «Указания по заводской технологии изготовления изделий».
При применении диафрагм жесткости в условиях воздействия слабой и среднеагрессивной газовых сред в проекте конкретного объекта должны быть указаны специальные мероприятия по изготовлению диафрагм жесткости, вытекающие из характера агрессивной среды и требований главы СНиП 2.03.11-85 «Защита строительных конструкций от коррозии»
Маркировка диафрагм принята по ГОСТ 23009-78. Обозначение типа конструкций:
Д – диафрагма плоская (бесполочная);
ДП – диафрагма плоская (бесполочная) с проемом;
1ДП – диафрагма плоская (бесполочная) с проемом, расположенным с краю;
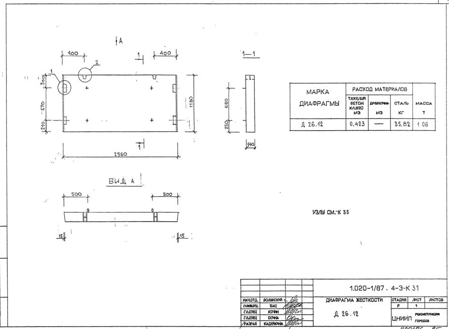
Обозначение габаритов конструкций: первая цифра – округленная длина диафрагмы в дециметрах; вторая цифра – номинальная высота диафрагмы в дециметрах, например: Д: 30,42 – диафрагма плоская (бесполочная), беспроемная , длиной 2980 мм, высотой 4160 мм;
ДП 26.36 – диафрагма плоская (бесполочная), с проемом, длиной 2560 мм, высотой 3560 мм

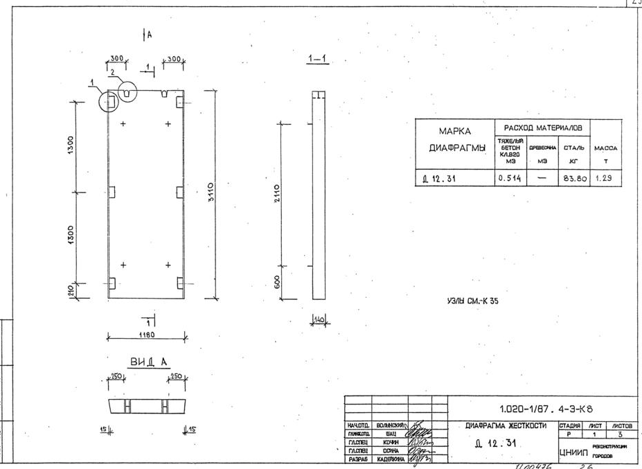
Диафрагма жесткости Д 12.15 – 4 стр

928 × 675 пикс.     Открыть в новом окне  
915 × 687 пикс.     Открыть в новом окне  
932 × 687 пикс.     Открыть в новом окне  

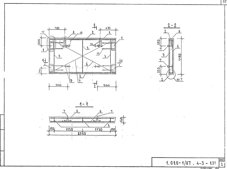
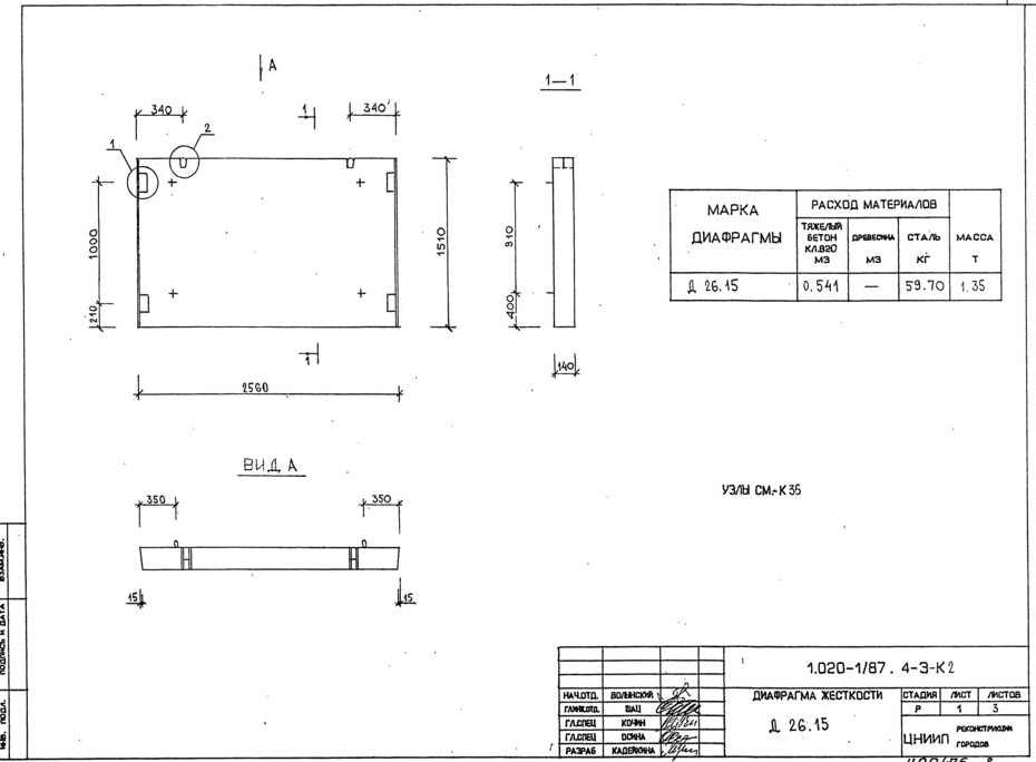
Диафрагма жесткости Д 26.15 – 7 стр

930 × 684 пикс.     Открыть в новом окне  
934 × 682 пикс.     Открыть в новом окне  
933 × 687 пикс.     Открыть в новом окне  

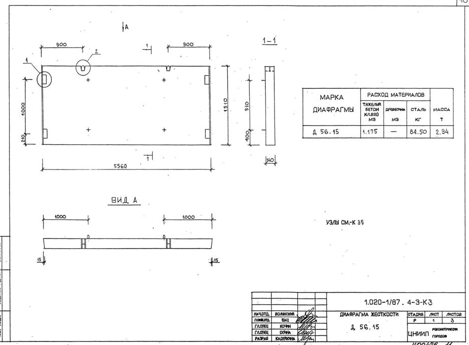
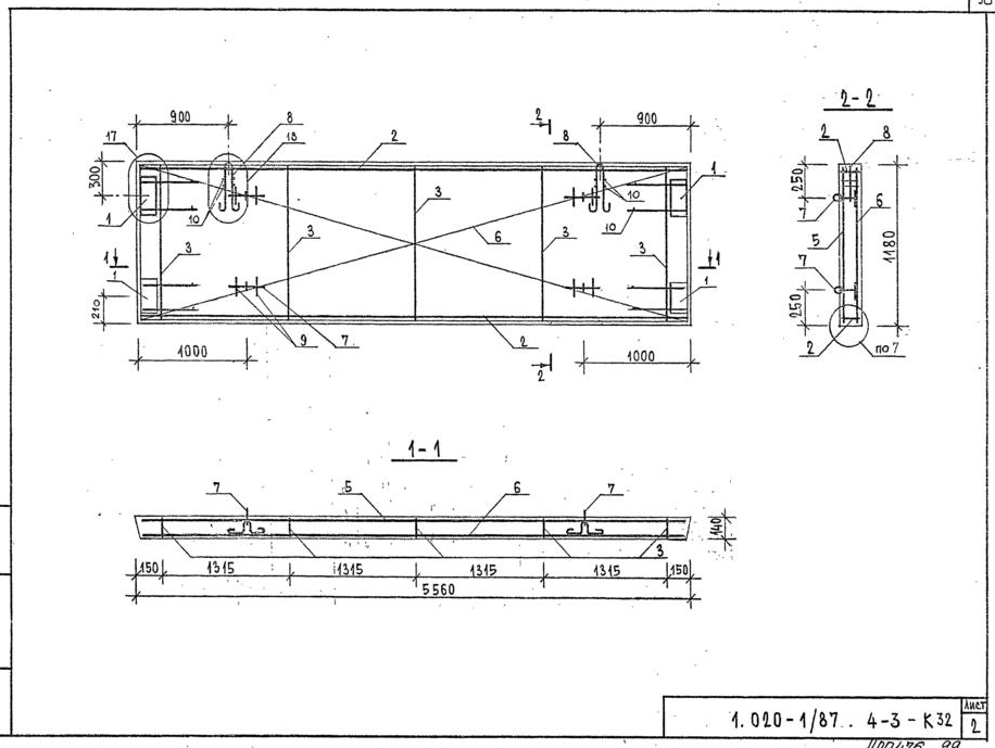
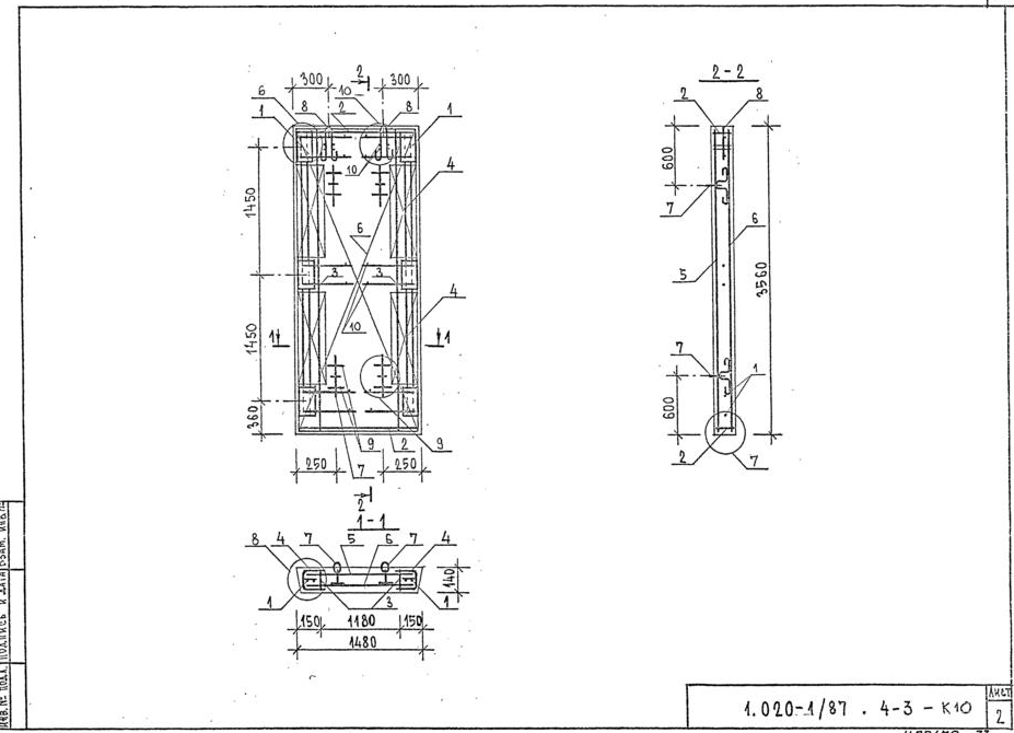
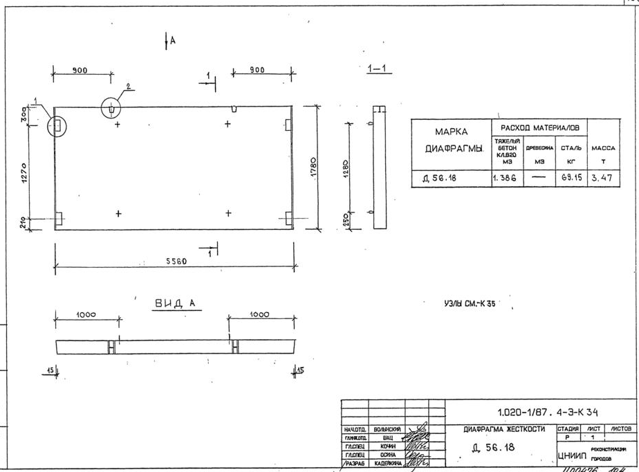
Диафрагма жесткости Д 56.15 – 10 стр

931 × 684 пикс.     Открыть в новом окне  
919 × 679 пикс.     Открыть в новом окне  
925 × 684 пикс.     Открыть в новом окне  

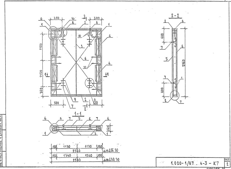
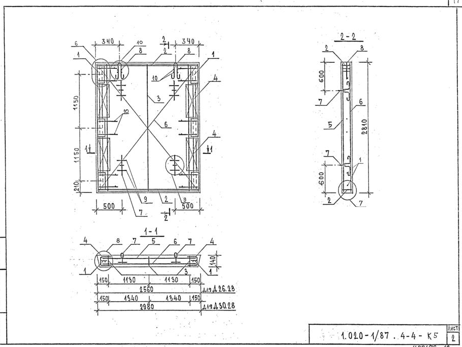
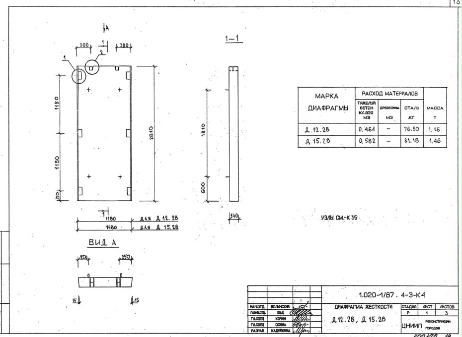
Диафрагма жесткости Д 12.28, Д 15.28 – 13 стр

930 × 680 пикс.     Открыть в новом окне  
932 × 676 пикс.     Открыть в новом окне  
929 × 688 пикс.     Открыть в новом окне  

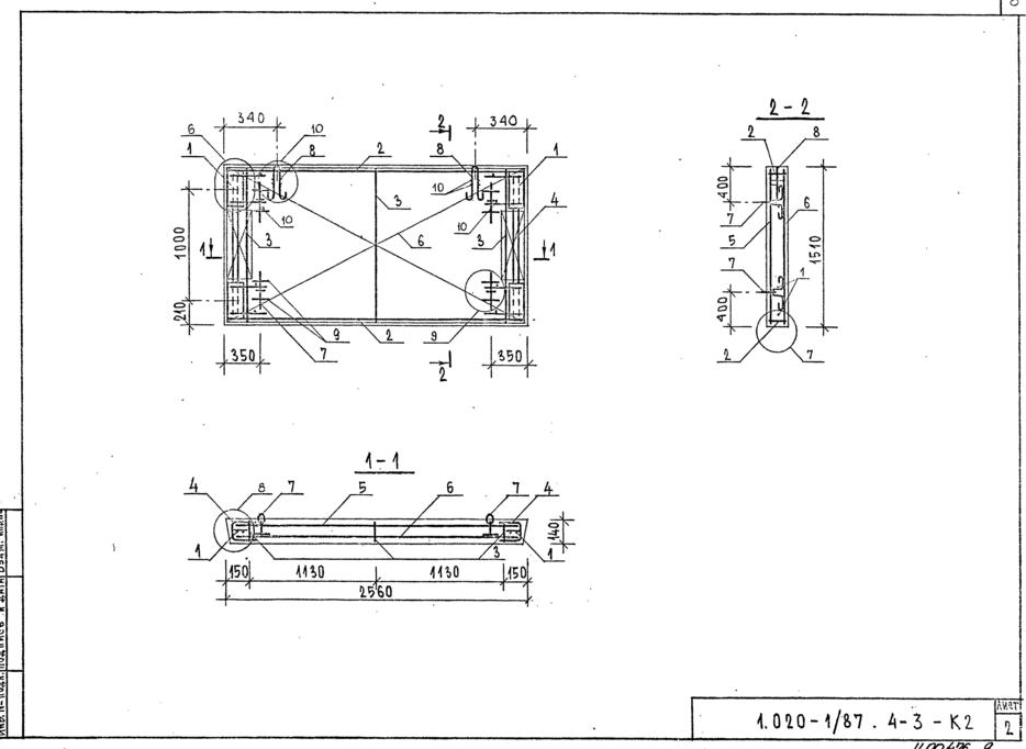
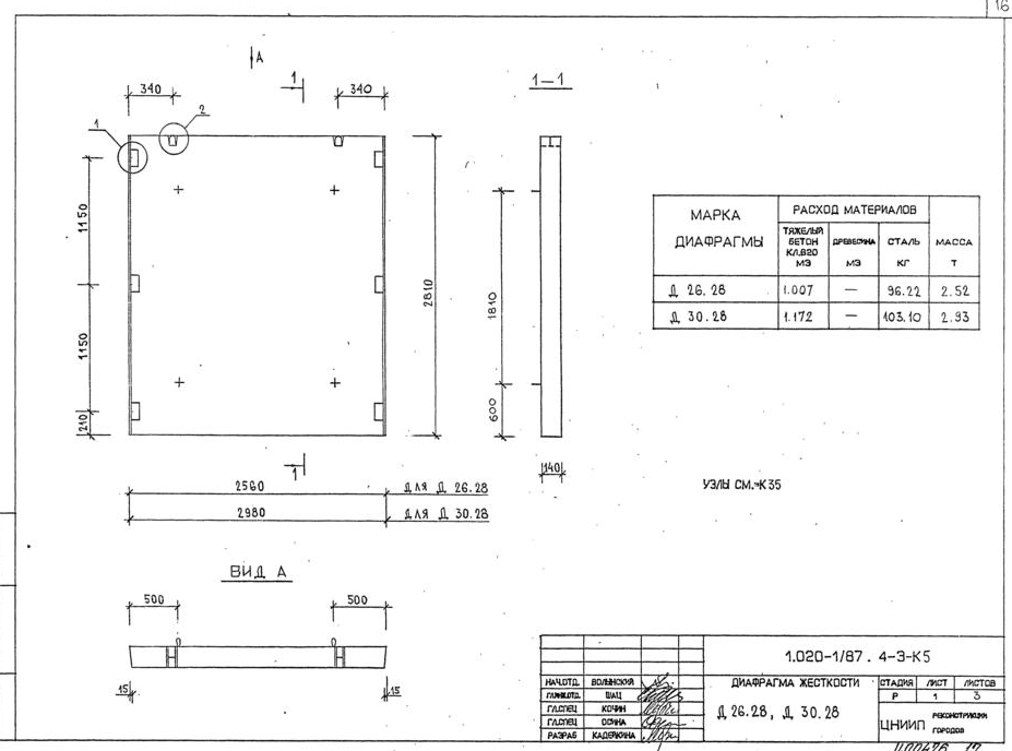
Диафрагма жесткости Д 26.28, Д 30.28 – 16 стр

927 × 688 пикс.     Открыть в новом окне  
913 × 685 пикс.     Открыть в новом окне  
932 × 686 пикс.     Открыть в новом окне  

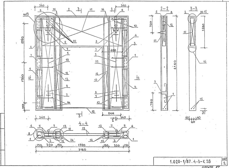
Диафрагма жесткости Д 56.28 – 19 стр

923 × 685 пикс.     Открыть в новом окне  
925 × 680 пикс.     Открыть в новом окне  
932 × 693 пикс.     Открыть в новом окне  

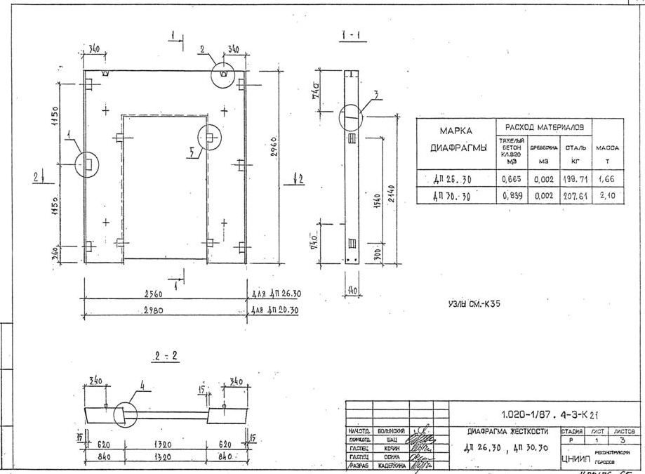
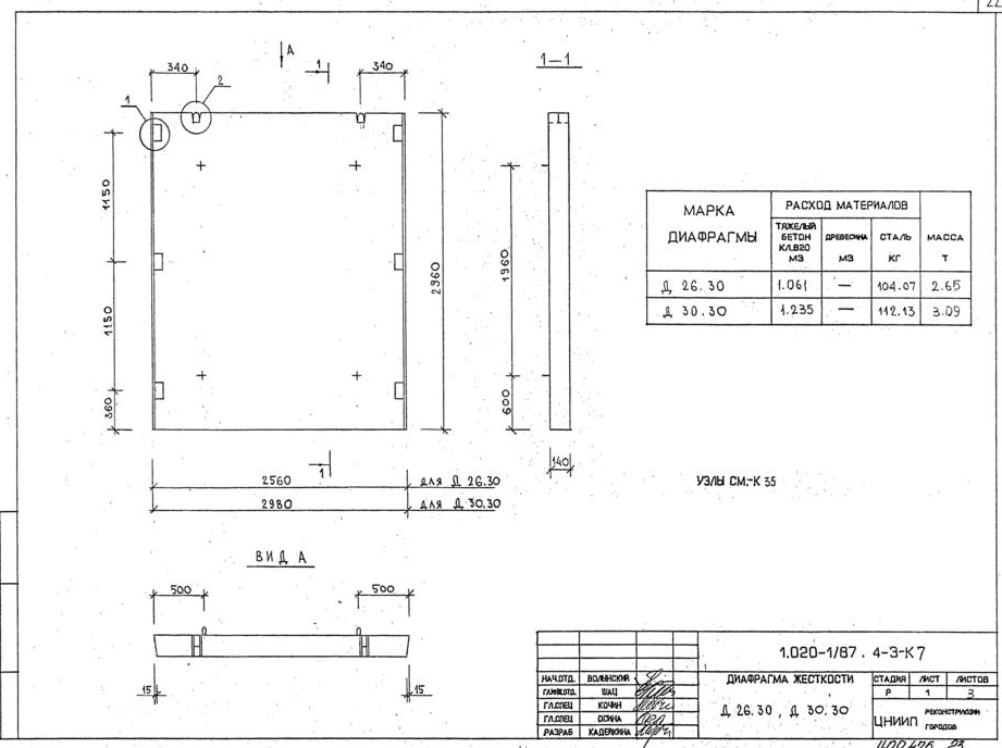
Диафрагма жесткости Д 26.30, Д 30.30 – 22 стр

921 × 688 пикс.     Открыть в новом окне  
926 × 677 пикс.     Открыть в новом окне  
924 × 693 пикс.     Открыть в новом окне  

Диафрагма жесткости Д 21.31 – 25 стр

927 × 677 пикс.     Открыть в новом окне  
923 × 677 пикс.     Открыть в новом окне  
936 × 688 пикс.     Открыть в новом окне  

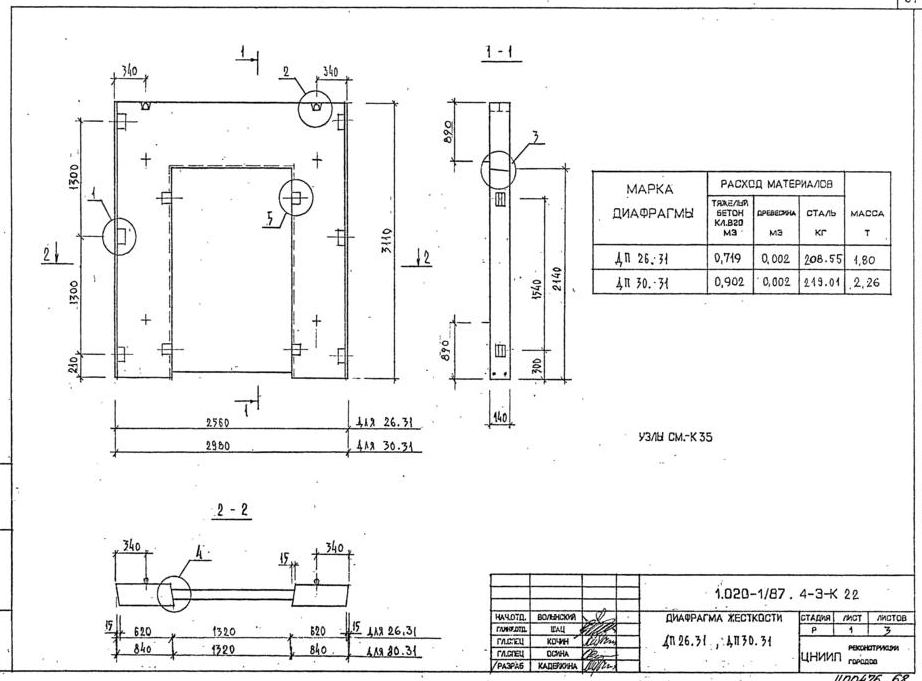
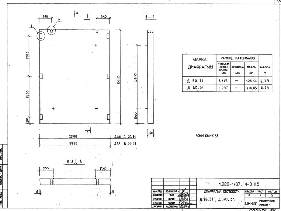
Диафрагма жесткости Д 26.31, Д 30.31 – 28 стр

924 × 695 пикс.     Открыть в новом окне  
926 × 682 пикс.     Открыть в новом окне  
918 × 688 пикс.     Открыть в новом окне  

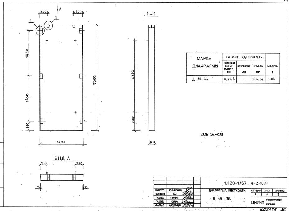
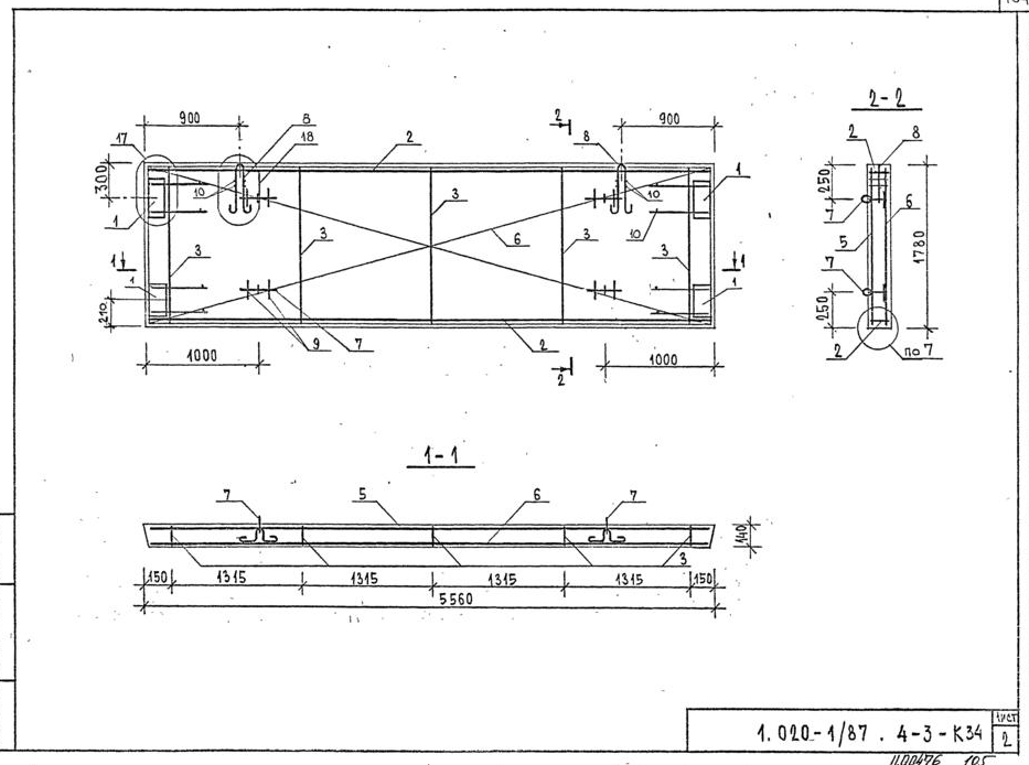
Диафрагма жесткости Д 15.36 – 31 стр

931 × 680 пикс.     Открыть в новом окне  
927 × 670 пикс.     Открыть в новом окне  
926 × 681 пикс.     Открыть в новом окне  

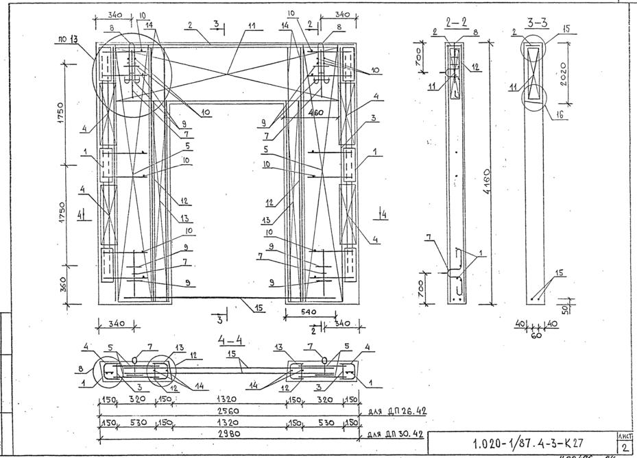
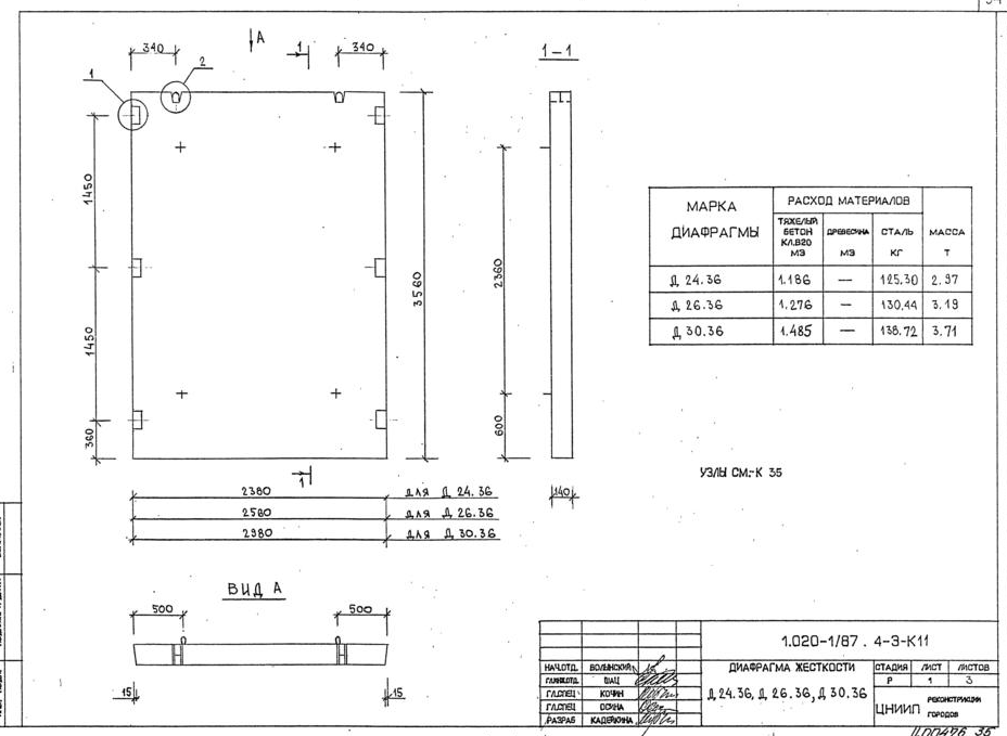
Диафрагма жесткости Д 24.36, Д 26.36, Д 30,36 – 34 стр

928 × 679 пикс.     Открыть в новом окне  
924 × 681 пикс.     Открыть в новом окне  
934 × 675 пикс.     Открыть в новом окне  

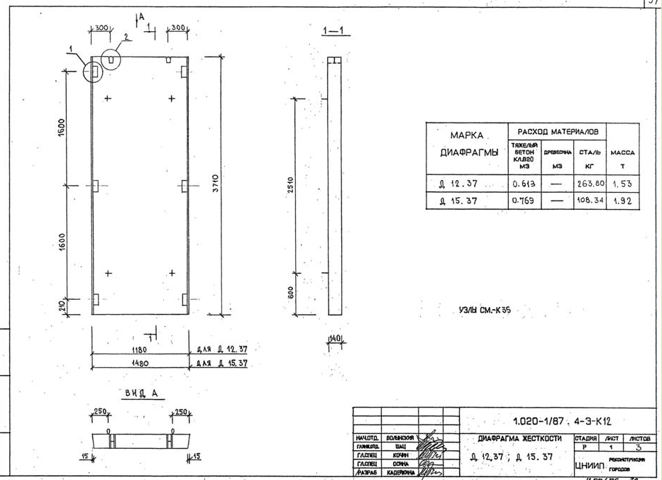
Диафрагма жесткости Д 12.37, Д 15.37 – 37 стр

933 × 677 пикс.     Открыть в новом окне  
926 × 689 пикс.     Открыть в новом окне  
925 × 687 пикс.     Открыть в новом окне  

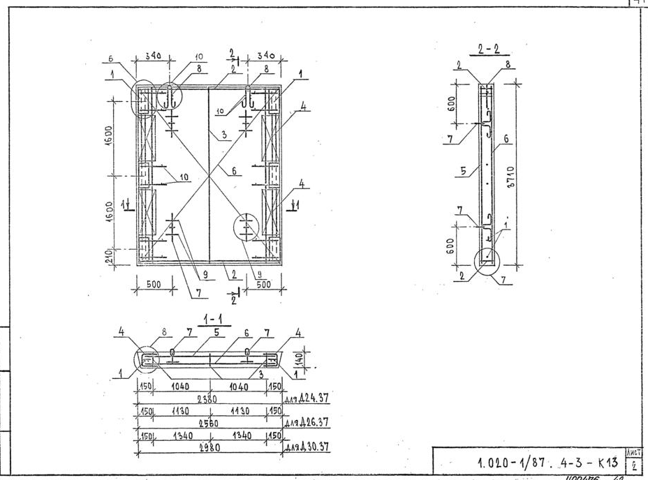
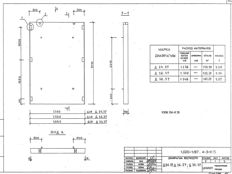
Диафрагма жесткости Д 24.37, Д 26.37, Д 30.37 – 40 стр

917 × 688 пикс.     Открыть в новом окне  
928 × 688 пикс.     Открыть в новом окне  
932 × 670 пикс.     Открыть в новом окне  

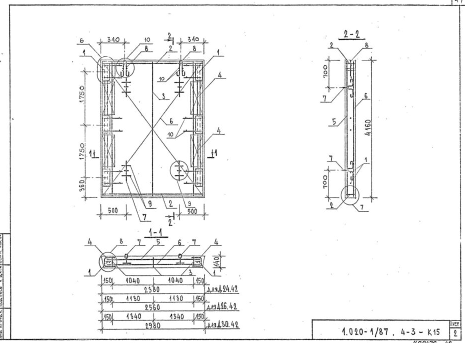
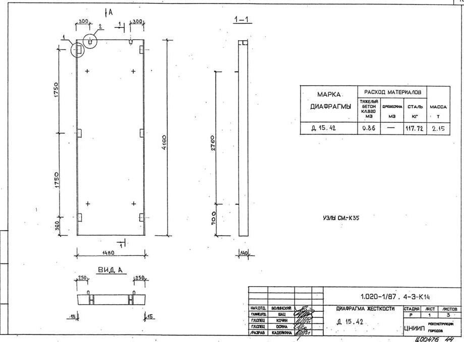
Диафрагма жесткости Д 15.42 – 43 стр

920 × 679 пикс.     Открыть в новом окне  
940 × 687 пикс.     Открыть в новом окне  
926 × 680 пикс.     Открыть в новом окне  

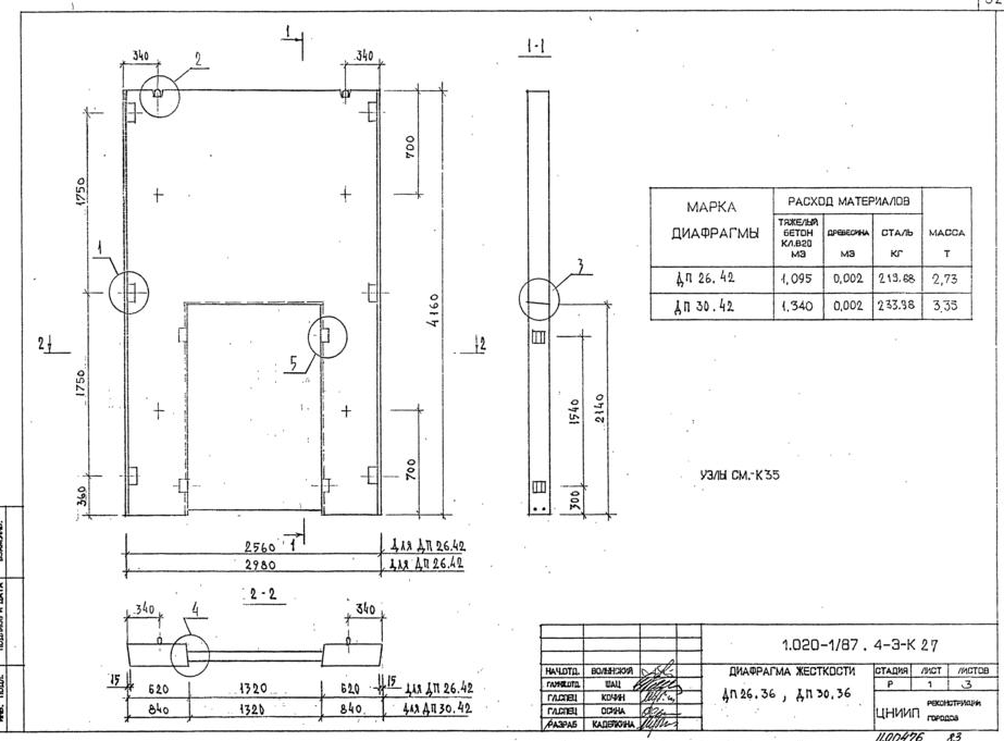
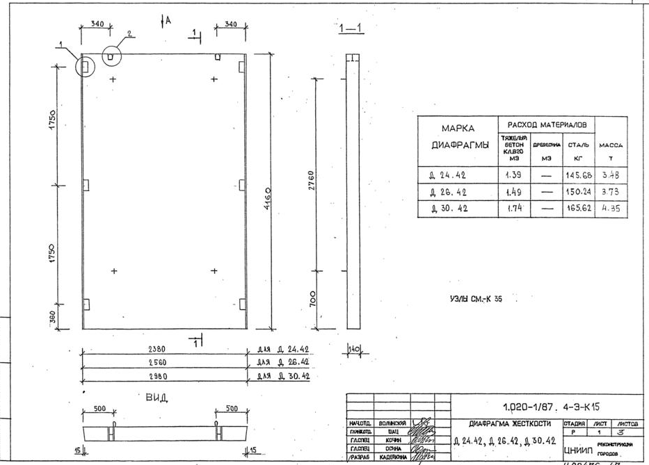
Диафрагма жесткости Д 24.42, Д 16.42, Д 30.42 – 46 стр

933 × 669 пикс.     Открыть в новом окне  
930 × 686 пикс.     Открыть в новом окне  
939 × 676 пикс.     Открыть в новом окне  

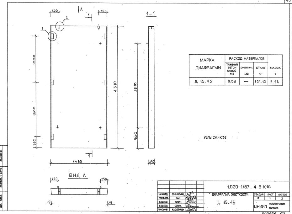
Диафрагма жесткости Д 15.43 – 49 стр

931 × 682 пикс.     Открыть в новом окне  
917 × 687 пикс.     Открыть в новом окне  
934 × 675 пикс.     Открыть в новом окне  

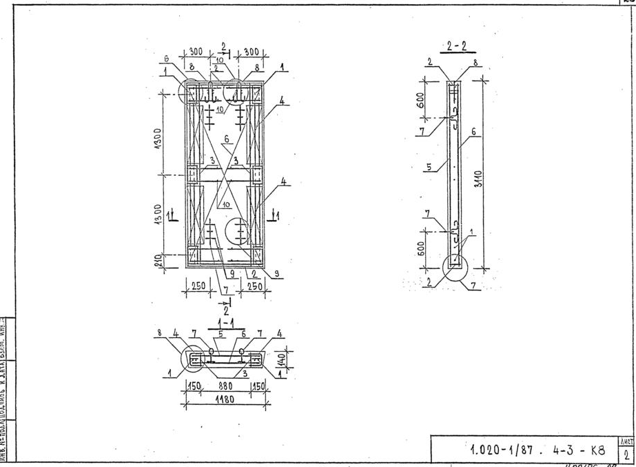
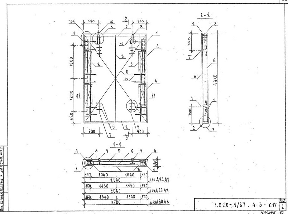
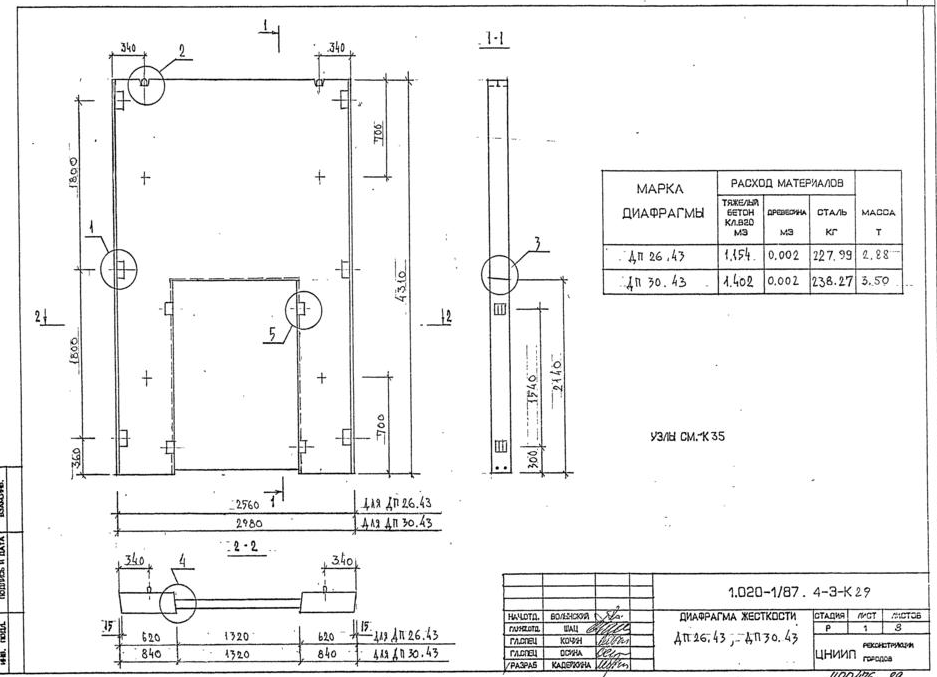
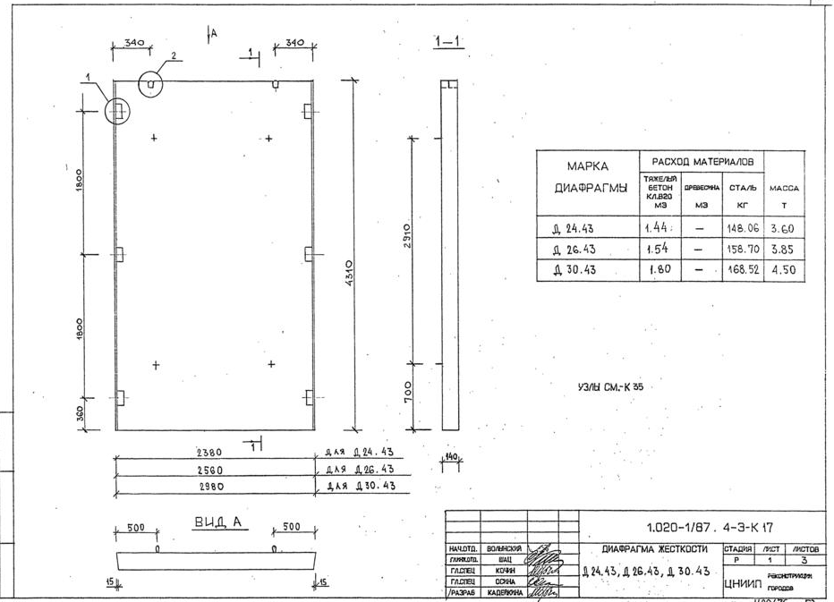
Диафрагма жесткости Д 24.43, Д 26.43, Д 30,43 – 52 стр

932 × 673 пикс.     Открыть в новом окне  
924 × 688 пикс.     Открыть в новом окне  
923 × 685 пикс.     Открыть в новом окне  

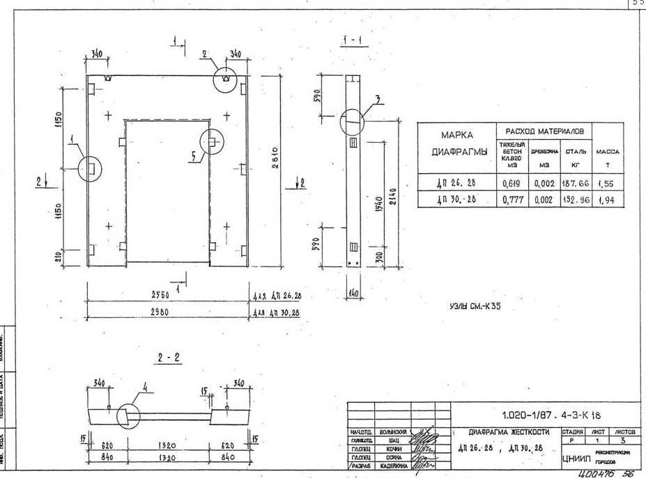
Диафрагма жесткости Д 26.28, Д 30.28 – 55 стр

927 × 687 пикс.     Открыть в новом окне  
938 × 689 пикс.     Открыть в новом окне  
919 × 693 пикс.     Открыть в новом окне  

Диафрагма жесткости Д 56.28 – 58 стр

927 × 668 пикс.     Открыть в новом окне  
919 × 685 пикс.     Открыть в новом окне  
933 × 684 пикс.     Открыть в новом окне  

Диафрагма жесткости 1ДП 56.28 – 61 стр

929 × 676 пикс.     Открыть в новом окне  
925 × 682 пикс.     Открыть в новом окне  
932 × 683 пикс.     Открыть в новом окне  

Диафрагма жесткости ДП 26.30, ДП 30.30 – 64 стр

919 × 675 пикс.     Открыть в новом окне  
916 × 680 пикс.     Открыть в новом окне  
924 × 668 пикс.     Открыть в новом окне  

Диафрагма жесткости ДП 26.31, ДП 30.31 – 67 стр

922 × 681 пикс.     Открыть в новом окне  
913 × 676 пикс.     Открыть в новом окне  
926 × 673 пикс.     Открыть в новом окне  

Диафрагма жесткости ДП 26.36, ДП 30.36 – 70 стр

930 × 674 пикс.     Открыть в новом окне  
925 × 680 пикс.     Открыть в новом окне  
921 × 674 пикс.     Открыть в новом окне  

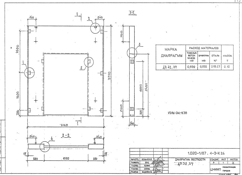
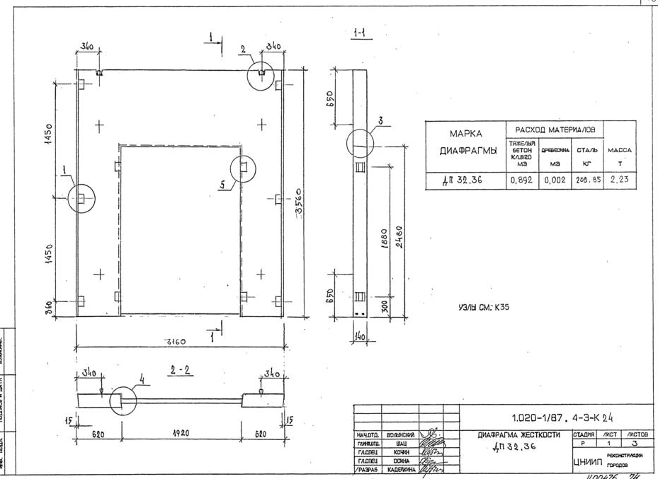
Диафрагма жесткости ДП 32.36 – 73 стр

929 × 677 пикс.     Открыть в новом окне  
920 × 686 пикс.     Открыть в новом окне  
929 × 681 пикс.     Открыть в новом окне  

Диафрагма жесткости ДП 26.37, ДП 30.37 – 76 стр

916 × 688 пикс.     Открыть в новом окне  
930 × 675 пикс.     Открыть в новом окне  
929 × 677 пикс.     Открыть в новом окне  

Диафрагма жесткости ДП 32.37 – 79 стр

927 × 672 пикс.     Открыть в новом окне  
925 × 677 пикс.     Открыть в новом окне  
941 × 679 пикс.     Открыть в новом окне  

Диафрагма жесткости ДП 26.36, ДП 30.37 – 82 стр

923 × 681 пикс.     Открыть в новом окне  
929 × 669 пикс.     Открыть в новом окне  
937 × 680 пикс.     Открыть в новом окне  

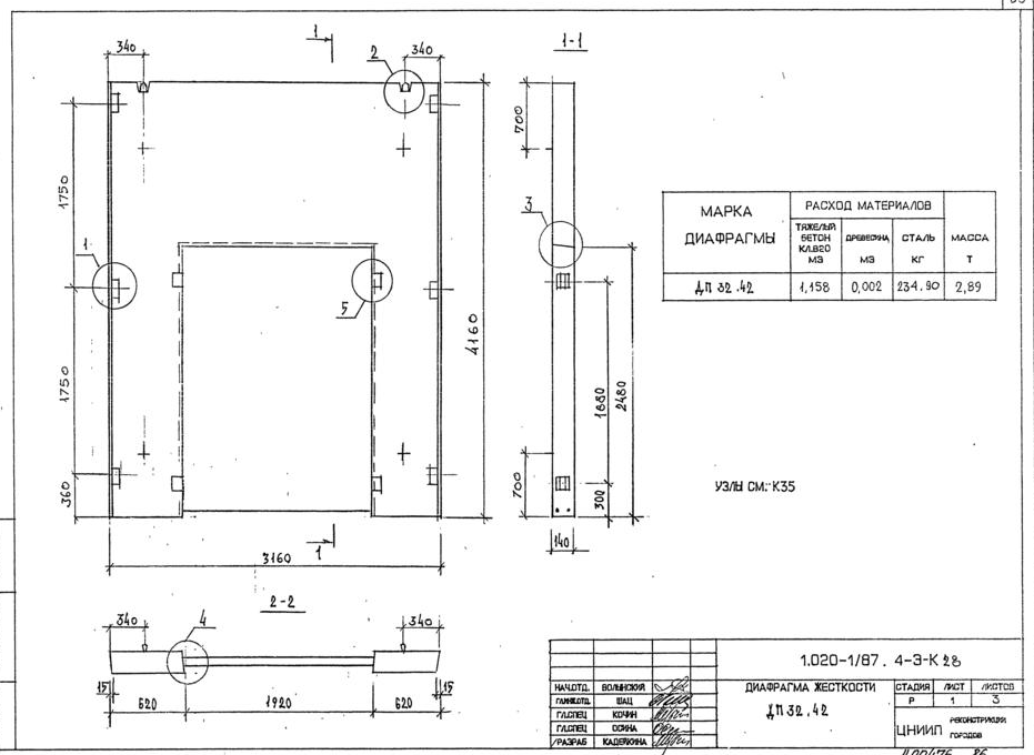
Диафрагма жесткости ДП 32.42 – 85 стр

931 × 680 пикс.     Открыть в новом окне  
929 × 679 пикс.     Открыть в новом окне  
931 × 684 пикс.     Открыть в новом окне  

Диафрагма жесткости ДП 36.43, ДП 30.43 – 88 стр

937 × 677 пикс.     Открыть в новом окне  
935 × 678 пикс.     Открыть в новом окне  
932 × 682 пикс.     Открыть в новом окне  

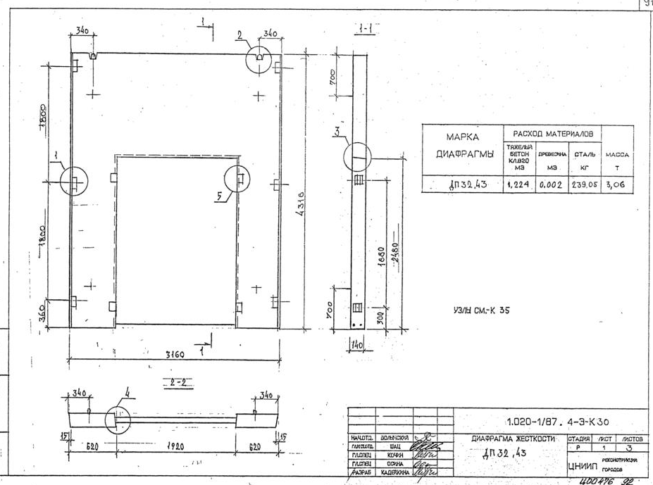
Диафрагма жесткости ДП 32.43 – 91 стр

927 × 689 пикс.     Открыть в новом окне  
930 × 690 пикс.     Открыть в новом окне  
933 × 681 пикс.     Открыть в новом окне  

Диафрагма жесткости ДП 26.12 – 94 стр

919 × 674 пикс.     Открыть в новом окне  
927 × 688 пикс.     Открыть в новом окне  
925 × 690 пикс.     Открыть в новом окне  

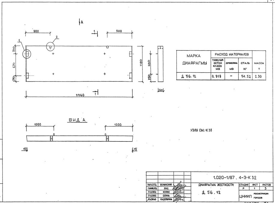
Диафрагма жесткости ДП 56.12 – 97 стр

912 × 673 пикс.     Открыть в новом окне  
916 × 689 пикс.     Открыть в новом окне  
936 × 685 пикс.     Открыть в новом окне  

Диафрагма жесткости ДП 26.18 – 100 стр

934 × 681 пикс.     Открыть в новом окне  
934 × 685 пикс.     Открыть в новом окне  
931 × 675 пикс.     Открыть в новом окне  

Диафрагма жесткости ДП 56.18 – 103 стр

924 × 682 пикс.     Открыть в новом окне  
933 × 694 пикс.     Открыть в новом окне  
932 × 675 пикс.     Открыть в новом окне  

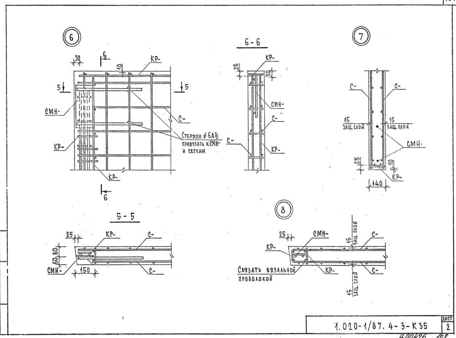
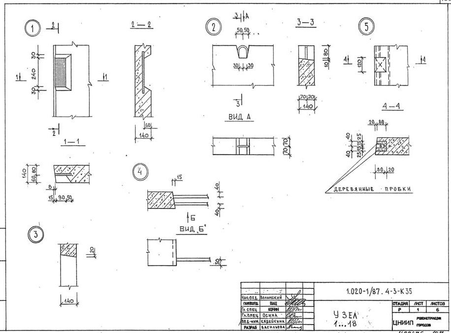
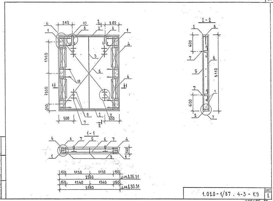
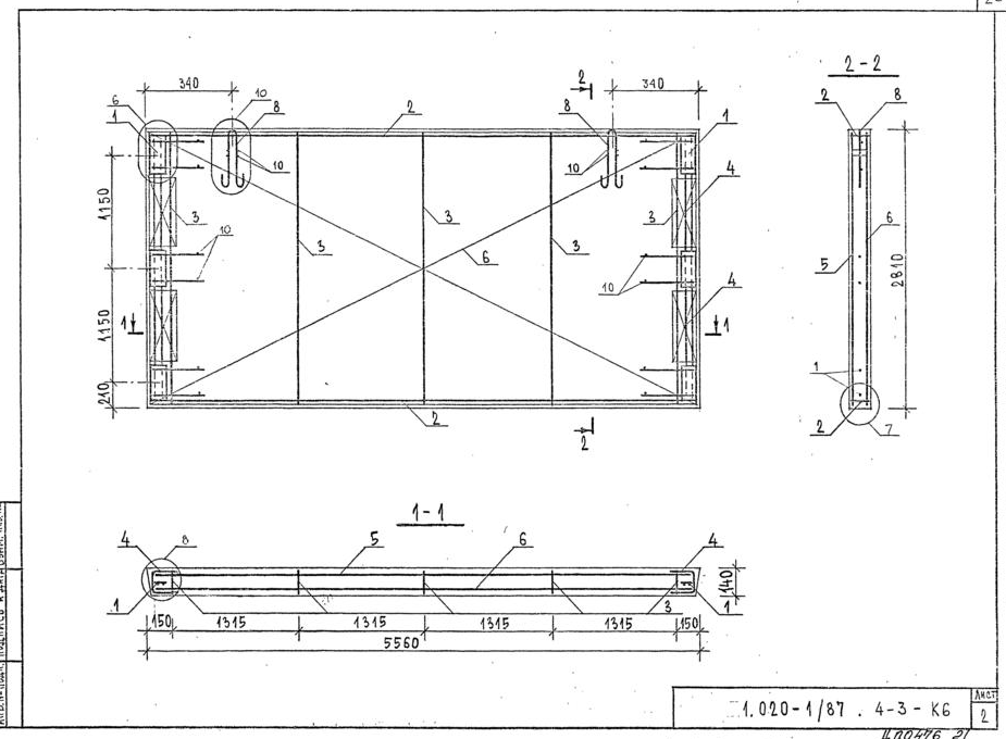
Узел 1…18 – 106 стр

915 × 676 пикс.     Открыть в новом окне  
922 × 683 пикс.     Открыть в новом окне  
927 × 679 пикс.     Открыть в новом окне  
924 × 675 пикс.     Открыть в новом окне  
916 × 673 пикс.     Открыть в новом окне  
929 × 675 пикс.     Открыть в новом окне  

Ведомость расхода стали, кг – 112 стр

924 × 675 пикс.     Открыть в новом окне  
921 × 688 пикс.     Открыть в новом окне  
925 × 689 пикс.     Открыть в новом окне  
924 × 676 пикс.     Открыть в новом окне  
920 × 680 пикс.     Открыть в новом окне  
934 × 685 пикс.     Открыть в новом окне  
933 × 686 пикс.     Открыть в новом окне  
920 × 670 пикс.     Открыть в новом окне  
936 × 682 пикс.     Открыть в новом окне  
934 × 680 пикс.     Открыть в новом окне  
930 × 683 пикс.     Открыть в новом окне (

Классы

Выбранные классы объекта Строительные материалы

Продукция

Подождите идет загрузка ....

Присоединяйтесь к рассылке!

Оформляя подписку, вы принимаете политику конфиденциальности ЖБИ-СНГ.ру