Выбран город Омск
Ваша корзина пуста

Серия 3.016.2-12 Металлические конструкции проходных и непроходных кабельных эстакад Выпуск 2. Фундаменты. Рабочие чертежи.

Описание

Фундаменты. Рабочие чертежи

Содержание – 2 стр

1145 × 796 пикс.     Открыть в новом окне  

Технические условия – 3 стр

1.Технические условия
1.1.Конструкции фундаментов должны соответствовать требованиям настоящих технических условий.
1.2.Бетон
1.2.1Фундаменты выполняются из тяжелого бетона класса В15.
1.2.2.Бетон должен удовлетворять требованиям ГОСТ 26633-85 «Бетон тяжелый. Технические условия»
1.2.3.Фактическая прочность бетона (в проектном возрасте) должна соответствовать требуемой, назначаемой по ГОСТ 18105-86 в зависимости от нормируемой прочности бетона и от показания фактической однородности бетона.
1.2.4.Распалубку фундаментов можно производить при достижении бетоном 70% прочности от его проектного класса по прочности на сжатие в теплый период года и 90% - в холодный период.
Продолжительность теплого и холодного периода года указывается проектной организацией при привязке проекта в соответствии с ГОСТ 13015.0-83 п.7.6.
1.2.5.Качество материалов, применяемых для приготовления бетона должно удовлетворять:
Цемент – ГОСТ 10178-85;
Заполнители – ГОСТ 10268-80;
Вода – ГОСТ 23732-79.
1.3.Арматура
1.3.1.Для изготовления арматурных изделий применяется горячекатаная арматурная сталь класса А-III по ГОСТ 5781-82*.
1.3.2. Фундаменты армируются сетками и плоскими каркасами.
1.3.3.Изготовление сеток и каркасов должно производить в соответствии с требованиями ГОСТ 10922-90 «Арматурные и закладные изделия сварные, соединения сварные арматуры и закладных изделий железобетонных конструкций. Типы, конструкция и размеры.»
1.3.4.Арматурные сетки следует изготовлять с помощью контактной точечной сварки. Сварку сеток производить во всех точках пересечений стержней.
1.3.5.Для крестообразных сварных соединений сеток тип шва при контактной точечной сварке – К1-Кт.
1.3.6.Толщина защитного слоя бетона до поверхности арматурного стержня принята min 35 мм, а до торца стержня – 25 мм.
1.3.7. Размеры сеток и каркасов даны по осям и торцам стержней.

Фундамент Фм1; Фм1-1 – 4 стр

1186 × 790 пикс.     Открыть в новом окне  

Фундамент Фм2 – 5 стр

1192 × 805 пикс.     Открыть в новом окне  

Фундамент Фм3; Фм3-1 – 6 стр

1185 × 801 пикс.     Открыть в новом окне  

Фундамент Фм-4 – 7 стр

1200 × 815 пикс.     Открыть в новом окне  

Фундамент Фм5; Фм5-1; Фм5-2 – 8 стр

1185 × 813 пикс.     Открыть в новом окне  

Фундамент Фм6 – 9 стр

1167 × 792 пикс.     Открыть в новом окне  

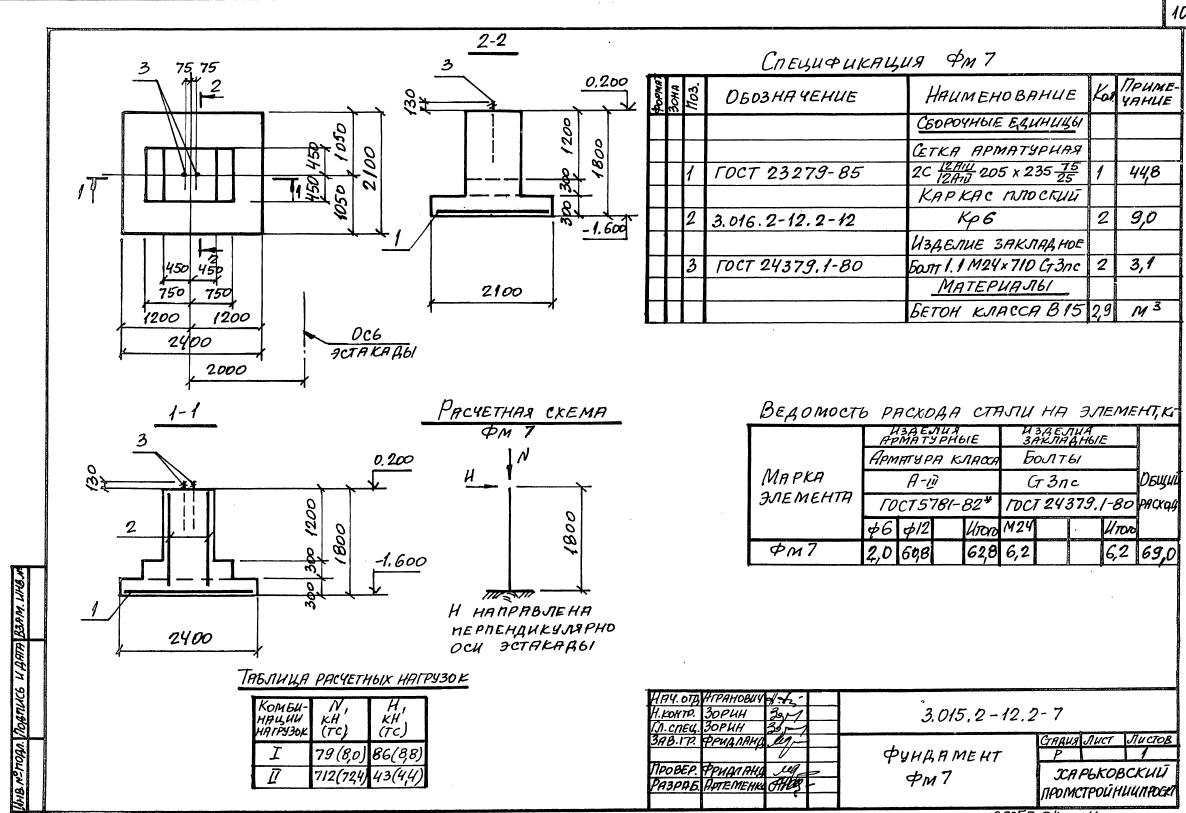
Фундамент Фм7 – 10 стр

1186 × 813 пикс.     Открыть в новом окне  

Фундамент Фм8; Фм8-1; Фм9 – 11 стр

1189 × 800 пикс.     Открыть в новом окне  

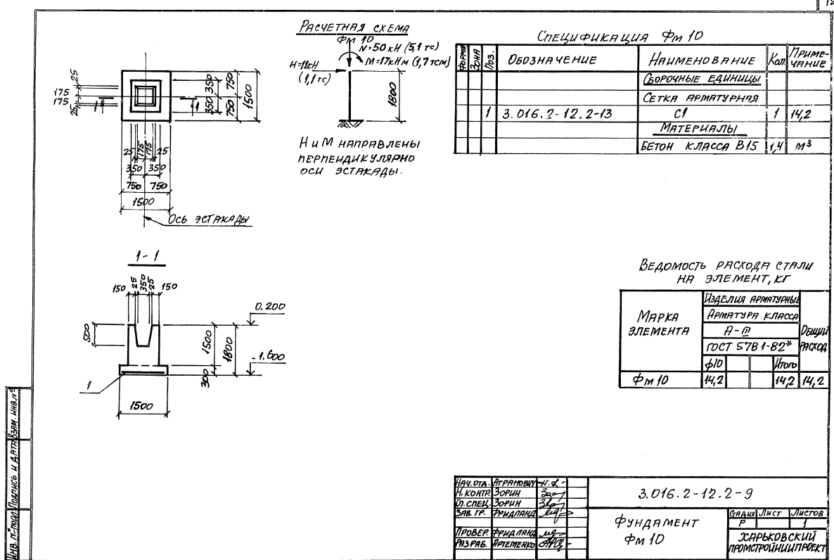
Фундамент Фм10 – 12 стр

1186 × 796 пикс.     Открыть в новом окне  

Каркас плоский Кр1; Кр2; Кр3;Кр4 – 13 стр

1197 × 814 пикс.     Открыть в новом окне  

Каркас плоский Кр5; Кр6; Сетка арматурная С1 – 14 стр

1188 × 803 пикс.     Открыть в новом окне (

Классы

Выбранные классы объекта Строительные материалы

Продукция

Подождите идет загрузка ....

Присоединяйтесь к рассылке!

Оформляя подписку, вы принимаете политику конфиденциальности ЖБИ-СНГ.ру