![]() |
|
| 945 × 651 пикс. Открыть в новом окне | |
![]() |
|
| 469 × 165 пикс. Открыть в новом окне | |
![]() |
|
| 462 × 347 пикс. Открыть в новом окне | |

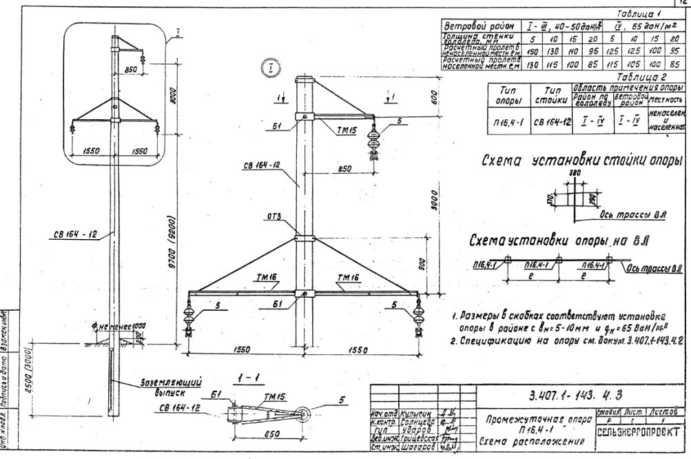
наибольшая стрела траверса провода в габаритном пролете, м;
длина изолирующей подвески на промежуточной опоре, м.![]() |
|
| 459 × 159 пикс. Открыть в новом окне | |
или
принимаются безригельно закрепление свободностоящей опоры; при
и
на расстоянии 0,5 м от поверхности земли устанавливается ригель АР7 с деталью крепления КР7 по типовой серии 3.407-115, выпуск 5.![]() |
|
| 467 × 186 пикс. Открыть в новом окне | |
![]() |
|
| 1012 × 665 пикс. Открыть в новом окне | |
![]() |
|
| 987 × 670 пикс. Открыть в новом окне | |
![]() |
|
| 458 × 263 пикс. Открыть в новом окне | |
![]() |
|
| 979 × 666 пикс. Открыть в новом окне | |
![]() |
|
| 998 × 672 пикс. Открыть в новом окне | |
![]() |
|
| 1003 × 666 пикс. Открыть в новом окне | |
![]() |
|
| 994 × 670 пикс. Открыть в новом окне | |
![]() |
|
| 988 × 669 пикс. Открыть в новом окне | |
![]() |
|
| 992 × 668 пикс. Открыть в новом окне | |
![]() |
|
| 996 × 669 пикс. Открыть в новом окне | |
![]() |
|
| 992 × 671 пикс. Открыть в новом окне | |
![]() |
|
| 1002 × 682 пикс. Открыть в новом окне | |
![]() |
|
| 997 × 677 пикс. Открыть в новом окне | |
![]() |
|
| 998 × 669 пикс. Открыть в новом окне | |
![]() |
|
| 1000 × 670 пикс. Открыть в новом окне | |
![]() |
|
| 999 × 678 пикс. Открыть в новом окне | |
![]() |
|
| 993 × 665 пикс. Открыть в новом окне ( | |
Выбранные классы объекта Строительные материалы
Остался последний шаг - подтвердите подписку, перейдя по ссылке из письма. Письмо уже у вас на почте