Выбран город Омск
Ваша корзина пуста

Серия 3.407.1-143 Железобетонные опоры ВЛ 10 кВ. Выпуск 6 Двухцепные железобетонные опоры.

Описание

Рабочие чертежи

Содержание – 2 стр

1062 × 724 пикс.     Открыть в новом окне  

Пояснительная записка – 3 стр

1.Общая часть
1.1. Двухцепные железобетонные опоры предназначены для строительства воздушных линий электропередачи напряжением 10кв, проходящих в стесненных условиях на выходах с подстанций; по населенной местности, насыщенной инженерными сооружениями; по территории парков; ценным земельным угодьям
1.2. Выпуск 6 содержит рабочие чертежи промежуточных, ответвительных промежуточных, угловых промежуточных, анкерных и концевых опор, разработанных на базе стойки СВ 164-12 по ГОСТ 23613-79.
2. Указания по применению
2.1. Опоры предназначены для применения в I-IV районах по ветру в I-IV районах по гололеду в ненаселенной и населенной местности.
2.2. Опоры разработаны для применения в районах с расчетной температурой наиболее холодной пятидневки до минус 40 МЉС
2.3.Опоры могут применяться в агрессивных грунтовых средах и в неагрессивных газовых средах. Вид защитного покрытия железобетонных стоек должен назначаться в соответствии со СНиП 2.03.11-85, а стальных конструкций- по ОСТ 34-72-645-83.
2.4. На опорах должны подвешиваться все шесть проводов одного сечения с помощью изолирующих подвесок.
2.5. Расположение на опоре проводов двух цепей принято вертикальное, каждая цепь со своей стороны стойки, что позволяет вести ремонтные работы на отключенной цепи при включенной другой. При пересечении двухцепной линии ВЛ10кВ с инженерными сооружениями рекомендуется применять промежуточные повышенные двухцепные железобетонные опоры ВЛ35кВ по типовому проекту 3.407-107, выпуск 2
2.6. Расстояние между проводами одной цепи принято:
В ненаселенной местности – 2,2 м
В населенной местности – 2,0 м
Расстояние между ближайшими проводами разных цепей ВЛ10кВ в ненаселенной и населенной местности – 2,5 м, что обеспечивает надежную работу линий по схлестыванию, подскокам, провода при сбросе гололеда и пляске проводов.
2.1. Шифр опоры состоит из трех частей, соответственно указывающих:
В первой части – количество цепей и название опоры;
Во второй части – напряжение ВЛ;
В третьей части – модификацию опоры.
Например: 2ОП10-2 – двухцепная ответвительная промежуточная опора; напряжение 10кВ; модификация 2.
3. Провода, изоляторы арматура.
3.1. Двухцепные железобетонные опоры разработаны для подвески сталеалюминевцевых проводов следующих марок и сечений: АС 50/8,0; АС70/11 и АС95/16 по ГОСТ 839-80.
3.2. Рекомендуемые марки проводов в зависимости от района гололедности даны в табл. 1
Таблица 1
224 × 91 пикс.     Открыть в новом окне  
3.3. Величины принятых в данном выпуске максимальных напряжений и тяжений в проводах при нормативной нагрузке приведены в табл. 2
Таблица 2
416 × 188 пикс.     Открыть в новом окне  
3.4. Монтажные стрелы провеса проводов приняты по «Руководящим материалам по проектированию электроснабжения сельского хозяйства», август-сентябрь 1985 г. «Сельэнергопроект»
3.5. Крепление проводов на промежуточных опорах предусмотрена при помощи поддерживающих изолирующих подвесок.
Независимо от степени загрязненности атмосферы воздуха как поддерживающая, так и натяжная изолирующая подвеска должны содержать два подвесных изолятора типа ПФ70В.
Допускается применение подвесных изоляторов типа ПС 70Д.
3.6. Соединение проводов в петлях опор анкерного типа предусматривается зажимами типа ПА по ГОСТ 4261-82; в пролете-зажимами соединительными овальными типа СОАС по ТУ34-27-10876-84.
3.7. В проекте приняты унифицированные пролеты, одинаковые для всех марок проводов в одном климатическом районе, что позволяет увеличивать сечение провода при росте электрических нагрузок без изменения расстановка опорю Эти пролеты приняты для населенной и ненаселенной местности одинаковыми, для чего в населенной местности увеличена высота подвески нижних проводов. Величины пролетов приведены в табл. 3
Таблица 3
377 × 91 пикс.     Открыть в новом окне  
4. Основные положения по расчету опор
4.1. Определение действующих нагрузок и расчет опор выполнены по методу предельных состояний для сочетаний климатических условий, указанных в п.2.1, согласно действующим «Правилам устройства электроустановок» (ПУЭ) и «Строительным нормам и правилам «(СНиП)
4.2.Максимальные нормативные скоростные напоры ветра и толщины гололедно-изморозевых отложений на проводах определены, исходя из повторяемости 1 раз в 10 лет
4.3. Максимальный нормативный скоростной напор ветра принят следующим по ветровым районам: I и II- 40 даН/м2; III-50даН/м2; IV-65даН/м2.
4.4. Нормативная толщина стенки гололеда принята следующей по районам гололедности: I-5 мм; II-10 мм; III-15 мм; IV-20 мм.
4.5. Скоростной напор ветра в гололедном режиме принят равным для I-IV ветровых районов-20 даН\м2
4.6. Коэффициенты перегрузки приняты в соответствии с приложением к главе 2.5 ПУЭ «Указания по проектированию опор, фундаментов и оснований ВЛ»
4.7. Ветровые пролеты для опор ВЛ рассчитаны в соответствии со стандартом института «Сельэнергопроект» СТП-I-82.
4.8. Расстояние между проводами d на опоре по условиям сближения проводов в пролёте принято по формуле:
  • - наибольшая стрела провеса провода в габаритном пролете, м
 -длина изолирующей подвески промежуточной опоры, м.
4.9. Максимальное давление стойки с железобетонной плитой П-3и на грунт:
Анкерной опоры – 0,27 Мпа;
Концевой опоры – 0,41 Мпа.
4.10. Максимальный момент действующей на промежуточную опору на уровне земли, приведен в табл.4
Таблица 4
487 × 108 пикс.     Открыть в новом окне  
5.1. Закрепление двухцепных опор предусматривается в сверлых котлованах диаметром 650 мм с засыпкой пазух котлованов местным грунтом.
5.2. Засыпку котлована производить местным грунтом слоями не более 0,2 м с уплотнением его трамбовкой до получения плотности грунта засыпки равной 1,7 т/м3
Не допускается применение для обратной засыпки растительного и переувлажненного атмосферными осадками глинистого грунта.
При работе в зимнее время допускается обратная засыпка пазух котлована свеж вынутым грунтом с до утрамбовкой и досыпкой в летнее время.
5.3. Расчетные сопротивления грунтов на сжатие с учетом железобетонной плиты П-3и и несущая способность свободностоящей опоры без ригеля приведены в табл. 5
5.4. Расчет закреплений всех видов опор выполнен в соответствии с указаниями СНиП 2.02.01-83 «Основания зданий и сооружений. Нормы проектирования»
5.5. Закрепления в грунте промежуточных опор предусмотрено двух типов: без ригельное и с установкой ригеля АР7 с помощью детали крепления КР7 на расстоянии 0,5 м от поверхности земли. Конструкции АР7 и КР7 приняты по типовой серии 3.407. -115 выпуск 5. В случае когда максимальный момент (п.4.10) больше предельной несущей способности грунта, следует устанавливать ригель АР7.
5.6. Если максимальное давление стойки на грунт (п.4.9) в опорах анкерного типа больше расчетного сопротивление грунта, необходимо предусмотреть или его усиление или снижение тяжения проводов.
5.7. Закрепление каждой оттяжки у сложных опор производится к анкеру АЦ-1, установленному в сверлый котлован. Котлован засыпается на высоту не менее 1 м песчано-гравийной смесью, оставшийся объем- местным грунтом. Это позволяет использовать анкер АЦ-1 во всех грунтах, кроме супесей при  с е= 0,75-0,85; суглинков при  с е=0,85-1,05 и глин при  с е= 1,05.
Максимальное расчетное тяжение в оттяжке принято 4670даН.
5.8. При установке оттяжек концевой опоры следует их натягивать до отклонения верха стойки без проводов от вертикали на 15-20 см.
При установке оттяжек анкерной опоры следует первой оттяжкой отклонить верх стойки на 5-10 см, а второй вернуть его в вертикальное положение.
6. Заземление опор
6.1. Для закрепления в стойках СВ164-12 предусмотрены заземляющие проводники, выполненные из двух стальных стержней ф12, приваренных к закладным деталям стойки.
6.2. При необходимости, к нижнему заземляющему проводнику должны быть приварены искусственные заземлители в соответствии с типовым проектом 3.407-83
6.3. На концевых и анкерных опорах к заземляющему устройству должны быть подсоединены оттяжки опор.
6.4. Заземление стальных элементов опор осуществляется путем их присоединения заземляющим проводником 3П1 к специальному болту Б1, пропущенному в отверстие верхнего конца стойки СВ 164-12, образованного закладными деталями, приваренными к продольным арматурным стержням.
6.5. Контактные болтовые соединения заземляющих элементов должны быть предварительно защищены и покрыты слоем чистого технического вазелина.
Таблица 5
1034 × 728 пикс.     Открыть в новом окне  
7. Показатели надежности ВЛ10кВ
7.1. Расчет показателей надежности производится по «Методическим указаниям по расчету надежности механической части ВЛ6-10кВ, при воздействии гололедно-ветровых нагрузок; «Сельэнергопроект» арх. в„– 015261.
7.2. Вероятность аварии ВЛ от гололедно-ветровых нагрузок на опорах данного выпуска в шесть раз меньше, чем на опорах по типовой серии 3.407-101, а число одиночных отказов уменьшается более, чем в 20 раз.
7.3. Расчетные показатели надежности приведены в табл. 6
Таблица 6
496 × 225 пикс.     Открыть в новом окне  
8. Техника безопасности
8.1. При монтаже опор и проводов должны соблюдаться общие правила техники безопасности в строительстве согласно СНиП III-4-80 и «правила техники безопасности при производстве электромонтажных работ на объектах Минэнерго СССР», утвержденных Минэнерго СССР 04.10.83

Номенклатура опор – 9 стр

1041 × 730 пикс.     Открыть в новом окне  

Спецификация элементов опор – 10 стр

1067 × 720 пикс.     Открыть в новом окне  
1043 × 713 пикс.     Открыть в новом окне  

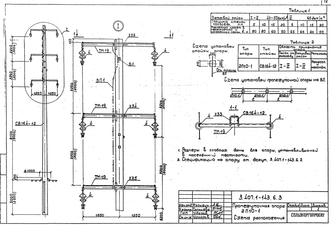
Промежуточная опора 2П10-1. Схема расположения – 12 стр

1054 × 719 пикс.     Открыть в новом окне  

Ответвительная промежуточная опора 20П10-1. Схема расположения – 13 стр

973 × 667 пикс.     Открыть в новом окне  

Ответвительная промежуточная опора 20П10-2. Схема расположения – 14 стр

976 × 678 пикс.     Открыть в новом окне  

Ответвительная промежуточная опора 20П10-3. Схема расположения – 15 стр

1040 × 717 пикс.     Открыть в новом окне  

Угловая промежуточная опора 2УП10-1. Схема расположения – 16 стр

1034 × 701 пикс.     Открыть в новом окне  

Анкерная опора 2А10-1. Схема расположения – 17 стр

1052 × 706 пикс.     Открыть в новом окне  
1062 × 737 пикс.     Открыть в новом окне  

Концевая опора 2К10-1. Схема расположения – 19 стр

1047 × 723 пикс.     Открыть в новом окне  
1054 × 708 пикс.     Открыть в новом окне  

Подвеска натяжная изолирующая – 21 стр

1042 × 731 пикс.     Открыть в новом окне  

Подвеска поддерживающая изолирующая I – 22 стр

1042 × 707 пикс.     Открыть в новом окне  

Подвеска поддерживающая изолирующая II – 23 стр

1048 × 717 пикс.     Открыть в новом окне  

Ведомость расхода материалов – 24 стр

1058 × 730 пикс.     Открыть в новом окне  
1047 × 717 пикс.     Открыть в новом окне (

Классы

Выбранные классы объекта Строительные материалы

Продукция

Подождите идет загрузка ....

Присоединяйтесь к рассылке!

Оформляя подписку, вы принимаете политику конфиденциальности ЖБИ-СНГ.ру