Выбран город Омск
Ваша корзина пуста

Серия 3.407.1-143 Железобетонные опоры ВЛ 10 кВ. Выпуск 8 Стальные конструкции опор.

Описание

Рабочие чертежи

Содержание – 2 стр

982 × 670 пикс.     Открыть в новом окне  
459 × 653 пикс.     Открыть в новом окне  

Пояснительная записка – 3 стр

1.Общая часть
1.1. В данном выпуске разработаны унифицированные стальные конструкции, применяемые на опорах ВЛ10кВ с железобетонными стойками (см. выпуски 1…7 данной серии)
Унификация стальных конструкций позволила сократить количество их типоразмеров и марок.
1.2.Маркировка стальных конструкций опор ВЛ10кВ выполнена в соответствии с отраслевым стандартом ОСТ 34-72-645-53.
1.3. Стальные конструкции данного выпуска рекомендуется к применению в районах с расчетной температурой наиболее холодной пятидневки по СНиП 2.01.01-82 до минус 65 МЉ и выше.
2. Технические требования
2.1.Марки сталей для изготовления конструкций приведены в таблице.
452 × 169 пикс.     Открыть в новом окне  
459 × 163 пикс.     Открыть в новом окне  
2.2. Расчетная температура района строительства должна быть указана в заказе на изготовление конструкций.
2.3. Изготовление конструкций, защита их от коррозии, приемка готовых изделий, методы контроля за качеством изготовления, упаковка, транспортирование, хранение, комплектность поставки и требования к монтажу должны соответствовать ОСТ 34-72-645-83.
2.4. Технология изготовления деталей выбирается в зависимости от размера партии деталей и от возможностей предприятия.
2.5. Сварные соединения элементов конструкций осуществляется электродуговой сваркой. Тип электрода назначается в зависимости от расчетной температуры строительства и марок стали в соответствии с ОСТ 34-72-645-83.
2.6. Высота шва во всех сварных соединениях принята hm=5 мм, за исключением случаев, особо оговоренных на чертеже.
2.7. Конструкция должна быть собрана согласно чертежу в пределах допускаемых отклонений по ОСТ 34-72-645-83.
2.8.Разница между номинальным диаметром отверстия и стержнем в детали допускается до 2 мм в случаях, оговоренных на чертежах.
2.9. При изготовлении металлоконструкций для крепления подвесной и натяжной изолирующих подвесок в целях сокращения линейной арматуры серьги СРС-7-17 закрепляются на элементах траверс при их изготовлении.
Серьги СРС-7-17 должны быть заказаны заводом-изготовителем.
2.10. При монтаже конструкций момент затяжки болтов должен быть 10-150Нм.
Качество затяжки болтов должна контролироваться в соответствии с ОСТ 34-72-645-83.
2.11. Закрепление гаек от раскручивания производится путем забивки резьбы.
2.12. Не допускается изготовление траверс ТМ6, ТМ8, ТМ11, ТМ12, ТМ14-ТМ23, ТМ30 и марок ОГ2, ОГ6-ОГ8, ОГ10, ОГ12-ОГ15 без приваренных петель.

Траверса ТМ1, ТМ24 – 5 стр

1065 × 710 пикс.     Открыть в новом окне  

Траверса ТМ2, ТМ4 – 6 стр

1074 × 721 пикс.     Открыть в новом окне  

Траверса ТМ3 – 7 стр

1052 × 700 пикс.     Открыть в новом окне  

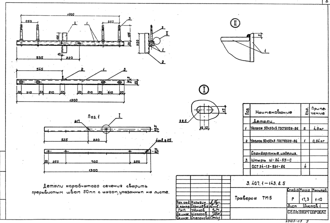
Траверса ТМ5 – 8 стр

1081 × 733 пикс.     Открыть в новом окне  

Траверса ТМ6 – 9 стр

1059 × 706 пикс.     Открыть в новом окне  

Траверса ТМ7 – 10 стр

1069 × 727 пикс.     Открыть в новом окне  

Траверса ТМ8 – 11 стр

1050 × 727 пикс.     Открыть в новом окне  

Траверса ТМ9 – 12 стр

1069 × 721 пикс.     Открыть в новом окне  

Траверса ТМ10 – 13 стр

1056 × 722 пикс.     Открыть в новом окне  

Траверса ТМ11 – 14 стр

1056 × 713 пикс.     Открыть в новом окне  

Траверса ТМ12, ТМ19 – 15 стр

1058 × 722 пикс.     Открыть в новом окне  

Траверса ТМ13 – 16 стр

1063 × 725 пикс.     Открыть в новом окне  

Траверса ТМ14 – 17 стр

1058 × 717 пикс.     Открыть в новом окне  

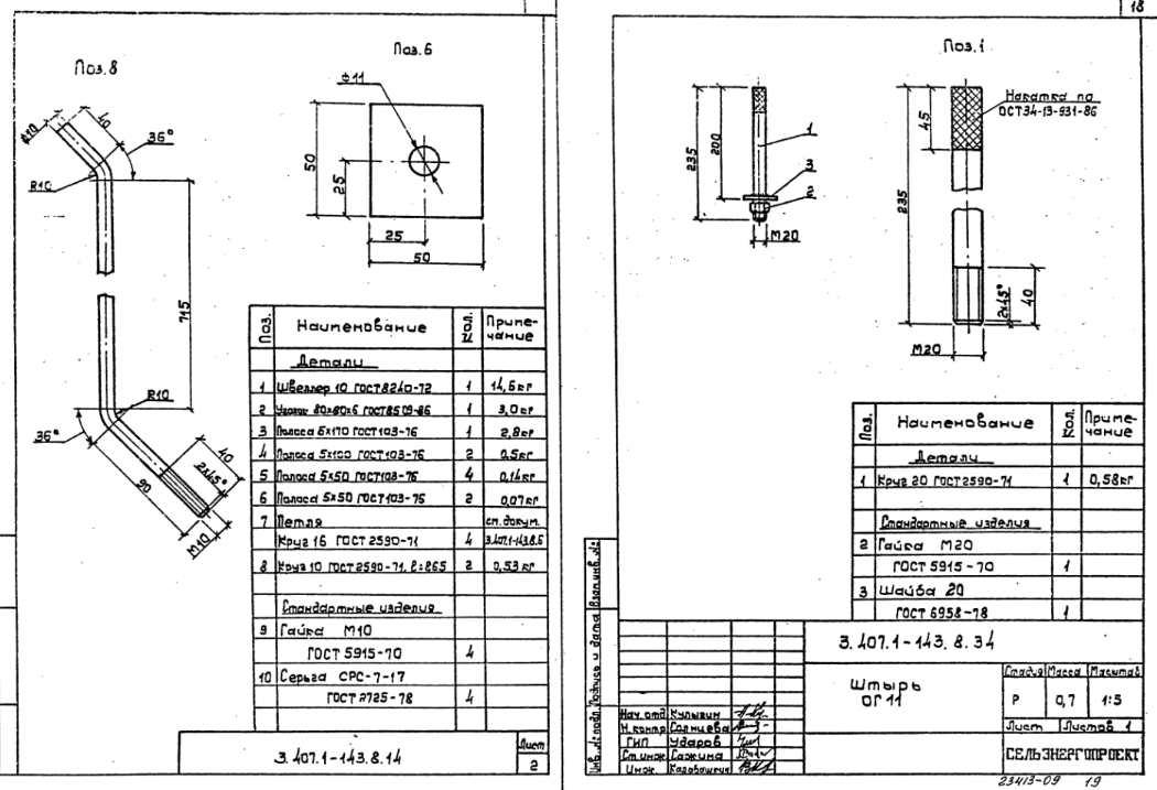
Штырь ОГ11 – 18 стр

1050 × 717 пикс.     Открыть в новом окне  

Траверса ТМ15 – 19 стр

1045 × 715 пикс.     Открыть в новом окне  

Траверса ТМ16 – 20 стр

1046 × 728 пикс.     Открыть в новом окне  

Траверса ТМ17 – 21 стр

1043 × 719 пикс.     Открыть в новом окне  

Траверса ТМ18, ТМ22 – 22 стр

1049 × 724 пикс.     Открыть в новом окне  

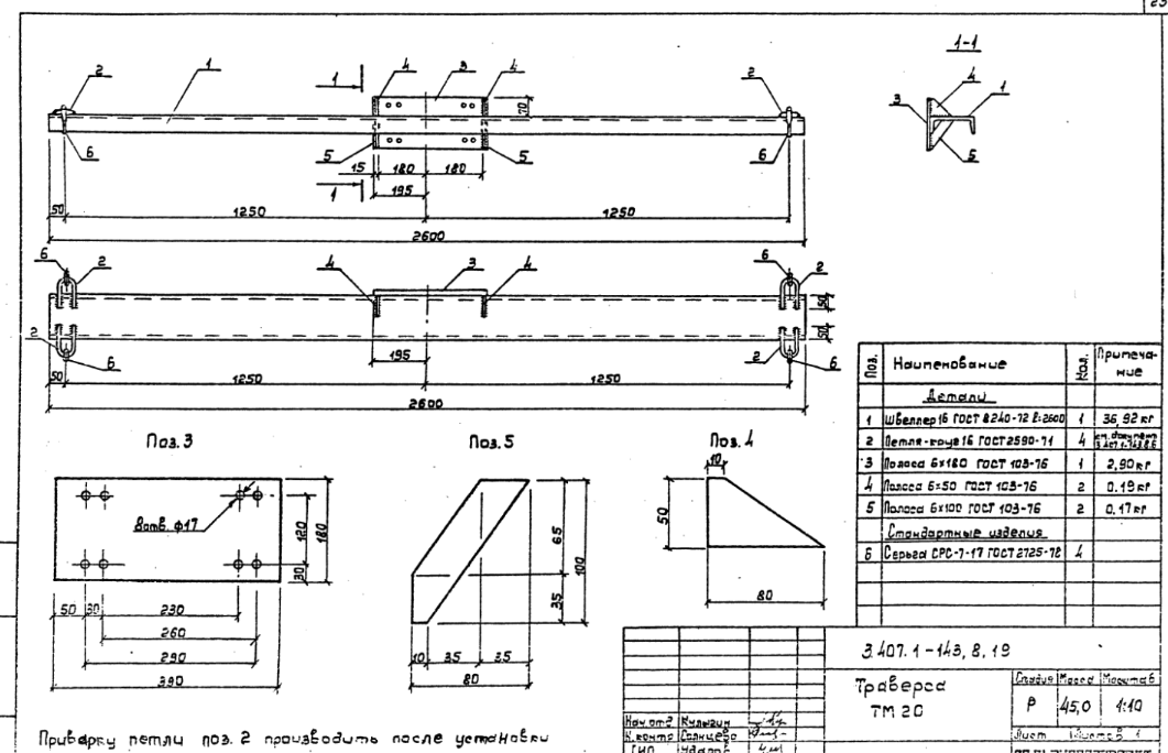
Траверса ТМ20 – 23 стр

1061 × 684 пикс.     Открыть в новом окне  

Траверса ТМ21 – 24 стр

1061 × 723 пикс.     Открыть в новом окне  

Траверса ТМ23,ТМ31 – 25 стр

1058 × 707 пикс.     Открыть в новом окне  

Траверса ТМ30 – 26 стр

1057 × 719 пикс.     Открыть в новом окне  

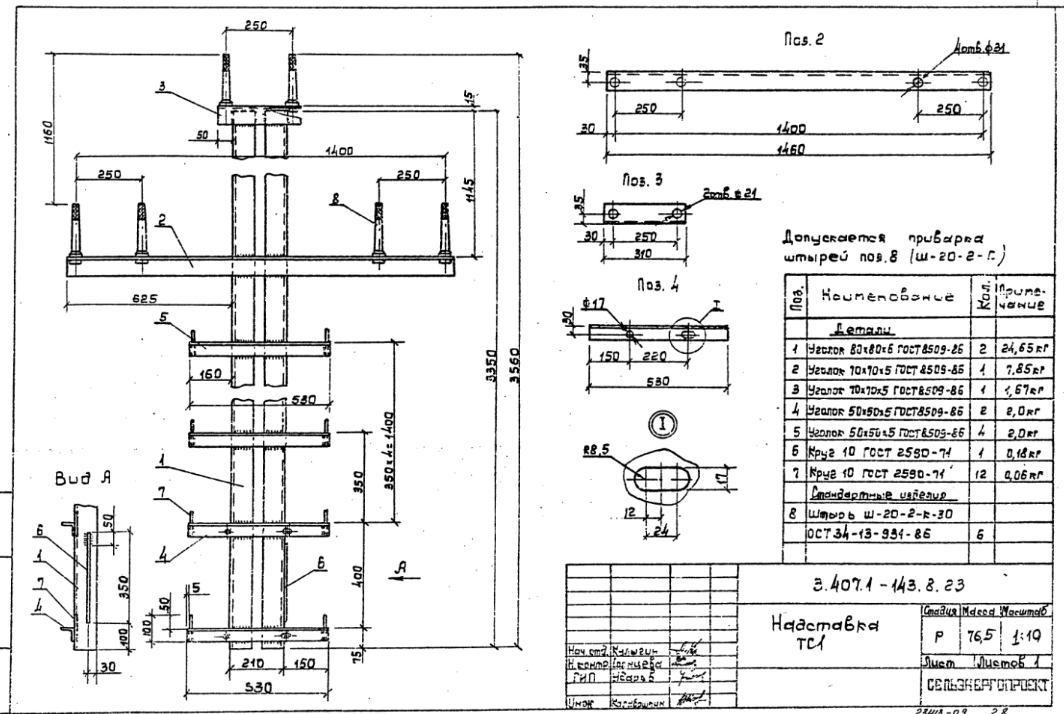
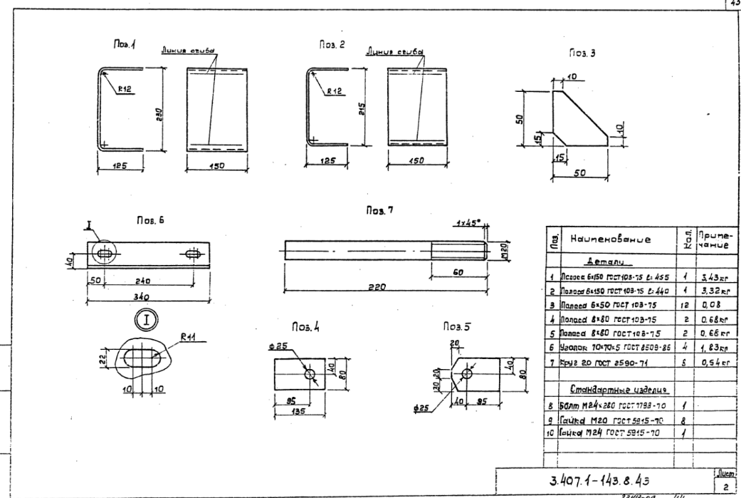
Надставка ТС1– 27 стр

1064 × 714 пикс.     Открыть в новом окне  

Надставка ТС2; Оголовок ОГ1– 28 стр

1062 × 717 пикс.     Открыть в новом окне  

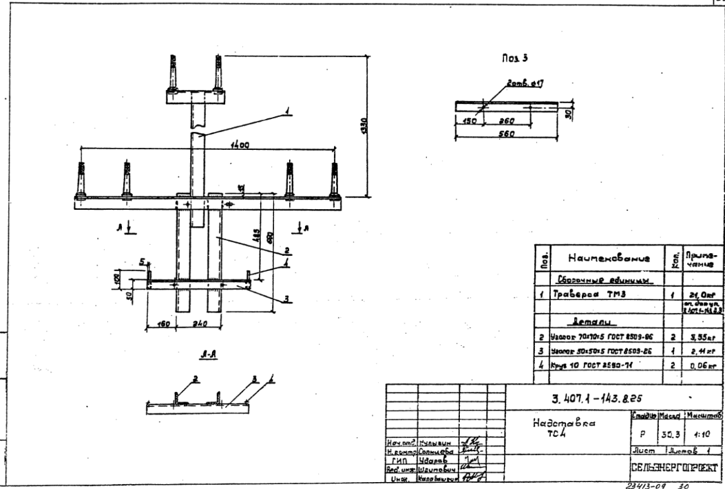
Надставка ТС4 – 29 стр

1053 × 711 пикс.     Открыть в новом окне  

Надставка ТС6 – 30 стр

1076 × 725 пикс.     Открыть в новом окне  

Накладка ОГ2 – 31 стр

1049 × 710 пикс.     Открыть в новом окне  

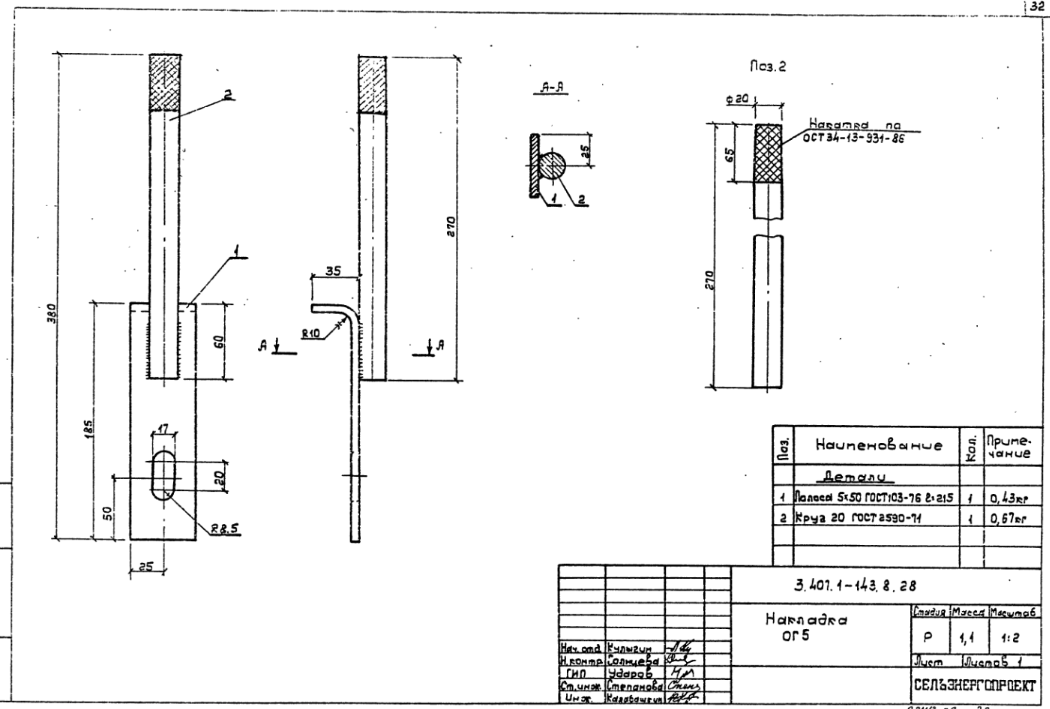
Накладка ОГ5 – 32 стр

1050 × 709 пикс.     Открыть в новом окне  

Накладка ОГ6; Оголовок ОГ14 – 33 стр

1050 × 709 пикс.     Открыть в новом окне  

Оголовок ОГ7; Накладка ОГ8 – 34 стр

1069 × 723 пикс.     Открыть в новом окне  

Накладка ОГ9; Накладка ОГ10 – 35 стр

1058 × 715 пикс.     Открыть в новом окне  

Накладка ОГ12; Накладка ОГ13 – 36 стр

1054 × 707 пикс.     Открыть в новом окне  

Оголовок ОГ15 – 37 стр

1059 × 712 пикс.     Открыть в новом окне  

Болты Б1, Б5, Б6; Хомуты Х63-Х36 – 38 стр

1052 × 717 пикс.     Открыть в новом окне  

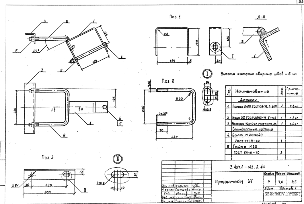
Кронштейн У1 – 39 стр

1060 × 713 пикс.     Открыть в новом окне  

Кронштейн У2 – 40 стр

1054 × 708 пикс.     Открыть в новом окне  

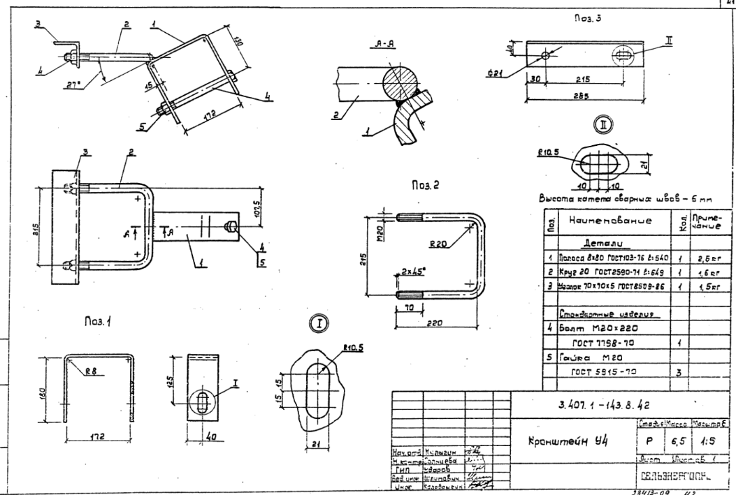
Кронштейн У4 – 41 стр

1053 × 709 пикс.     Открыть в новом окне  

Кронштейн У5 – 42 стр

1072 × 729 пикс.     Открыть в новом окне  
1041 × 699 пикс.     Открыть в новом окне  

Хомут Х25; Стяжка Г1 – 44 стр

1055 × 714 пикс.     Открыть в новом окне  

Хомут Х25; Стяжка Г1 – 44 стр

1055 × 714 пикс.     Открыть в новом окне  

Упор Г6; Ригель Г7 – 45 стр

1064 × 711 пикс.     Открыть в новом окне  

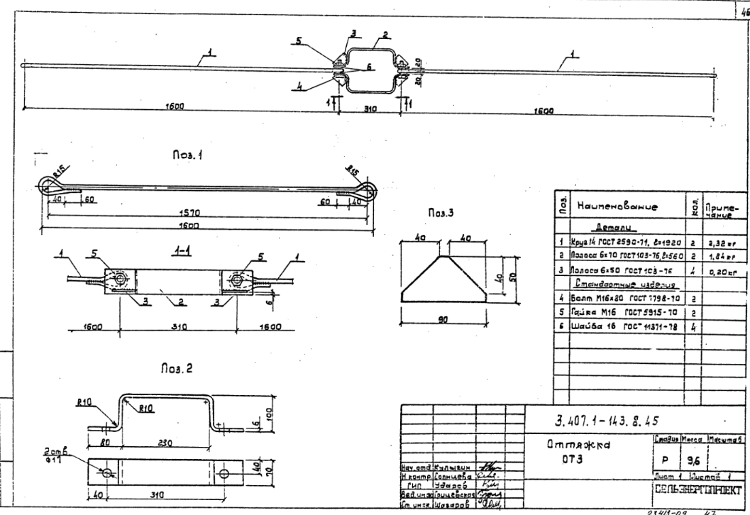
Оттяжка ОТ3 – 46 стр

1057 × 726 пикс.     Открыть в новом окне  

Оттяжка ОТ4 – 47 стр

1055 × 678 пикс.     Открыть в новом окне  

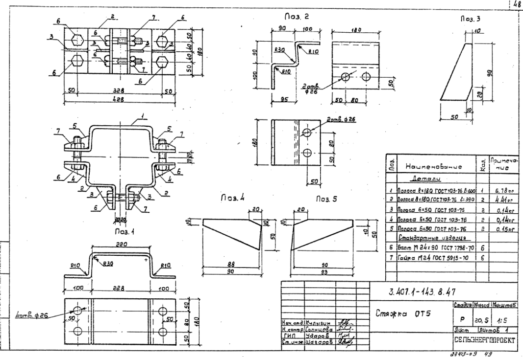
Стяжка ОТ5 – 48 стр

1067 × 730 пикс.     Открыть в новом окне  

Вал привода РА3, РА7,РА8; Накладка СТ6 – 49 стр

1076 × 719 пикс.     Открыть в новом окне  

Хомуты Х1-Х6, Х42 – 50 стр

1063 × 710 пикс.     Открыть в новом окне  

Хомуты Х7-Х9, Х23, Х37-41 – 51 стр

1061 × 711 пикс.     Открыть в новом окне  

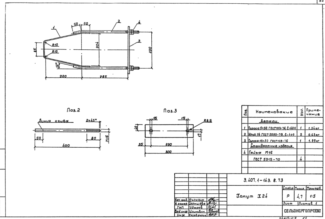
Хомуты Х24 – 52 стр

1065 × 718 пикс.     Открыть в новом окне  

Траверса ТН10, ТН11– 53 стр

1065 × 705 пикс.     Открыть в новом окне  

Траверса ТН12, ТН13; Проводник 3П1– 54 стр

1061 × 730 пикс.     Открыть в новом окне  

Кронштейн КМ1; Скоба КМ3 – 55 стр

1053 × 716 пикс.     Открыть в новом окне  

Скоба КМ4; Скоба КМ5 – 56 стр

1052 × 725 пикс.     Открыть в новом окне  

Кронштейн Р1; Кронштейн Р2 – 57 стр

1047 × 713 пикс.     Открыть в новом окне  

Кронштейн Р4; Кронштейн Р5 – 58 стр

1060 × 714 пикс.     Открыть в новом окне  

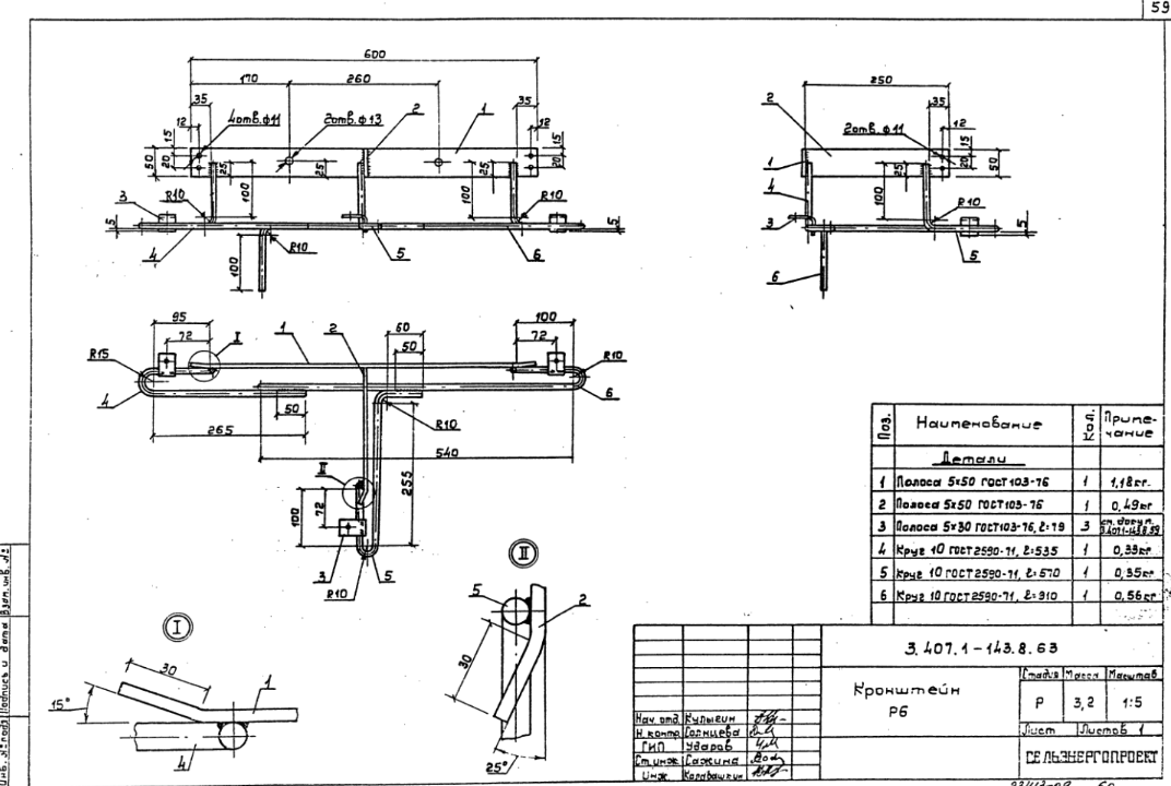
Кронштейн Р6 – 59 стр

1072 × 720 пикс.     Открыть в новом окне  

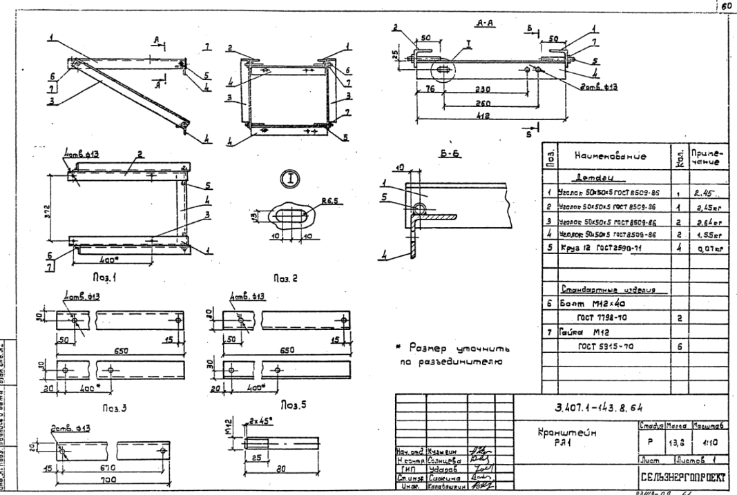
Кронштейн РА1 – 60 стр

1067 × 717 пикс.     Открыть в новом окне  

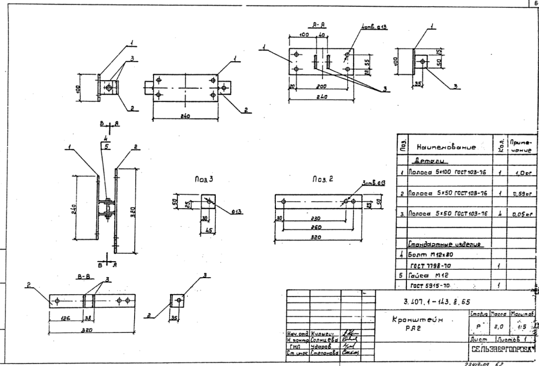
Кронштейн РА2 – 61 стр

1049 × 712 пикс.     Открыть в новом окне  

Кронштейн РА4; Кронштейн РА5 – 62 стр

1060 × 709 пикс.     Открыть в новом окне  

Ведомость расхода стали – 63 стр

1042 × 717 пикс.     Открыть в новом окне  
1048 × 718 пикс.     Открыть в новом окне  
1039 × 713 пикс.     Открыть в новом окне 

Классы

Выбранные классы объекта Строительные материалы

Продукция

Подождите идет загрузка ....

Присоединяйтесь к рассылке!

Оформляя подписку, вы принимаете политику конфиденциальности ЖБИ-СНГ.ру