Выбран город Омск
Ваша корзина пуста

Серия 1.112-5 Плиты железобетонные для ленточных фундаментов Выпуск 2.

Описание

Рабочие чертежи группы 2

Содержание – 2 стр

500 × 775 пикс.     Открыть в новом окне  
534 × 772 пикс.     Открыть в новом окне  

Технические требования – 4 стр

Материалы для проектирования и общие технические требования к изделиям серии 1.112-5 приведены в выпуске «0».
Плиты железобетонные для ленточных фундаментов группы 2 разработаны для применения их при расчетном давлении на основания 2,5  при минимальной толщине нагруженной стены 160 мм.
Величины давления на основание при толщинах стен 300 и 500 мм, отвечающие условиям обеспечения прочности плит, приведены в таблице Тб2 выпуска «0».
Армирование плит ФЛ 32.12-2- ФЛ 24.8-2 предусмотрено с использованием рабочей арматуры из стали А-III по ГОСТ 5781-75 с диаметром стержней 12 и 10 мм, с регламентированным качеством, согласно ГОСТ 5.1459-72*, и расчетным сопротивлением  .
Для остальных плит применяется рабочая арматура из стали класса А-III по ГОСТ 5781-75, диаметром 6 и 8 мм, а также арматурная проволока периодического профиля класса Вр-I по ТУ 14-4-659-75, диаметром 5 мм, с расчетным сопротивлением  .
Распределительная арматура – из обыкновенной гладкой арматурной проволоки класса В-I по ГОСТ 6727-53*, диаметром 4 мм.
Учитывая запланированный переход на беспетлевой способ монтажа, в рабочих чертежах изделий монтажные петли предусмотрены на переходный период. Чертежи монтажных петель и расходы стали для них показаны отдельно в выпуске «0»/чертеж 01.001 и таблица Тб1/.
В выборку стали на изделие /таблица Тб1 данного выпуска/ расход стали на петли не включен.

Таблица Тб1. Выборка стали (на один элемент) – 5стр

497 × 770 пикс.     Открыть в новом окне  

Плиты для ленточных фундаментов ФЛ32.12-2, ФЛ32.8-2 – 6 стр

534 × 769 пикс.     Открыть в новом окне  

Сборочный чертеж. Плиты для ленточных фундаментов ФЛ32.12-2, ФЛ32.8-2 – 7 стр

532 × 770 пикс.     Открыть в новом окне  

Плиты для ленточных фундаментов ФЛ28.12-2, ФЛ28.8-2 – 8 стр

522 × 761 пикс.     Открыть в новом окне  

Сборочный чертеж.Плиты для ленточных фундаментов ФЛ28.12-2, ФЛ28.8-2 – 9 стр

522 × 780 пикс.     Открыть в новом окне  

Плиты для ленточных фундаментов ФЛ24.12-2, ФЛ24.8-2 – 10 стр

525 × 775 пикс.     Открыть в новом окне  

Сборочный чертеж.Плиты для ленточных фундаментов ФЛ24.12-2, ФЛ24.8-2 – 11 стр

521 × 774 пикс.     Открыть в новом окне  

Плиты для ленточных фундаментов ФЛ20.12-2, ФЛ20.8-2 – 12 стр

507 × 774 пикс.     Открыть в новом окне  

Сборочный чертеж. Плиты для ленточных фундаментов ФЛ20.12-2, ФЛ20.8-2 – 13 стр

529 × 765 пикс.     Открыть в новом окне  

Плиты для ленточных фундаментов ФЛ16.24-2, ФЛ16.12-2, ФЛ16.8-2 – 14 стр

511 × 762 пикс.     Открыть в новом окне  

Сборочный чертеж. Плиты для ленточных фундаментов ФЛ16.24-2, ФЛ16.12-2, ФЛ16.8-2 – 15 стр

537 × 766 пикс.     Открыть в новом окне  

Плиты для ленточных фундаментов ФЛ14.24-2, ФЛ14.12-2, ФЛ14.8-2 – 16 стр

515 × 762 пикс.     Открыть в новом окне  

Сборочный чертеж. Плиты для ленточных фундаментов ФЛ14.24-2, ФЛ14.12-2, ФЛ14.8-2 – 17 стр

525 × 765 пикс.     Открыть в новом окне  

Плиты для ленточных фундаментов ФЛ12.24-2, ФЛ12.12-2, ФЛ12.8-2 – 18 стр

513 × 767 пикс.     Открыть в новом окне  

Сборочный чертеж. Плиты для ленточных фундаментов ФЛ12.24-2, ФЛ12.12-2, ФЛ12.8-2 – 19 стр

519 × 771 пикс.     Открыть в новом окне  

Плиты для ленточных фундаментов ФЛ10.24-2, ФЛ10.12-2, ФЛ10.8-2 – 20 стр

513 × 772 пикс.     Открыть в новом окне  

Сборочный чертеж. Плиты для ленточных фундаментов ФЛ10.24-2, ФЛ10.12-2, ФЛ10.8-2 – 21 стр

517 × 764 пикс.     Открыть в новом окне  

Плиты для ленточных фундаментов ФЛ8.24-2, ФЛ8.12-2 – 22 стр

517 × 771 пикс.     Открыть в новом окне  

Сборочный чертеж. Плиты для ленточных фундаментов ФЛ8.24-2, ФЛ8.12-2 – 23 стр

509 × 770 пикс.     Открыть в новом окне  

Блоки арматурные АБ32.12-2, АБ32.8-2 – 24 стр

512 × 771 пикс.     Открыть в новом окне  

Блоки арматурные АБ28.12-2, АБ28.8-2 – 25 стр

534 × 772 пикс.     Открыть в новом окне  

Блоки арматурные АБ24.12-2, АБ24.8-2 – 26 стр

538 × 784 пикс.     Открыть в новом окне  

Блоки арматурные АБ20.12-2, АБ20.8-2 – 27 стр

525 × 763 пикс.     Открыть в новом окне  

Блоки арматурные АБ16.12-2, АБ16.12-2, АБ16.8-2 – 28 стр

511 × 769 пикс.     Открыть в новом окне  

Блоки арматурные АБ14.12-2, АБ14.12-2, АБ14.8-2 – 29 стр

534 × 775 пикс.     Открыть в новом окне  

Сетки: С32.12-2, С32.8-2, К32.12-2, К32.8-2 – 30 стр

506 × 780 пикс.     Открыть в новом окне  

Сетки: С28.12-2, С28.8-2, К28.12-2, К28.8-2 – 31 стр

524 × 777 пикс.     Открыть в новом окне  

Сетки: С24.12-2, С24.8-2, К24.12-2, К24.8-2 – 32 стр

516 × 763 пикс.     Открыть в новом окне  

Сетки: С20.12-2, С20.8-2, К20.12-2, К20.8-2 – 33 стр

524 × 774 пикс.     Открыть в новом окне  

Сетки: С16.24-2, С16.12-2, С16.8-2, К16.24-2, К16.12-2, К16.8-2 – 34 стр

501 × 776 пикс.     Открыть в новом окне  

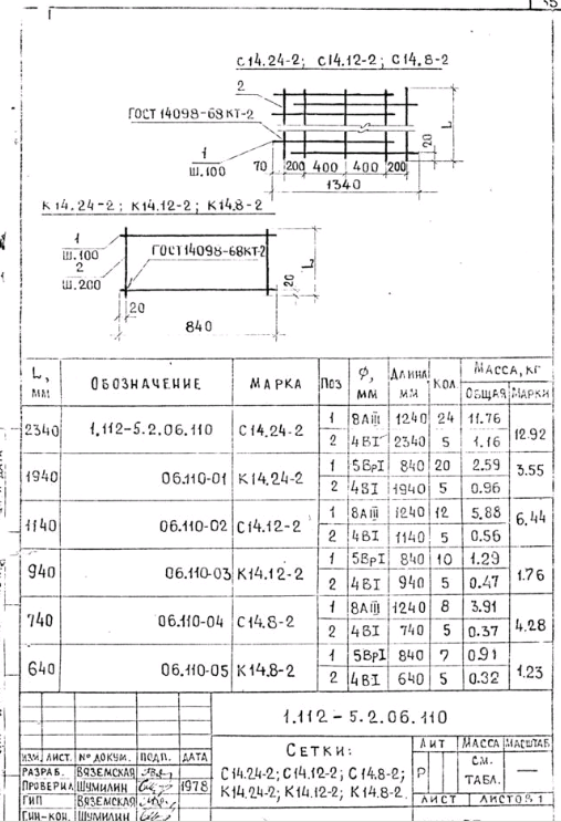
Сетки: С14.24-2, С14.12-2, С14.8-2, К14.24-2, К14.12-2, К14.8-2 – 35 стр

507 × 743 пикс.     Открыть в новом окне  

Сетки: С12.24-2, С12.12-2, С12.8-2, С10.24-2, С10.12-2, С10.8-2 – 36 стр

524 × 746 пикс.     Открыть в новом окне  

Сетки: С8.24-2, С8.12-2 – 37 стр

523 × 771 пикс.     

Классы

Выбранные классы объекта Строительные материалы

Продукция

Подождите идет загрузка ....

Присоединяйтесь к рассылке!

Оформляя подписку, вы принимаете политику конфиденциальности ЖБИ-СНГ.ру