Выбран город Омск
Ваша корзина пуста

Серия 1.225-2 Железобетонные прогоны. Выпуск 13. Прогоны таврового сечения длиной 358 и 298 см. армированные каркасами из стали класса А-III. Рабочие чертежи

Описание

Рабочие чертежи
507 × 692 пикс.     Открыть в новом окне  

Технические условия – 2 стр

Настоящие технические условия распространяются на железобетонные прогоны (далее прогоны) серии 1.225-2 выпуск 13, изготовляемые из тяжелого бетона, армированные арматурой без предварительного напряжения и предназначенные для применения при проектировании и строительстве общественных зданий и зданий административно-бытового назначения со стенами из кирпича или крупных блоков из местных материалов, возводимых в обычных условиях строительства.
Прогоны применять в помещениях с неагрессивной средой.
Прогоны должны изготавливаться под расчетную нагрузку (без учета собственного веса) 39,2 кН/м (4000кгс/м), 51,0 кН/м (5200 кгс/м) и 70,6 кН/м (7200кгс/м).
Марка состоит из буквенно-цифровых групп, разделенных дефисом.
Первая группа содержит обозначение типа прогона (ПРГ – прогон таврового сечения) и габаритные размеры (длина и высота), округленных до дециметров.
Вторая группа включает цифровые обозначения расчетной нагрузки (без учета собственного веса), выраженной в тоннах на метр, окргуленной до единицы и класс арматуры.
Пример маркировки: ПРГ 36.5-7АIII-прогон таврового сечения длиной 358 см, высотой 52 см под расчетную нагрузку (без учета собственного веса) 70,6 кН/м (7200 кгс/м), армированный сталью класса А-III.

1.Технические требования

1.1.Прогоны должны изготавливаться в соответствии с требованиями настоящих технических условий по рабочим чертежам серии 1.225-2 выпуск 13.

1.2.Основные параметры и размеры

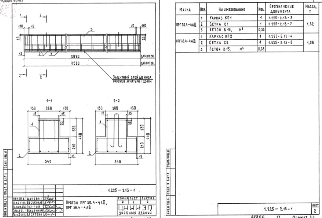
1.2.1.Основные размеры прогонов, проектные показатели расхода бетона и стали, класс бетона по прочности на сжатие, а также справочная масса прогонов, определенная исходя из средней плотности железобетона -  , приведена на листе 3 документа 1.225-2.13-ТО
1.2.2.Прогоны должны поставляться с поверхностью, подготовленной под окраску.
1.2.3.Прогоны должны быть прочными, жёсткими, трещиностойкими и выдержать при испытании нагружением контрольные нагрузки, указанные в ТО к рабочим чертежам.
1.2.4.Значения действительных отклонений геометрических параметров прогонов от номинальных не должны превышать предельных, указанных в таблице 1.
Таблица1
436 × 235 пикс.     Открыть в новом окне  
1.2.5.Номинальная толщина защитного слоя бетона до арматуры должна соответствовать рабочим чертежам.
Отклонения действительной толщины защитного слоя бетона от номинальной равной 25 мм не должны превышать ±5 мм.

1.3.Характеристики

1.3.1.Прогоны должны удовлетворять требованиям ГОСТ 13015.0-83*:
По заводской готовности;
По показательной фактической прочности бетона (в возрасте 28 суток);
По морозостойкости;
К качеству материалов, применяемых для приготовления бетона;
К качеству арматурных изделий и их положению в прогоне;
К маркам сталей для арматурных и закладных изделий, в том числе для монтажных петель;
По применению форм для изготовления прогонов;
По отклонению фактической массы в прогоне при отпуске потребителю от номинальной массы.
1.3.2.Прогоны следует изготавливать из тяжелого бетона, класса по прочности на сжатие В15
1.3.3.Нормируемую отпускную прочность бетона прогонов принимать по ГОСТ 13015.0-83*
1.3.4.Коэффициент вариации прочности бетона по сжатию в партии должен быть не более 9%.
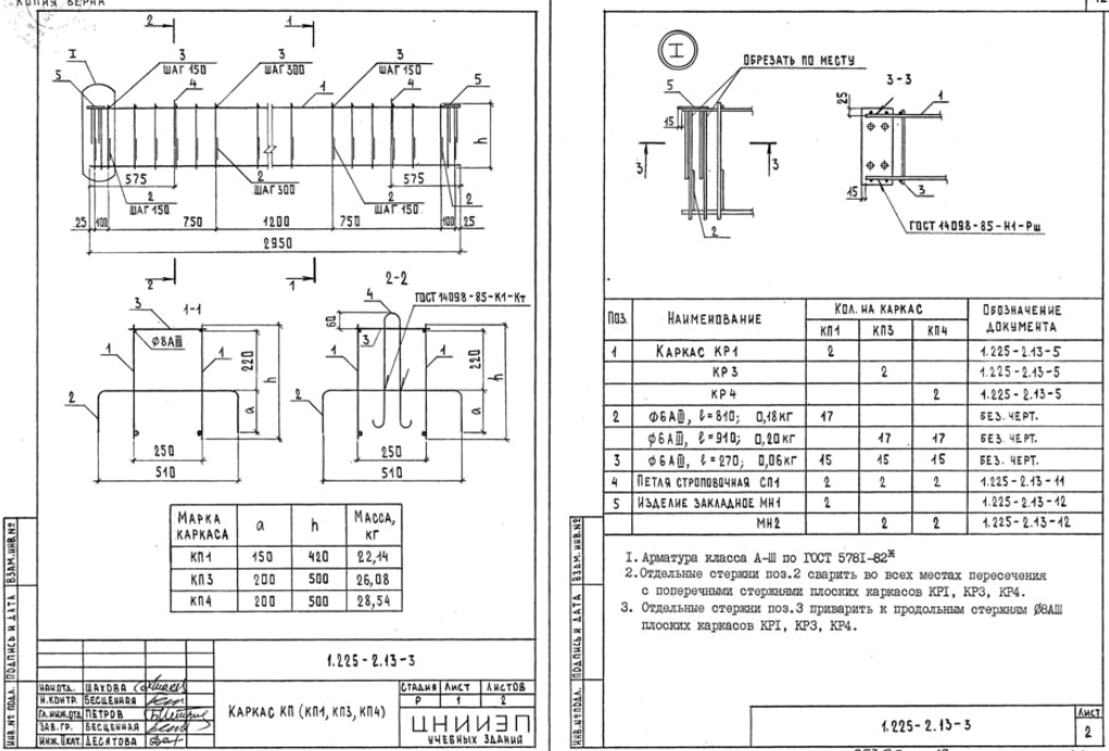
1.3.5.Прогоны армируются пространственными каркасами, состоящими из плоских сварных каркасов, закладных изделий и монтажных петель.
Продольные и поперечные стержни плоских сварных каркасов приняты из стали класса А-III (ГОСТ 5781-82*).
1.3.6.В сварных каркасах взамен стали класса А-III (ГОСТ 5781-82*) допускается применять тех же диаметров сталь класса Ат-IIIС (ГОСТ 10884-81*).
1.3.7.Открытые поверхности стальных закладных изделий должны иметь антикоррозийное покрытие, нанесенное методом металлизации согласно указаниям СНиП 3.04.03-85.
1.3.8. Арматурные изделия запроектированы из условия изготовления их на автоматических линиях.
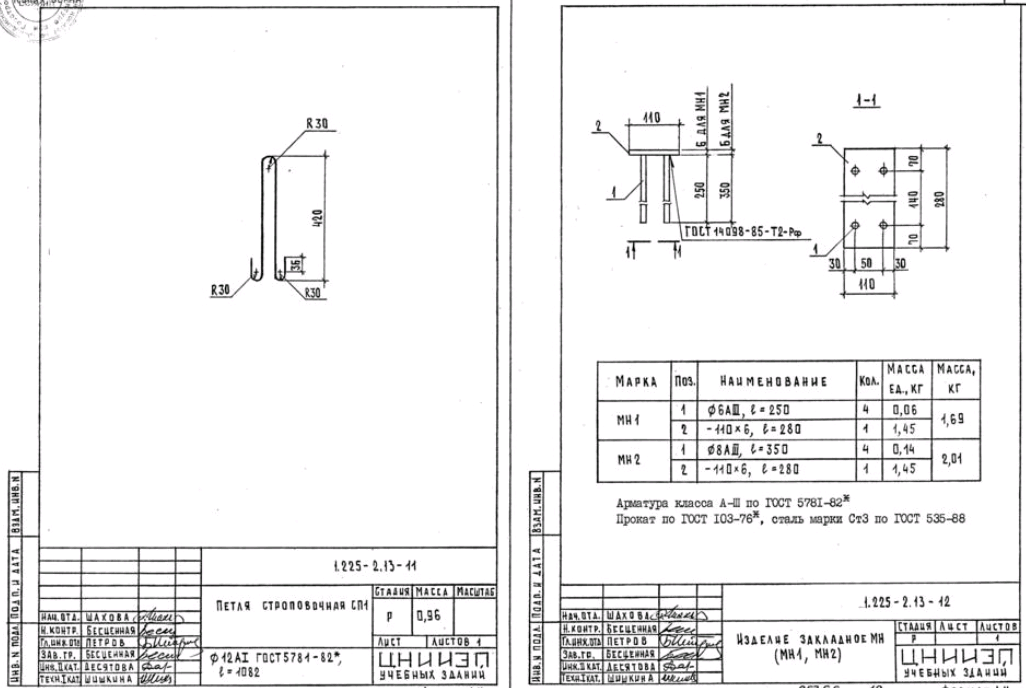
1.3.9. Монтажные петли следует изготовлять из стержневой арматуры класса А-I (ГОСТ 5781-82*) марок Ст3сп2 и Ст3пс2.
1.3.10. Качество отделки поверхностей и внешний вид должны соответствовать требованиям ГОСТ 13015.0-83* и настоящих технических условий.

1.4.Маркировка

1.4.1.Маркировку прогонов производить в соответствии с требованиями ГОСТ 13015.2-81.
Маркировочные надписи наносятся на верхней грани прогона.

2.Правила приемки

2.1. Приемку прогонов следует производить партиями в соответствии с требованиями ГОСТ 13015.1-81 и настоящих технических условий.
2.2.Приемку прогонов по показателям прочности бетона (классу бетона по прочности на сжатие, передаточной и отпускной прочности), соответствия арматурных изделий рабочим чертежам, прочности сварных соединений, толщины защитного слоя бетона до арматуры, точности геометрических параметров, качества поверхностей, отклонения фактической массы прогонов проводят по результатам приемо-сдаточных испытаний и контроля.
2.3.Приемку прогонов по показателям их прочности, жесткости, трещиностойкости, морозостойкости бетона проводят по результатам периодических испытаний.
2.4.При приемке прогонов по показателям точности геометрических параметров, толщине защитного слоя бетона до арматуры, качества поверхностей и массы панелей, контролируемым путем измерений, следует применять выборочной одноступенчатый контроль.

3.Методы контроля и испытаний

3.1.Прочность бетона на сжатие следует определять в соответствии с требованиями ГОСТ 10180-90 илиГОСТ 17624-87.
3.2.Контроль и оценку фактической прочности бетона ( в проектном возрасте, передаточную и отпускную) следует производить по ГОСТ 18105-86*.
3.3.Методы контрольных испытаний и оценки качества панелей прогонов по показателям прочности, жесткости и трещностойкости должны соответствовать ГОСТ 8829-85 и рабочим чертежам.
3.4.Контроль плотности объемной массы прогонов должен осуществляться по ГОСТ 12730.1-78.
3.5.Морозостойкость бетона следует определять по ГОСТ 10060-87.
3.6.Методы испытаний сварных арматурных изделий должны соответствовать ГОСТ 10922-90.
3.7.Размеры, не прямолинейность и не плоскостность прогонов, положение монтажных петель, размеры и расположение арматуры, толщину защитного слоя бетона до арматуры, качество бетонных поверхностей и внешний вид следует проверять методами, установленными ГОСТ 26433.0-85 и ГОСТ 26433.1-89.

4.Хранение и транспортирование

4.1.Хранение и транспортирование прогонов производить в соответствии с требованиями ГОСТ 13015.4-84.

5.Гарантии изготовителя

5.1.Изготовитель должен гарантировать соответствие поставляемых прогонов требованиям настоящих технических условий при соблюдении потребителем правил транспортирования, условий применения и хранения прогонов, установленных техническими условиями.

Приложение Справочное. Перечень стандартов и нормативных документов, на которые даны ссылки в настоящих технических условиях

1019 × 686 пикс.     Открыть в новом окне  

Прогоны

1.Технические требования и расчетные данные

1.1.Прогоны рассчитаны на однопролётные свободно опертые балки в соответствии с требованиями СНиП 2.03.01-89.
1.2.Прогоны рассчитаны на равномерно распределенную нагрузку (без учета собственного веса), приведенную в таблице:
424 × 198 пикс.     Открыть в новом окне  
Собственный вес прогонов высотой 42 см: расчетный – 4,80 кН/м (490 кгс/м), нормативный – 4,36 кН/м (445 кгс/м); высотой 52 см: расчетный – 5,98 кН/м (610 кгс/м), нормативный – 5,44 кН/м (555 кгс/м).
1.4.Согласно требованиям СНиП 2.01.02-85, предел огнестойкости прогонов – 2 часа.
1.4.Прогоны запроектированы по 3-ей категории требований, предъявляемых к трещиностойкости конструкций.
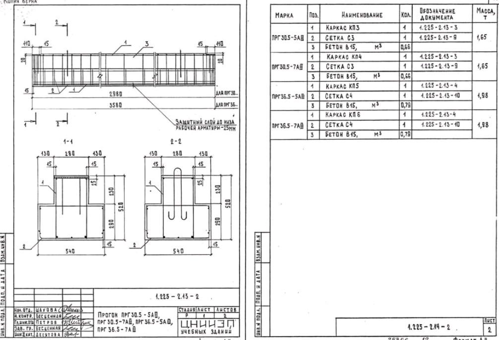
1.5.Глубина опирания прогонов должна быть не менее 180 мм для прогонов длиной 358, 318 и 278 см и 200 мм для прогонов длиной 598 см.
1.6.Произведена проверка прогонов на крутящий момент в зависимости от разностей нагрузок в смежных пролетах, равных
- 0,6 тс/м при расчетной нагрузке 4,0 тс/м.
- 1,5 тс/м при расчетной нагрузке 5,2 и 7,2 тс/м
1.7.Глубина опирания прогонов должна быть не менее 180мм.
1.8.Закладное изделие МН1 предназначено для анкеровки прогонов со стеной.
1.9.Пластины закладных изделий выполнять из углеродистой стали марки Ст3 (ГОСТ 380-88*), а анкеры из арматурной стали класса А-III (ГОСТ 5781-82*)
1.10.Заготовку арматуры производить в соответствии с «Руководством по технологии изготовления предварительно напряженных железобетонных конструкций» (Москва, Стройиздат, 1975 г.)
1022 × 685 пикс.     Открыть в новом окне  
Проверка прочности
1017 × 690 пикс.     Открыть в новом окне  
Проверка жесткости
1018 × 678 пикс.     Открыть в новом окне  

Прогон ПРГ 30.4-4АIII, ПРГ 36.4-4АIII – 10 стр

1030 × 698 пикс.     Открыть в новом окне  

Прогон ПРГ30.5-5АIII, ПРГ30.5-7АIII, ПРГ36.5-5АIII, ПРГ36.5-7АIII – 11 стр

1006 × 687 пикс.     Открыть в новом окне  

Каркас КП (КП1,КП3,КП4) – 12 стр

1021 × 691 пикс.     Открыть в новом окне  

Каркас КП (КП2,КП5,КП6) – 13 стр

1029 × 692 пикс.     Открыть в новом окне  

Каркас КР (КР1,КР3,КР4); Каркас КР (КР2,КР5,КР6) – 14 стр

1020 × 685 пикс.     Открыть в новом окне  

Сетка С1; Сетка С2 – 15 стр

1015 × 684 пикс.     Открыть в новом окне  

Сетка С3; Сетка С4 – 16 стр

1020 × 695 пикс.     Открыть в новом окне  

Петля строповочная СП1; Изделие закладное МН (МН1,МН2) – 17 стр

1026 × 688 пикс.     Открыть в новом окне  

Ведомость расхода стали – 18 стр

692 × 506 пикс.     Открыть в новом окне  
695 × 513 пикс.     Открыть в новом окне (

Классы

Выбранные классы объекта Строительные материалы

Продукция

Подождите идет загрузка ....

Присоединяйтесь к рассылке!

Оформляя подписку, вы принимаете политику конфиденциальности ЖБИ-СНГ.ру