Выбран город Омск
Ваша корзина пуста

Серия 1.241-1 Панели перекрытий железобетонные многопустотные Выпуск 37. Предварительно напряженные панели длиной 718 см, шириной 99, 119 и 149см, армированные стержнями из стали класса Ат-IVc. Метод натяжения - электротермический.

Описание

Рабочие чертежи
562 × 785 пикс.     Открыть в новом окне  

Технические условия – 2 стр

Настоящие технические условия распространяются на панели перекрытий железобетонные многопустотные (далее панели) серии 1.241-1 выпуск 37, изготовляемые из тяжелого бетона, армированные напрягаемой арматурой и предназначенные для перекрытия помещений с неагрессивной средой для общественных зданий и административно-бытовых зданий промышленных предприятий со стенами из кирпича или крупных блоков из местных материалов, возводимых в обычных условиях строительства.
Панели должны изготовляться под расчетные нагрузки (без учета собственного веса панели) 4,40; 5,90; 7,85 и 12,25 кПа.
Марка панели состоит из буквенно-цифровых групп, разделенных дефисами.
Первая группа содержит обозначение типа панели (П – панель с круглыми пустотатами) и габаритные размеры (длина и ширина), округленные до дециметров.
Вторая группа включает цифровые обозначения расчетной нагрузки (без учета собственного веса панели) в кПа, класс напрягаемой арматуры.
Третья группа отражает конструктивные особенности панелей (усиление открытых торцов панелей бетонными вкладышами) и обозначается цифрой «1»
Пример маркировки: П 72.15-6АтIVС-панель перекрытия длиной 7180 мм, шириной 1490 см под расчетную равномерно распределенную нагрузку (без учета собственного веса) 5,90 кПа (600 кгс/см2), с напрягаемой арматурой класса Ат-IVC.

1.Технические требования

1.1.Панели должны изготавливаться в соответствии с требованиями ГОСТ 9561-76*и настоящих технических условий по рабочим чертежам серии 1.241-1 выпуск 37.

1.2.Основные параметры и размеры

1.2.1.Основные размеры панелей, проектные показатели расхода бетона и стали, класс бетона по прочности на сжатие, а также справочная масса панелей, определенная исходя из средней плотности железобетона -  , приведена на листе 7 документа 1.241-1.37-0.0Т0
1.2.2.Панели должны поставляться с нижней (потолочной) поверхностью, подготовленной под окраску.
1.2.3.Панели должны быть прочными, жёсткими, трещиностойкими и выдержать при испытании нагружением контрольные нагрузки, указанные в ТО к рабочим чертежам.
1.2.4.Значения действительных отклонений геометрических параметров панелей от номинальных не должны превышать предельных, указанных в таблице 1.
Таблица 1
518 × 314 пикс.     Открыть в новом окне  
1.2.5.В панелях, аттестуемых по высшей категории качества, предельные отклонения по толщине панелей не должны превышать ± 3 мм.
1.2.6. Номинальная толщина защитного слоя бетона до арматуры должна соответствовать рабочим чертежам.
Отклонения действительной толщины защитного слоя бетона от номинальной равной 10 и 20 мм не должны превышать соответственно +3 и ±5 мм.

1.3.Характеристики

1.3.1.Панели должны удовлетворять требованиям ГОСТ 13015.0-83*:
По заводской готовности;
По показательной фактической прочности бетона (в возрасте 28 суток, передаточной и отпускной);
По морозостойкости и водонепроницаемости;
К качеству материалов, применяемых для приготовления бетона;
К качеству арматурных изделий и их положению в панели;
К маркам сталей для арматурных изделий, в том числе для монтажных петель;
По применению форм для изготовления панелей;
По отклонению фактической массы в панеле при отпуске потребителю от номинальной массы.
1.3.2.Панели следует изготавливать из тяжелого бетона, класса по прочности на сжатие В20 – для панелей под нагрузку 4,40; 5,90 и 7,85 кПа и В25 – под нагрузку 12,25 кПа.
1.3.3.Нормируемая отпускная прочность бетона панелей равна 70% от класса бетона по прочности на сжатие в теплое время и 85%-в холодное время. Периоды года следует принимать в соответствии с требованиями ГОСТ 13015.0-83*
1.3.4.Коэффициент вариации прочности бетона по сжатию в партии должен быть не более 9%.
1.3.5. В качестве напрягаемой арматуры применять термически упрочненную сталь периодического профиля класса Ат-IVC (ГОСТ 10884-81*).
1.3.6. Предварительное напряжение арматуры осуществлять электротермическим натяжением стержней до бетонирования с передачей усилий на упоры формы
1.3.7. Температура электронагрева арматуры не должна превышать 450 МЉС.
1.3.8.Значение начального предварительного напряжения принять  =460 Мпа – для панелей под нагрузку 4,40; 5,90; 7,85 кПа и  =490 Мпа – под нагрузку 12,25 кПа.
Допустимое отклонение значения предварительного напряжения - 45 мПа.
1.3.9.Величина предварительного напряжения перед бетонированием должна быть 445 Мпа – для панелей под нагрузку 4,40; 5,90; 7,85 кПа и 475 Мпа – под нагрузку 12,25 (с учетом потерь от релаксации).
1.3.10.В качестве ненапрягаемой арматуры панелей следует применять арматурную проволоку класса Вр-I (ГОСТ 6727-80*)
1.3.11.Концы напрягаемой арматуры не должны выступать за торцевые поверхности панели чем на 5 мм и должны быть защищены слоем раствора.
1.3.12. Монтажные петли следует изготовлять из стержневой арматуры класса А-I (ГОСТ 5781-82*) марок Ст3сп2 и Ст3пс2.
1.3.13. Качество отделки поверхностей и внешний вид должны соответствовать требованиям ГОСТ 13015.0-83* и настоящих технических условий.
1.3.14.Лицевая поверхность панели должна соответствовать категории А2 и быть подготовлена под окраску; нелицевая, невидимая в условиях эксплуатации, поверхность должна соответствовать категории А7.

1.4.Маркировка

1.4.1.Маркировку панелей производить в соответствии с требованиями ГОСТ 13015.2-81.
Маркировочные надписи наносятся на боковой продольной гране панели.

2.Правила приемки

2.1. Приемку панелей следует производить партиями в соответствии с требованиями ГОСТ 13015.1-81 и настоящих технических условий.
2.2.Приемку панелей по показателям прочности бетона( классу бетона по прочности на сжатие, передаточной и отпускной прочности), соответствия арматурных изделий рабочим чертежам, прочности сварных соединений, толщины защитного слоя бетона до арматуры, точности геометрических параметров, качества поверхностей, отклонения фактической массы панелей проводят по результатам приемо-сдаточных испытаний и контроля.
2.3.Приемку панелей по показателям их прочности, жесткости, трещиностойкости, морозостойкости бетона проводят по результатам периодических испытаний.
2.4.В случаях, если при проверке будет установлено, что отпускная прочность бетона панелей не соответствует нормируемой, поставка панелей потребителю не должна производиться до достижения бетоном прочности, соответствующей классу бетона по прочности на сжатие.
2.5.При приемке панелей по показателям точности геометрических параметров, толщине защитного слоя бетона до арматуры, качества поверхностей и массы панелей, контролируемым путем измерений, следует применять выборочный одноступенчатый контроль.

3.Методы контроля и испытаний

3.1.Прочность бетона на сжатие следует определять в соответствии с требованиями ГОСТ 10180-90 или ГОСТ 17624-87.
3.2.Контроль и оценку фактической прочности бетона ( в проектном возрасте, передаточную и отпускную) следует производить поГОСТ 18105-86*.
3.3.Методы контрольных испытаний и оценки качества панелей панелей по показателям прочности, жесткости и трещиностойкости должны соответствовать ГОСТ 8829-85.
3.4.Контроль плотности объемной массы панелей должен осуществляться по ГОСТ 12730.1-78.
3.5.Величину натяжения стержней следует контролировать приборами, имеющимися на заводе-изготовителе.
3.6.Морозостойкость бетона следует определять по ГОСТ 10060-87.
3.7.Методы испытаний сварных арматурных изделий должны соответствовать ГОСТ 10922-90.
3.8.Размеры, не прямолинейность и не плоскостность панелей, положение вырезов и монтажных петель, размеры и расположение арматуры, толщину защитного слоя бетона до арматуры, качество бетонных поверхностей и внешний вид следует проверять методами, установленными ГОСТ 13015-75**.

4.Хранение и транспортирование

4.1.Хранение и транспортирование панелей производить в соответствии с требованиями ГОСТ 13015.4-84.При хранении высота штабеля панелей не должна превышать 3 м.

5.Гарантии изготовителя

5.1.Изготовитель должен гарантировать соответствие поставляемых панелей требованиям технических условий при соблюдении потребителем правил транспортирования, условий применения и хранения панелей, установленных техническими условиями.

Приложение Справочное. Перечень стандартов и нормативных документов, на которые даны ссылки в настоящих технических условиях

570 × 779 пикс.     Открыть в новом окне  
573 × 776 пикс.     Открыть в новом окне  

1.Технические требования и расчетные данные

1.1.Изготовление панелей предусмотрено с открытыми торцами и с усилением открытых торцов панелей (заделка пустот) бетонными вкладышами
Торцы панелей с выходным отверстием малого диаметра, образуемым при формировании, укладываются на стену, несущую большую нагрузку.
Применение панелей с открытым торцом допускается в тех случаях, когда величина напряжений на уровне верхней плоскости панелей не превышает 1,65 мПа (17 кгс/см2)
При больших напряжениях открытые торцы усиливаются в заводских условиях заделкой бетонными вкладышами.
Заделку пустот производить непосредственно после извлечения пуансонов, до пропаривания панелей, обеспечив плотное примыкание вкладышей.
Бетонные вкладыши  158 мм длиной 130 мм должны быть изготовлены из бетона того же класса, что и панели.
Допускаемые напряжения от нагрузок на опорные торцы могут быть приняты: при глубине опирания 10 см не более 4,9 мПа (50 кгс/см2), при глубине опирания 25 см не более 3,4 мПа (35 кгс/см2).
При промежуточных значениях глубины опирания панелей величины напряжений принимаются по интерполяции.
Армирование панелей с усиленными торцами принять то же, что и для панелей, изготовляемых без вкладышей.
1.2. Согласно требованиям СНиП 2.01.02-85, предел огнестойкости панелей П 72.10-12,5АтIVС, П 72.12-12,5АтIVС, П 72.15-6 АтIVС, П 72.15-12,5АтIVС - 1 час, для остальных панелей – 0,95 часа.
1.3.Расчет панелей произведен в соответствии с требованиями СНиП 2.03.01-84.
1.4.Панели запроектированы по 3-ей категории требований, предъявляемых к трещиностойкости конструкций.
1.5.Панели запроектированы на четыре равномерно распределенные нагрузки, приложенные к изделию.
Состав нагрузок без учета собственного веса приведен в таблице:
Таблица 1
516 × 181 пикс.     Открыть в новом окне  
Собственный вес панелей шириной 990 и 1190 мм: расчетный – 3,3 кПа (335 кгс/м2), нормативный – 3,0 кПа (305 кгс/м2); собственный вес панелей шириной 1490 мм: расчетный – 3,4 кПа (350 кгс/м2), нормативный - 3,1 кПа (320 кгс/м2).
1.6. Заготовку арматуры производить в соответствии с «Руководством по технологии изготовления предварительно напряженных железобетонных конструкций» (Москва, Стройиздат, 1975 г.)
1.7. Длина натягиваемых стержней на рабочих чертежах показана длине панелей без учета длины выпусков для захватов. Длину готовых натягиваемых стержней определять с учетом захватных приспособлений, применяемых на заводе.
1.8.На опорных участках панелей установлены корытообразные опорные сетки для восприятия местных напряжений в зоне напрягаемых стержней.
1.9.По всей длине верхней зоны панелей установлена сварная сетка и под нагрузку 12,25 кПа – нижняя сетка в середине пролета.
1.10.Арматурные изделия запроектированы из условия изготовления их на автоматических линиях. Сварку сеток производить с нормируемой прочностью в соответствии с требованиями ГОСТ 10922-75 и ГОСТ 14098-85 (тип сварного соединения – КI-Кт).
1.11.Глубина опирания панелей должна быть не менее 100 мм по всей ширине панели.
1.12.Швы между панелями заделать бетоном класса В15 или цементным раствором марки М200.
1.13.Типовые детали принимать по рабочим чертежам серии 2.240-1 выпуск 2.

2.Хранение, транспортирование и монтаж

2.1.Подъем панелей при транспортировании и монтаже осуществлять с помощью самобалансирных траверс за четыре петли.
2.2.Места опирания панелей при складировании и транспортировании принимаются на расстоянии 350 мм от торцов по всей ширине панели.
Таблица 2. Проверка прочности
1153 × 771 пикс.     Открыть в новом окне  
Таблица 3. Проверка трещиностойкости; Таблица 4. Проверка жесткости
1169 × 783 пикс.     Открыть в новом окне  
1155 × 776 пикс.     Открыть в новом окне  
Таблица 6. Номенклатура панелей перекрытия
1164 × 781 пикс.     Открыть в новом окне  

Панель перекрытия П72.10 – 12 стр

1162 × 776 пикс.     Открыть в новом окне  
1165 × 782 пикс.     Открыть в новом окне  
1175 × 782 пикс.     Открыть в новом окне  

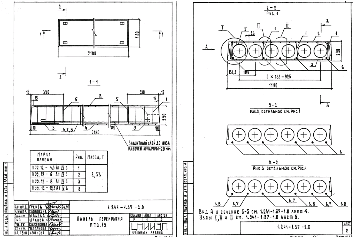
Панель перекрытия П72.12 – 15 стр

1165 × 783 пикс.     Открыть в новом окне  

Панель перекрытия П72.15 – 16 стр

1167 × 779 пикс.     Открыть в новом окне  
1168 × 786 пикс.     Открыть в новом окне  

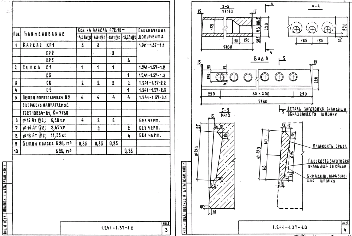
Каркас КР (Кр1,КР2,КР3); Сетка С (С1,С2) – 18 стр

1172 × 793 пикс.     Открыть в новом окне  

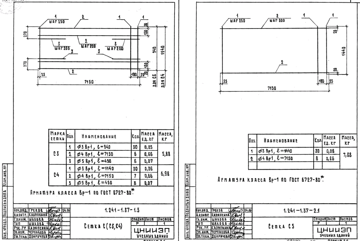
Сетка С (С3,С4); Сетка С5 – 19 стр

1165 × 780 пикс.     Открыть в новом окне  

Сетка С (С6…С8); Сетка С (С9…С11) – 20 стр

1161 × 779 пикс.     Открыть в новом окне  

Сетка С12; Петля строповочная П (П1,П2) – 21 стр

1168 × 781 пикс.     Открыть в новом окне  

Ведомость расхода стали – 22 стр

1191 × 790 пикс.     Открыть в новом окне (

Классы

Выбранные классы объекта Строительные материалы

Продукция

Подождите идет загрузка ....

Присоединяйтесь к рассылке!

Оформляя подписку, вы принимаете политику конфиденциальности ЖБИ-СНГ.ру