![]() |
|
| 1183 × 805 пикс. Открыть в новом окне | |
![]() |
|
| 534 × 140 пикс. Открыть в новом окне | |


) коэффициентов условий работы бетона, допускается пользоваться при веденными в альбоме таблицами для подбора закладных изделий, таблицами и графиками несущей способности с учетом следующих поправок:


- коэффициенты условий работы по таблице 15 СНиП II-21-75.![]() |
|
| 1185 × 806 пикс. Открыть в новом окне | |
![]() |
|
| 1186 × 811 пикс. Открыть в новом окне | |
![]() |
|
| 1183 × 800 пикс. Открыть в новом окне | |
![]() |
|
| 1197 × 824 пикс. Открыть в новом окне | |
![]() |
|
| 1184 × 815 пикс. Открыть в новом окне | |
![]() |
|
| 1207 × 828 пикс. Открыть в новом окне | |
![]() |
|
| 1187 × 803 пикс. Открыть в новом окне | |
![]() |
|
| 1194 × 808 пикс. Открыть в новом окне | |
![]() |
|
| 1187 × 815 пикс. Открыть в новом окне | |
![]() |
|
| 1204 × 822 пикс. Открыть в новом окне | |
![]() |
|
| 1196 × 811 пикс. Открыть в новом окне | |
![]() |
|
| 1190 × 809 пикс. Открыть в новом окне | |
![]() |
|
| 1187 × 813 пикс. Открыть в новом окне | |
![]() |
|
| 1188 × 812 пикс. Открыть в новом окне | |
![]() |
|
| 1190 × 802 пикс. Открыть в новом окне | |
![]() |
|
| 1190 × 808 пикс. Открыть в новом окне | |
![]() |
|
| 1209 × 822 пикс. Открыть в новом окне | |
![]() |
|
| 1183 × 814 пикс. Открыть в новом окне | |
![]() |
|
| 1192 × 817 пикс. Открыть в новом окне | |
![]() |
|
| 1182 × 803 пикс. Открыть в новом окне | |
![]() |
|
| 1190 × 815 пикс. Открыть в новом окне | |
![]() |
|
| 1187 × 808 пикс. Открыть в новом окне | |
![]() |
|
| 1186 × 817 пикс. Открыть в новом окне | |
![]() |
|
| 1191 × 815 пикс. Открыть в новом окне | |
![]() |
|
| 1194 × 816 пикс. Открыть в новом окне | |
![]() |
|
| 1191 × 815 пикс. Открыть в новом окне | |
![]() |
|
| 1188 × 813 пикс. Открыть в новом окне | |
![]() |
|
| 1184 × 818 пикс. Открыть в новом окне | |
![]() |
|
| 1188 × 811 пикс. Открыть в новом окне | |
марка закладного изделия считается подобранной
, а бетон сжат или растянут при
, принимается закладное изделие с инлексом «5» или «6». При этом дполнительно проверяется прочность на выкалывание бетона из условия
. Величина Мmax для изделий с индексом «6» приведена в таблице 3 в графах «доп. Данные» При неполной пирамиде выкалывания в зоне растянутых анкеров требуется индивидуальный расчет закладного изделия на выкалывание бетона.
(возможно образование трещин вдоль анкеров), должно быть принято индивидуальное решение. Например, приу становке закладного изделия в колонне должна быть обеспечена заводка пластин усиления анкеров за арматуру проиивоположной грани колонны с необходимой дополнительной проверкой конструкции колонны. Возможно также применение в этом случае закладного изделия группы «2».![]() |
|
| 218 × 183 пикс. Открыть в новом окне | |

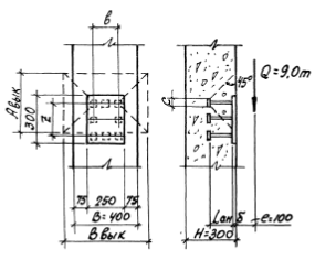
цифровой индекс – 2.
при цифровом индексе 2: Lан=420 мм.
, закладное изделие
в закладной конструкции.
, а бетон конструкции сжат, принимаем цифровой индекс 6 и проверяем условие
. По таблице 3 (см. лист 8) для изделия МН147 в конструкциях из бетона марки М200 находим Мmax =1,6 тс.м
![]() |
|
| 238 × 24 пикс. Открыть в новом окне | |
![]() |
|
| 285 × 236 пикс. Открыть в новом окне | |
- пирамида выкалывания неполная. Следовательно, пользоваться значениями Mmaх, приведенными в таблице 3, нельзя.![]() |
|
| 372 × 23 пикс. Открыть в новом окне | |
![]() |
|
| 289 × 23 пикс. Открыть в новом окне | |
![]() |
|
| 276 × 28 пикс. Открыть в новом окне | |

![]() |
|
| 320 × 25 пикс. Открыть в новом окне | |
![]() |
|
| 1183 × 814 пикс. Открыть в новом окне | |
![]() |
|
| 1185 × 812 пикс. Открыть в новом окне | |
![]() |
|
| 1191 × 808 пикс. Открыть в новом окне | |
![]() |
|
| 1194 × 807 пикс. Открыть в новом окне | |
![]() |
|
| 1025 × 700 пикс. Открыть в новом окне | |
![]() |
|
| 1028 × 705 пикс. Открыть в новом окне | |
![]() |
|
| 1038 × 704 пикс. Открыть в новом окне | |
![]() |
|
| 1037 × 704 пикс. Открыть в новом окне | |
![]() |
|
| 1021 × 701 пикс. Открыть в новом окне | |
![]() |
|
| 1024 × 694 пикс. Открыть в новом окне | |
![]() |
|
| 1032 × 699 пикс. Открыть в новом окне | |
![]() |
|
| 1018 × 702 пикс. Открыть в новом окне | |
![]() |
|
| 1012 × 687 пикс. Открыть в новом окне | |
![]() |
|
| 1016 × 698 пикс. Открыть в новом окне | |
![]() |
|
| 459 × 170 пикс. Открыть в новом окне | |

![]() |
|
| 130 × 118 пикс. Открыть в новом окне | |
![]() |
|
| 1039 × 712 пикс. Открыть в новом окне | |
![]() |
|
| 1042 × 704 пикс. Открыть в новом окне | |
![]() |
|
| 1038 × 723 пикс. Открыть в новом окне | |
![]() |
|
| 1066 × 719 пикс. Открыть в новом окне | |
![]() |
|
| 1039 × 713 пикс. Открыть в новом окне | |
![]() |
|
| 1038 × 703 пикс. Открыть в новом окне | |
![]() |
|
| 916 × 628 пикс. Открыть в новом окне | |
![]() |
|
| 1038 × 706 пикс. Открыть в новом окне | |
![]() |
|
| 1048 × 718 пикс. Открыть в новом окне | |
![]() |
|
| 1044 × 704 пикс. Открыть в новом окне | |
![]() |
|
| 1041 × 711 пикс. Открыть в новом окне | |
![]() |
|
| 1052 × 706 пикс. Открыть в новом окне | |
![]() |
|
| 1045 × 707 пикс. Открыть в новом окне | |
![]() |
|
| 1048 × 706 пикс. Открыть в новом окне | |
![]() |
|
| 1035 × 710 пикс. Открыть в новом окне | |
![]() |
|
| 1039 × 715 пикс. Открыть в новом окне | |
![]() |
|
| 1037 × 705 пикс. Открыть в новом окне | |
![]() |
|
| 1028 × 703 пикс. Открыть в новом окне | |
![]() |
|
| 1026 × 709 пикс. Открыть в новом окне | |
![]() |
|
| 1032 × 710 пикс. Открыть в новом окне | |
![]() |
|
| 1038 × 710 пикс. Открыть в новом окне | |
![]() |
|
| 1037 × 700 пикс. Открыть в новом окне | |
![]() |
|
| 1050 × 715 пикс. Открыть в новом окне | |
![]() |
|
| 1050 × 713 пикс. Открыть в новом окне | |
![]() |
|
| 1038 × 712 пикс. Открыть в новом окне | |
![]() |
|
| 1043 × 706 пикс. Открыть в новом окне | |
![]() |
|
| 1042 × 708 пикс. Открыть в новом окне | |
![]() |
|
| 1050 × 707 пикс. Открыть в новом окне | |
![]() |
|
| 1041 × 709 пикс. Открыть в новом окне | |
![]() |
|
| 1041 × 708 пикс. Открыть в новом окне | |
![]() |
|
| 1030 × 710 пикс. Открыть в новом окне | |
![]() |
|
| 1044 × 715 пикс. Открыть в новом окне | |
![]() |
|
| 1031 × 711 пикс. Открыть в новом окне | |
, а также при необходимости уточнить максимальную несущую способность закладного изделия. Q – расчетная нагрузка.
(значение z приведено на схеме нагрузки в таблицах марок), допускается вводить следующие поправки:![]() |
|
| 222 × 141 пикс. Открыть в новом окне | |
![]() |
|
| 181 × 160 пикс. Открыть в новом окне | |
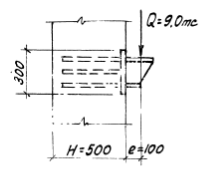
) находим требуемый цифровой индекс – 2. Следовательно, пользоваться графиками для определения несущей способности можно.Выбранные классы объекта Строительные материалы
Остался последний шаг - подтвердите подписку, перейдя по ссылке из письма. Письмо уже у вас на почте